sponaa - takie tam (głównie lampy)

Klamoty domowej roboty
ODPOWIEDZ
Awatar użytkownika
sponaa
Posty: 206
Rejestracja: 11 lis 2013, 00:40
Lokalizacja: Aleksandrów Łódzki

sponaa - takie tam (głównie lampy)

#1

Post autor: sponaa »

Tak jakoś wszyscy się chwalą (bo jest czym!) to i ja dzisiaj jakoś muszę bo inaczej się uduszę...

Swego czasu "popełniłem" dwa projekty wzmacniaczy DIY na lampach:
- SE 2x 3W -> http://diyaudioprojects.com/Schematics/ ... ematic.htm
- PP 2x 30W -> https://www.lundahltransformers.com/old ... amplifier/

Oba na trafach głośnikowych nawijanych przez kolegę 4pietro4. Oba grają dla mnie SUPER i jestem bardzo zadowolony.
Tak wyglądają mniej więcej:
IMG_20161009_145335.jpg
IMG_20150502_123342.jpg

Ale mnie wierciło w środku aby pójść w trafa firmowe i zobaczyć czy i o ile one są "jeszcze lepsze". Przypadkowo wpadła mi w ręce para lamp KT120 więc zacząłem szukać jakiegoś schematu pod te lampy i w końcu stanęło na projekcie SE 2x ok. 20W pana Levena z Niemiec -> http://4tubes.com/2-SCHEMATICS/LUNDAHL- ... -KT120.htm. Ten projekt ewoluował sporo i były różne wersje różniące się głównie lampami wejściowymi (6N1P, 6N6P, ECC88, E88CC) - ja użyłem schematu z lampami E88CC.

Zakupiłem trafa Lundhal LL1623 no i już nie było odwrotu... Od jakiegoś czasu mam go w wersji DESKA :-)
IMG_20210625_114408084-v1.jpg
Powiem tak - jeszcze dopieszczę go w docelowej obudowie (gehenna ślusarska przede mną...), ale tymczasem jestem bardzo zadowolony. Ostatnio zakupiłem kolumny Wharfedale Linton 85 Anniversary i w muzyce akustycznej (jazz) - BAJKA. Chociaż ukłon w stronę 4pietro4 (albo uszy już nie te) - różnice co do moich wcześniejszych wzmacniaczy DIY na trafach 4pietro4 są mniejsze niż się spodziewałem.

Jak już przewalczę ślusarza (to może zająć od 2 tyg do 2 lat...) to nie omieszkam pokazać efekt końcowy... Trzeba się przed kimś pochwalić (próżność), a najbliżsi na razie nie zaspokajają wystarczająco mego rozbuchanego EGO... :-( A! I spokojnie - Was też nie zmuszam, po prostu musiałem to wylać z siebie :D

Ok, żarty i kreślenie mojego profilu psychologicznego na bok. Ogólnie w lampy wszedłem jakieś 10 lat temu i muszę powiedzieć, że fajnie te lampy "grajom"... Naprawdę wszystkim lubiącym dźwięk pełnoziarnisto-ocieplono-dociążony polecam. A! I nie pytajcie co to znaczy ten dźwięk... Nie mam pojęcia. Trza samemu spróbować i już :-)

I z tego powodu majstrowania DIY nie mogę zabłysnąć w temacie np. "Ostatnio oglądałem" - no ni ma czasu :D

Tymczasem zaanektowałem pokój syna, ale za miesiąc będę musiał oddać... I znowu tułaczka i walka salonowa z Najwyższą Instancją... Ech... :oops:

Jeszcze plan ogólny zaanektowanego pokoju:
IMG_20210625_114353601-v1.jpg
Ostatnio zmieniony 26 cze 2021, 07:35 przez sponaa, łącznie zmieniany 1 raz.
Awatar użytkownika
Merrick
Posty: 2384
Rejestracja: 22 sie 2016, 22:02
Gramofon: Thorens TD-160 Super
Lokalizacja: Elbląg
Kontakt:

Re: sponaa|takie tam (głównie lampy)

#2

Post autor: Merrick »

Jeśli grają jak wyglądają to zazdroszczę. Świetna robota :clap:
Thorens TD-160 Super, SME Series III, OM 30 -> Staccato OS-> Dyskretniok -> Hafler DH-100, Hafler DH-220, Dynaudio Audience 40

https://www.discogs.com/user/Merrick-Pl/collection
Awatar użytkownika
MMarek
Posty: 5003
Rejestracja: 10 sie 2016, 09:08
Gramofon: DP-59L / PS-X50
Lokalizacja: Górny Śląsk

Re: sponaa|takie tam (głównie lampy)

#3

Post autor: MMarek »

No jest na czym oko zawiesić...

BTW: Ucho pewnie też...

Gratulacje!!!
Awatar użytkownika
trafalgar
Posty: 4356
Rejestracja: 03 mar 2015, 10:30
Gramofon: Kenwood KP 990
Lokalizacja: Kraśnik lubelski

Re: sponaa|takie tam (głównie lampy)

#4

Post autor: trafalgar »

:clap:
Awatar użytkownika
SimonTemplar
Posty: 4104
Rejestracja: 24 gru 2015, 14:28
Lokalizacja: UK

Re: sponaa|takie tam (głównie lampy)

#5

Post autor: SimonTemplar »

Piękności :clap: Nawet coś tam (pre) od kol. Ahaja stoi ;)
Awatar użytkownika
BlackDevil
Posty: 663
Rejestracja: 12 gru 2017, 19:48
Gramofon: S600

Re: sponaa|takie tam (głównie lampy)

#6

Post autor: BlackDevil »

Bardzo fajne sprzęty :clap: :clap:
jazon20
Posty: 142
Rejestracja: 13 sty 2021, 07:52
Gramofon: Pioneer PL-50LII
Lokalizacja: Zduńska Wola

Re: sponaa - takie tam (głównie lampy)

#7

Post autor: jazon20 »

Też mam Wharfedale Lintony 85'th i jestem z nich mega zadowolony, napedza je Yamaha CR-820 ale Twoje lampy.......... :o są piękne....
Pionner PL-50LII, Ortofon MC20SII , Yamaha A-1, Wharfedale Linton 85'th Limited Edition, Cocktail Audio N15D.
Awatar użytkownika
sponaa
Posty: 206
Rejestracja: 11 lis 2013, 00:40
Lokalizacja: Aleksandrów Łódzki

Re: sponaa - takie tam (głównie lampy)

#8

Post autor: sponaa »

Cześć gramofonomanki i gramofonomani!

Stary projekt, ale dopiero niedawno udało się go dokończyć (toczenie gałki potencjometru głośności...) więc się chwalę :-)

Początkiem tego projektu było spotkanie ze "śwagrem"... Taki żarcik jako że jestem praktycznie niepijący... :lol:

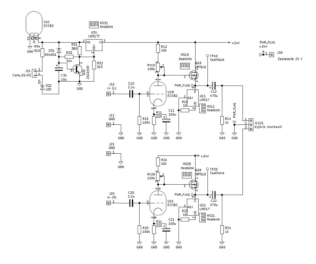
Ok, do rzeczy - więc jest sobie taki projekt:

https://diyaudioprojects.com/Solid/12AU ... 7-Headamp/

Na dole w/w strony jest odnośnik do wątku forumowego o tymże - na dzisiaj skromne 171 stron :shock:

Postanowiłem spróbować dla zabicia czasu. Już nie pamiętam szczegółów (bo to "covidowo-lockdownowy" pomysł z maja 2020), ale ja użyłem starego zasilacza laptopowego chyba z ok 19 VDC - co wymagało pewnych zmian w schemacie. Tak tom sobie wymyślił:
schemat-v2.JPG
Na schemacie twardo obstaję przy 24 VDC, ale chyba tam ciut konfabuluję - te zasilacze laptopowe przeważnie mają 19-19,5 VDC chyba.

W pierwszym podejściu zrobiłem płytkę "mniejszą", ale okazało się że szczególnie mosfety grzeją sie dość mocno i wypadałoby im dać jednak dla spokoju większy radiator. A ponieważ i tak płytka wyszła mi "tak-sobie" to podszedłem do niej 2-ci raz i teraz jestem spokojniejszy - co prawda dalej płytka wyszła tak sobie (ja nie jestem dobry w obsłudze żelazka) i te mosfety dalej są gorące, ale bez przesady. Da się na krótka chwilę dotknąć radiator i skóra jest wciąż na swoim miejscu a nie na radiatorze :-)

Dodałem jeszcze dla wygody moduł zdalnej regulacji głośności (AVT 594), dla spokoju ducha opóźnione załączanie słuchawek i odłączanie ich przed wyłączeniem na zwykłym wyłączniku hebelkowym, podświetlenie lampy diodą LED (odpust lekki wyszedł, na szczęście jest to odłączalne i raczej nie używam) i voila! Teraz jak oglądamy np. "wydarzenia sportowe" z Najwyższą Instancją to Ona słucha komentatorów a ja - czego chcę!

Tak ciut poważniej to piszę o tym projekcie aby zachęcić każdego kto chce spróbować troszkę "pomajstrować" przy lampach a boi się (poniekąd słusznie) spróbować od razu z napięciem anodowym w okolicach 400 VDC. Tutaj jest bezpiecznie. A radocha wielka (no i ten element integracyjny wspomniany w pierwszych zdaniach...).

Nie jest to żaden hajend, ale zdecydowanie też nie ma się czego wstydzić ten wzmacniacz w porównaniu z wbudowanymi w nasze klocki. Przynajmniej ja tak to odczuwam i takie mam klocki :-)

Gdyby ktoś chciał np. projekt płytki to podeślę. Myślę też, że tą starą "mniejszą" płytkę mogę komuś wysłać jakby znalazł się chętny to spróbowania (policzę tylko za koszt wysyłki, albo osobiście zapraszam). Ta płytka ma swoje drobne niedociągnięcia, ale da się na pewno jeszcze użyć i wszystko wyjaśnię (co jeszcze pamiętam ;-))

Forumowicze - bardzo polecam Wam ten projekt na wolne dni - teraz akurat wiosna za oknem, ale jak przyjdzie słota jesienno-zimowa to jak znalazł!

Kilka zdjęć moich wersji:


== v1 wersja "mała" jeszcze na desce i jeszcze z opóźnionym załączaniem na NE555 (w końcu wyłącznik hebelkowy wygrał konkurs na tą zaszczytną funkcję):
IMG_20200512_153306792.jpg


== v2 - wersja "większa" po spotkaniu ze "śwagrem" już:
IMG_20220410_155313795 (Large).jpg
IMG_20220410_155500541_HDR (Large).jpg
IMG_20220410_155529684 (Large).jpg
IMG_20220410_155554811_HDR (Large).jpg
IMG_20220410_155627096_HDR (Large).jpg
IMG_20220410_155840704 (Large).jpg
IMG_20220410_160225731 (Large).jpg
IMG_20220410_160325793_HDR (Large).jpg
IMG_20220410_160009371 (Large).jpg
Awatar użytkownika
darkman
Posty: 16146
Rejestracja: 02 paź 2015, 09:23
Gramofon: PL70LII, PSX60
Lokalizacja: Topanga Corral
Kontakt:

Re: sponaa - takie tam (głównie lampy)

#9

Post autor: darkman »

Fajne, fajne, ciekawe jak chodzi. :?: :idea:
A BTW na wersję deska z postów #1/fotka sprzętu/ wyżej dajesz Pawle jakąś osłonę/obudowę/siatkę czy coś?
Awatar użytkownika
sponaa
Posty: 206
Rejestracja: 11 lis 2013, 00:40
Lokalizacja: Aleksandrów Łódzki

Re: sponaa - takie tam (głównie lampy)

#10

Post autor: sponaa »

Upss... No to mnie trafiłeś... Nic nie daję. Na swoje usprawiedliwienie powiem tylko, że dzieci dorosłe, żona nie dotyka się "systemowo", a jak sprzęt jest nie używany to kabel zasilający fizycznie jest odpięty. No i ta deska powoli się kończy bo... proszszszę:
IMG_20220419_173826509 (Large).jpg
8-)
Awatar użytkownika
darkman
Posty: 16146
Rejestracja: 02 paź 2015, 09:23
Gramofon: PL70LII, PSX60
Lokalizacja: Topanga Corral
Kontakt:

Re: sponaa - takie tam (głównie lampy)

#11

Post autor: darkman »

No tak z ciekawości pytam, lampy też mam odsłonięte (dziecięcia i zwierzaki też dorosłe)choć mam osłonę ale wyjątkowo paskudna jest (trafa mam w osłonach).

W sumie to coś bym pomyślał na jakąś siatką czy coś?
Yyyy to znaczy, tę deskę na Lundhalach będziesz podmieniał i likwidował/bo nie do końca zrozumiałem? (no bo trafa na wyrsicku i te "anteny" dość erekcyjnie się wyforsowały na pierwszy plan :D
sponaa pisze:
19 kwie 2022, 17:41
sprzęt jest nie używany to kabel zasilający fizycznie jest odpięty.
To dla potomnych oczywiście tylko, ale trafom dość długo jest obojętne czy są pod zasilaniem czy nie :? .. niby wszyscy o tym pamiętają, ale zwykle do pierwszego walnięcia lekceważą.

p.s. :) aha nowa obudowa się kończy - teraz się kapnąłem, znaczy do czytałem sens fotografii :lol: ... a to sorry :D
Awatar użytkownika
sponaa
Posty: 206
Rejestracja: 11 lis 2013, 00:40
Lokalizacja: Aleksandrów Łódzki

Re: sponaa - takie tam (głównie lampy)

#12

Post autor: sponaa »

Tempo prac nie powala, ale, ale...
IMG_20230227_221800326_HDR_20230228.jpg
IMG_20230228_142953597_HDR_20230228.jpg
Teraz jeszcze jakieś pół roku ścigania mojego zarobionego ślusarza aby dokończył puszkę na trafa i będzie koniec. Tzn. koniec wersji mk1 bo nie wykluczam jesienią podejścia do mk2 🙂. Sonicznie jestem zadowolony, ale nie jestem tutaj obiektywny pewnie. W końcu to moje dziecko... Jak się nacieszę to zrobię jeszcze pomiary mocy i pasma przenoszenia. Ale na ucho - jest git! Ale nie jestem tutaj obiektywny pewnie... Czy ja się nie powtarzam? Pardąsik 😜
Awatar użytkownika
darkman
Posty: 16146
Rejestracja: 02 paź 2015, 09:23
Gramofon: PL70LII, PSX60
Lokalizacja: Topanga Corral
Kontakt:

Re: sponaa - takie tam (głównie lampy)

#13

Post autor: darkman »

sponaa pisze:
28 lut 2023, 18:48
Teraz jeszcze jakieś pół roku ścigania mojego zarobionego ślusarza aby dokończył puszkę na trafa i będzie koniec
:lol:
Podejście jest bliskie mojej filozofii. Się nie pali. Festina lente.

Fajnie wyszło :clap:
Awatar użytkownika
Jozi
Posty: 2054
Rejestracja: 28 sty 2022, 02:57
Gramofon: Sony PS-X60
Lokalizacja: Pastwiska City

Re: sponaa - takie tam (głównie lampy)

#14

Post autor: Jozi »

Już jest cacko, jak dorobisz "pokrywki" to będzie cacuszko :) :) :) .
[Sony PS X60,VM540ML, Shure V15III-Sas, Sony XL 45,pre @Jaculek-(Analog)]
[ Tidal Hifi, Wiim Pro Plus, Onkyo 7030C-(Cyfra)] Yamaha A-S701, Heco Professional 650
Awatar użytkownika
sponaa
Posty: 206
Rejestracja: 11 lis 2013, 00:40
Lokalizacja: Aleksandrów Łódzki

Re: sponaa - takie tam (głównie lampy)

#15

Post autor: sponaa »

Cześć! W lutym (ostatniego) przewidywałem pół roku na prace ślusarskie, ale dzisiaj ostatniego lipca mogę ogłosić ogromny sukces "ślusarski" i wyrobienie się szybciej o cały miesiąc!!! :mrgreen:

Pacjent w całej krasie:
IMG_20230731_170742172_HDR_copy_1024x768.jpg
IMG_20230731_174137237_HDR_copy_1024x768.jpg
IMG_20230731_170801888_HDR_copy_1024x768.jpg

Do tego pomierzyłem mu moc i pasmo przenoszenia:
P-out.JPG
PasmoPrzenoszenia.jpg

Siedzę i słucham. GRA MUZYKA. :violin:

Dodatkowo "wpakowałem się" w streaming (Tidal na 120 dni Hi-Fi Master za darmo jak się zarejestrujesz na Cambridge Audio - może kogoś zainteresuje?) i także przeprowadziłem "prodżekt" zgrywania moich CDs do flac i uruchomienia domowego serwera DLNA. Same nowości, ale niestety cierpi winyl. Ale wrócę do tego niedoskonałego, jednakowoż jakże drogiego nam wszystkim plastiku jesienią. Słowo harcerza (mocno ex i z krótkim stażem :shifty: )!
ODPOWIEDZ