Luxman PD-277 kręci talerzem w złą stronę
- decu
- Posty: 250
- Rejestracja: 11 wrz 2015, 00:39
- Gramofon: Sansui SR-212
Luxman PD-277 kręci talerzem w złą stronę
Wrócił do mnie Luxman PD-277 którego jakiś czas temu naprawiałem od strony funkcji automatycznych (częsty problem w tym modelu).
Obecnie gramofon choruje na coś innego:
1.Przełącznik obrotów (33/OFF/45) powinien działać w ten sposób, że wybranie prędkości uruchamia gramofon, ale silnik nie rusza, tylko czeka na przycisk START. Po jego wciśnięciu ramię lecąc na płytę uruchamia silnik.
Obecnie, kiedy przełącznik obrotów ustawiam na 33 lub 45, talerz od razu zaczyna się kręcić, ale w złą stronę. Po naciśnięciu START talerz zaczyna się kręcić we właściwą stronę, ale wolniej niż dotychczas (na tyle wolno, że pitchem nie da się tego wyrównać).
2. Zajrzałem "od spodu" czy nie ma jakiegoś oczywistego problemu, ale znalazłem tylko jeden podejrzanie wyglądający kondensator elektrolityczny.
Wymieniłem go dla spokoju razem z całą resztą, ale niestety nic to nie pomogło.
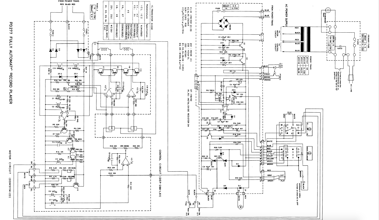
3. (Edytowany- dodałem schemat)
Następny na liście podejrzanych jest kiepsko wyglądający: Może nie jest źródłem problemu, ale nadaje się do wymiany?
4. Awaria nie jest powiązana ze wstrząsem bądź uderzeniem. Prawdopodobnie jakiś element w ciszy dokonał swego żywota.
Gdzie szukać winnego?
Obecnie gramofon choruje na coś innego:
1.Przełącznik obrotów (33/OFF/45) powinien działać w ten sposób, że wybranie prędkości uruchamia gramofon, ale silnik nie rusza, tylko czeka na przycisk START. Po jego wciśnięciu ramię lecąc na płytę uruchamia silnik.
Obecnie, kiedy przełącznik obrotów ustawiam na 33 lub 45, talerz od razu zaczyna się kręcić, ale w złą stronę. Po naciśnięciu START talerz zaczyna się kręcić we właściwą stronę, ale wolniej niż dotychczas (na tyle wolno, że pitchem nie da się tego wyrównać).
2. Zajrzałem "od spodu" czy nie ma jakiegoś oczywistego problemu, ale znalazłem tylko jeden podejrzanie wyglądający kondensator elektrolityczny.
Wymieniłem go dla spokoju razem z całą resztą, ale niestety nic to nie pomogło.
3. (Edytowany- dodałem schemat)
Następny na liście podejrzanych jest kiepsko wyglądający: Może nie jest źródłem problemu, ale nadaje się do wymiany?
4. Awaria nie jest powiązana ze wstrząsem bądź uderzeniem. Prawdopodobnie jakiś element w ciszy dokonał swego żywota.
Gdzie szukać winnego?
- chudy_b
- Posty: 4131
- Rejestracja: 05 lis 2013, 14:54
- Lokalizacja: Wólka
- olsza84
- Posty: 3292
- Rejestracja: 09 lip 2015, 10:27
- Gramofon: Dual Fever
Re: Luxman PD-277 kręci talerzem w złą stronę
Do wymiany na pewno. To wątpliwej sławy RIFA. Wymień na taki i będzie spokój: http://allegro.pl/kondensator-mkp-22nf- ... 26686.html
NAD 160a / NUDAmini / Philips CD-350 / Braun LS 120
Dual 601, 604, 704, 3x721, 1019, 1209, 1218, 1219, 1229, 1249, Perpetuum Ebner 2020L, Perpetuum Ebner PE 34
FB:Dual Fever
IG:Dual Fever
Dual 601, 604, 704, 3x721, 1019, 1209, 1218, 1219, 1229, 1249, Perpetuum Ebner 2020L, Perpetuum Ebner PE 34
FB:Dual Fever
IG:Dual Fever
- decu
- Posty: 250
- Rejestracja: 11 wrz 2015, 00:39
- Gramofon: Sansui SR-212
Re: Luxman PD-277 kręci talerzem w złą stronę
Dzięki chłopaki! Zacznę od tego kondensatora, a potem wg zaleceń chudy_b.
- decu
- Posty: 250
- Rejestracja: 11 wrz 2015, 00:39
- Gramofon: Sansui SR-212
Re: Luxman PD-277 kręci talerzem w złą stronę
Kondensator wymieniony. Jego obudowa była już nadpęknięta, po wymontowaniu pomiar wskazał 32nF zamiast 22.
Pomiary przy silniku kręcącym na ustawieniu 33 1/3:
D1: 0,0V
D2: 1,65V
D3: 0,0V
D4: 0,0V
D5: 0,1V
D6: 2,1V
D7: odpuściłem ten pomiar bo jest od drugiej strony płytki- jak będzie trzeba to jest do zrobienia)
D8: 0,01V
ZD1: 12,8V
ZD2: 2,4V
ZD3: 6,4V
X1: 0,57V
X2: 0,5V
X3: 0,65V
X4: 0,0V
X5: 0,69V
Czyli z tych elementów raptem 3 tranzystory można naciągnąć na okolice tych 0,6V.
Pomiary przy silniku kręcącym na ustawieniu 33 1/3:
D1: 0,0V
D2: 1,65V
D3: 0,0V
D4: 0,0V
D5: 0,1V
D6: 2,1V
D7: odpuściłem ten pomiar bo jest od drugiej strony płytki- jak będzie trzeba to jest do zrobienia)
D8: 0,01V
ZD1: 12,8V
ZD2: 2,4V
ZD3: 6,4V
X1: 0,57V
X2: 0,5V
X3: 0,65V
X4: 0,0V
X5: 0,69V
Czyli z tych elementów raptem 3 tranzystory można naciągnąć na okolice tych 0,6V.
- decu
- Posty: 250
- Rejestracja: 11 wrz 2015, 00:39
- Gramofon: Sansui SR-212
Re: Luxman PD-277 kręci talerzem w złą stronę
Post pod postem, przepraszam za to, ale chciałbym zasygnalizować że coś się dzieje...
Wyprułem całą płytkę i zrobiłem pomiary większości elementów (ominąłem kilka tych które wyglądem mnie onieśmieliły
).
Przede wszystkim zauważyłem coś co nie zwróciło wcześniej mojej uwagi- na spodniej stronie płytki wisiał sobie dolutowany rezystor (5,6k). Nie ma go na rozpisce w serwisówce ale nie pomyślałem że to może być jakiś "dodatek". Po jego wylutowaniu zobaczyłem, że ścieżka pod nim została przerwana (intencjonalnie).Wlutowano go pomiędzy jednym z pinów (czarnym) taśmy a kolejnym rezystorem R20. Na pewno więc ktoś już kiedyś dłubał w tym Luxmanie. Niestety za wąski jestem w uszach żeby stwierdzić co miała ta przeróbka na celu.
Poniżej zamieszczam listę elementów wraz z pomiarami:
Tyrystory:
SCR1 rozpaznany jako tyrystor, brak wskazań wartości
SCR2 NPN hFE=17, Uf=733mV
Diody:
D1 Uf= 647mV, C=9pF
D2 Uf= 658mV, C=1pF
D3 Uf= 623mV, C=36pF
D4 Uf= 664mV, C=9pF
D5 Uf= 636mV, C=34pF
D6 Uf= 663mV, C=0pF
D8 Uf= 655mV, C=9pF
Rezystory (wymieniam tylko te których wartości były pozornie niewłaściwe- pomiar na czerwono, w nawiasie wartość wg wypisu z serwisówki, ostatecznie jednak sprawdziłem że na schemacie (widoczny w pierwszym poście) są inne wartości niż na liście elementów i wg niego rezystory mają właściwe wartości...):
R3 1k (330) na schemacie 1k więc OK
R18 5,6k (3,3k) na schemacie 5,6k więc OK
R19 5,6k (3,9k) na schemacie 5,6k więc OK
R20 5,6k (1,5k) na schemacie 5,6k więc OK
Tranzystory:
X3 NPN hFE=513, Uf=606mV
X4 NPN hFE=476, Uf=611mV
X5 NPN hFE=394, Uf=650mV
Diody Zenera:
ZD1: Uf=756mV C=39pF
ZD2: 36pF zidentyfikowana jako kondensator
(kilka prób)
ZD3: Uf=766mV C=69pF
Nie zbadałem elementów: X1, X2, D7, IC1.
Zdjęcia:
1. Płytka widok ogólny: 2. Podejrzana dioda ZD2: 3. Nadprogramowy rezystor: Czy ta dioda ZD2 może być źródłem problemu?
Wyprułem całą płytkę i zrobiłem pomiary większości elementów (ominąłem kilka tych które wyglądem mnie onieśmieliły
Przede wszystkim zauważyłem coś co nie zwróciło wcześniej mojej uwagi- na spodniej stronie płytki wisiał sobie dolutowany rezystor (5,6k). Nie ma go na rozpisce w serwisówce ale nie pomyślałem że to może być jakiś "dodatek". Po jego wylutowaniu zobaczyłem, że ścieżka pod nim została przerwana (intencjonalnie).Wlutowano go pomiędzy jednym z pinów (czarnym) taśmy a kolejnym rezystorem R20. Na pewno więc ktoś już kiedyś dłubał w tym Luxmanie. Niestety za wąski jestem w uszach żeby stwierdzić co miała ta przeróbka na celu.
Poniżej zamieszczam listę elementów wraz z pomiarami:
Tyrystory:
SCR1 rozpaznany jako tyrystor, brak wskazań wartości
SCR2 NPN hFE=17, Uf=733mV
Diody:
D1 Uf= 647mV, C=9pF
D2 Uf= 658mV, C=1pF
D3 Uf= 623mV, C=36pF
D4 Uf= 664mV, C=9pF
D5 Uf= 636mV, C=34pF
D6 Uf= 663mV, C=0pF
D8 Uf= 655mV, C=9pF
Rezystory (wymieniam tylko te których wartości były pozornie niewłaściwe- pomiar na czerwono, w nawiasie wartość wg wypisu z serwisówki, ostatecznie jednak sprawdziłem że na schemacie (widoczny w pierwszym poście) są inne wartości niż na liście elementów i wg niego rezystory mają właściwe wartości...):
R3 1k (330) na schemacie 1k więc OK
R18 5,6k (3,3k) na schemacie 5,6k więc OK
R19 5,6k (3,9k) na schemacie 5,6k więc OK
R20 5,6k (1,5k) na schemacie 5,6k więc OK
Tranzystory:
X3 NPN hFE=513, Uf=606mV
X4 NPN hFE=476, Uf=611mV
X5 NPN hFE=394, Uf=650mV
Diody Zenera:
ZD1: Uf=756mV C=39pF
ZD2: 36pF zidentyfikowana jako kondensator
ZD3: Uf=766mV C=69pF
Nie zbadałem elementów: X1, X2, D7, IC1.
Zdjęcia:
1. Płytka widok ogólny: 2. Podejrzana dioda ZD2: 3. Nadprogramowy rezystor: Czy ta dioda ZD2 może być źródłem problemu?
- chudy_b
- Posty: 4131
- Rejestracja: 05 lis 2013, 14:54
- Lokalizacja: Wólka
Re: Luxman PD-277 kręci talerzem w złą stronę
Każdy uszkodzony element może być przyczyną problemów. Wymień ją. Na szybko wydaje mi się że to zenerka 6,2V, ale pogooglaj po symbolach z serwisówki.
Dlaczego nie sprawdziłeś tranzystorów X1, X2? X2 jest blisko tej zenerki, więc na pewno trzeba go sprawdzić.
D7 jakoś nie mogę znaleźć na schemacie. Co do scalaka, to nie ma jakiejś uniwersalnej metody na sprawdzenie sprawności. Pomacaj czy się grzeje, ale jak wcześniejsze tropy zawiodą, szukaj nowego.
- decu
- Posty: 250
- Rejestracja: 11 wrz 2015, 00:39
- Gramofon: Sansui SR-212
Re: Luxman PD-277 kręci talerzem w złą stronę
W serwisówce ma oznaczenie: Nie mogąc znaleźć po symbolach, wyszukiwałem po "stock no." i wyszło mi że w innym Luxmanie pod tym samym numerem figuruje jeszcze dioda HZ6A-3(w odróżnieniu od powyższego HZ6A-31) i taką udało mi się odnaleźć:
https://www.ebay.com/itm/ZENER-DIODE-HZ ... 0783975462
5,5V, 0,5W
Jak precyzyjnie musi zostać dobrana taka dioda? Czy np 5,6V 0,5W będzie w porządku?
http://tnij.at/TMEDIODA np. taka? Czy musi to być koniecznie ten oryginał?
Zrobione:
X1 NPN hFE=177, Uf=561mV
X2 NPN hFE=233, Uf=552mV
Też miałem z tym problem, siedzi tutaj:
Sprawdzę go na okoliczność grzania.
Są na tej płytce jeszcze 2 potencjometry. Używałem ich do regulacji napięcia wg:
Nie sprawiały problemów, nie wariowały. (jeszcze niedawno)
Czy to jest niepokojące, czy na razie nie wnikać?
Dodatkowy rezystor wywalić czy na razie ma zostać jak jest?
- olsza84
- Posty: 3292
- Rejestracja: 09 lip 2015, 10:27
- Gramofon: Dual Fever
Re: Luxman PD-277 kręci talerzem w złą stronę
Wydaje mi się, że nie ma potrzeby szukania na siłę oryginału bo to może być karkołomne zadanie.decu pisze: ↑01 cze 2018, 10:15Nie mogąc znaleźć po symbolach, wyszukiwałem po "stock no." i wyszło mi że w innym Luxmanie pod tym samym numerem figuruje jeszcze dioda HZ6A-3(w odróżnieniu od powyższego HZ6A-31) i taką udało mi się odnaleźć:
https://www.ebay.com/itm/ZENER-DIODE-HZ ... 0783975462
5,5V, 0,5W
Jak precyzyjnie musi zostać dobrana taka dioda? Czy np 5,6V 0,5W będzie w porządku?
http://tnij.at/TMEDIODA np. taka? Czy musi to być koniecznie ten oryginał?
Ja bym wziął coś takiego i wydaje mi się, że wystarczy: http://allegro.pl/dioda-zenera-5v6-5-6v ... 39470.html
Ale chyba lepiej ją najpierw sprawdzić testerem diod. Wylutować i sprawdzić. Ewentualnie na włączonym zasilaniu na jednej z nóżek powinno być napięcie ok. 5,6V. Jeżeli tyle jest to znaczy, że jest sprawna. Ale może niech chudy potwierdzi.
NAD 160a / NUDAmini / Philips CD-350 / Braun LS 120
Dual 601, 604, 704, 3x721, 1019, 1209, 1218, 1219, 1229, 1249, Perpetuum Ebner 2020L, Perpetuum Ebner PE 34
FB:Dual Fever
IG:Dual Fever
Dual 601, 604, 704, 3x721, 1019, 1209, 1218, 1219, 1229, 1249, Perpetuum Ebner 2020L, Perpetuum Ebner PE 34
FB:Dual Fever
IG:Dual Fever
- decu
- Posty: 250
- Rejestracja: 11 wrz 2015, 00:39
- Gramofon: Sansui SR-212
Re: Luxman PD-277 kręci talerzem w złą stronę
Jeszcze raz wylutowałem i sprawdziłem miernikiem z nastawem na diodę:
od + do - jest 373mV
od - do + jest 833mV
Wlutować ją z powrotem i sprawdzić na włączonym zasilaniu, czy wyniki są w jakiś sposób rozstrzygające?
Jeśli miałeś jednak na myśli specjalne urządzenie dedykowane do diod, to niestety takiego nie mam.
- chudy_b
- Posty: 4131
- Rejestracja: 05 lis 2013, 14:54
- Lokalizacja: Wólka
- decu
- Posty: 250
- Rejestracja: 11 wrz 2015, 00:39
- Gramofon: Sansui SR-212
Re: Luxman PD-277 kręci talerzem w złą stronę
Diodę wymieniłem, niestety to nie to- talerz dalej świruje.
Lecę z drugą płytką (ostatnią
)- spadki napięcia:
Tranzystory:
X1- 0,8V
X2- 0,0V
X3- 0,5V
X4- 0,6V
X5- 0,1V
X6, X7, X8,X9- na wszystkich miernik wskazuje na BE od -0,4 do +0,4V (tzn. wartość ciągle się zmienia)
Diody Zenera:
ZD1- 6,0V
ZD2- 6,3V
Diody Silikonowe? (Silicon Diode):
D1, D2, D3, D4- wszystkie 12V
Poza tym co powyżej na płytce jest 38 rezystorów, 5 potencjometrów i 13 kondensatorów (wymieniłem 8 z nich- elektrolitycznych, pozostałe są mylarowe).
Wyciągać i sprawdzić wszystko po kolei, czy któreś z powyższych wskazań są bardziej podejrzane niż inne?
Lecę z drugą płytką (ostatnią
Tranzystory:
X1- 0,8V
X2- 0,0V
X3- 0,5V
X4- 0,6V
X5- 0,1V
X6, X7, X8,X9- na wszystkich miernik wskazuje na BE od -0,4 do +0,4V (tzn. wartość ciągle się zmienia)
Diody Zenera:
ZD1- 6,0V
ZD2- 6,3V
Diody Silikonowe? (Silicon Diode):
D1, D2, D3, D4- wszystkie 12V
Poza tym co powyżej na płytce jest 38 rezystorów, 5 potencjometrów i 13 kondensatorów (wymieniłem 8 z nich- elektrolitycznych, pozostałe są mylarowe).
Wyciągać i sprawdzić wszystko po kolei, czy któreś z powyższych wskazań są bardziej podejrzane niż inne?
- songo
- Posty: 110
- Rejestracja: 16 mar 2016, 23:06
Re: Luxman PD-277 kręci talerzem w złą stronę
Diody krzemowe.
Wiem, że niewiele Ci to pomoże, ale moim zdaniem to co robisz, to kompletna jazda po ciemku. Bez choćby ogólnego zrozumienia schematu i przynajmniej zgrubnego namierzenia okolic, w których występuje problem, będzie ciężko. Może udaj się np. na Elektrodę i przy (więcej niż) odrobinie szczęścia jakaś dobra dusza trochę Cię poprowadzi…
- chudy_b
- Posty: 4131
- Rejestracja: 05 lis 2013, 14:54
- Lokalizacja: Wólka
Re: Luxman PD-277 kręci talerzem w złą stronę
No to jest niestety prawda. Ale napęd DD to nie taka prosta sprawa. Niewielu wie jak to działa, tym bardziej że każdy producent ma swoje patenty, przeważnie specjalizowane scalaki.
Mozna spróbować, ale trzeba mieć silną psychikę:-)