Kolumny na głośnikach Philipsa – przebudowa
- kulek123
- Posty: 509
- Rejestracja: 06 gru 2018, 14:58
- Gramofon: SABA PSP 248
- Lokalizacja: Wilków
Re: Kolumny na głośnikach Philipsa – przebudowa
W poście 6 kolega Marek.s wklejał układy z książki Philipsa o podobnej konfiguracji głośników ale tylko pozornie bo to są inne przetworniki ale zwrotnica "taka sama". W poście 7 umieściłem zwrotnicę z innej książki Philipsa która dotyczy dokładnie moich przetworników, zwrotnica jest taka sama co do topologii jak z postu 6 tylko ewidentnie (przynajmniej mi się tak wydaje) w niej głośnik niskotonowy jest spolaryzowany odwrotnie. Głównym problemem tych wszystkich układów był brak informacji na temat wartości elementów dla sekcji niskotonowej. Planem był podział 500hz i 5000hz. Gdy podpytałem na forum MFB uświadomiono mnie że odwrócenie fazy niskotonowego jest błędem i lepiej jest to zrobić w sekcji wysokotonowej, tam również dobrali wartości elementów dla zakładanego podziału.
SABA PSP 248 / PHILIPS 22RH720 / AKAI CD-37 / ADK 3540
- Piterski
- Posty: 1531
- Rejestracja: 17 lip 2015, 23:48
- Gramofon: Pioneer PL70LII
- Lokalizacja: Warszawa
Re: Kolumny na głośnikach Philipsa – przebudowa
Na jakiej podstawie uznali, że tak będzie lepiej? Ja też już przerabiałem takie założenia inne niż te projektowe i jednak docelowo zostałem przy schemacie producenta, drugim zmienionym ale jednak fabrycznym.
Tor cyfrowy: Esoteric K01 - Gryphon Diablo 120.
Tor Analogowy: Phasemation PP-300 - Pioneer PL70II - RCM Sensor2.
Kolumny: Electro Voice Interface "Delta". Kable: Furutech, Hijiri - Harmonix, by Melepeta, Yarbo 1100.
Tor Analogowy: Phasemation PP-300 - Pioneer PL70II - RCM Sensor2.
Kolumny: Electro Voice Interface "Delta". Kable: Furutech, Hijiri - Harmonix, by Melepeta, Yarbo 1100.
- kulek123
- Posty: 509
- Rejestracja: 06 gru 2018, 14:58
- Gramofon: SABA PSP 248
- Lokalizacja: Wilków
Re: Kolumny na głośnikach Philipsa – przebudowa
Ok, nie bardzo wiem jak ci to technicznie wytłumaczyć, dlatego tak będzie najlepiej:
https://forum-mfbfreaks.nl/viewtopic.php?t=18487
https://forum-mfbfreaks.nl/viewtopic.php?t=18487
SABA PSP 248 / PHILIPS 22RH720 / AKAI CD-37 / ADK 3540
- Piterski
- Posty: 1531
- Rejestracja: 17 lip 2015, 23:48
- Gramofon: Pioneer PL70LII
- Lokalizacja: Warszawa
Re: Kolumny na głośnikach Philipsa – przebudowa
Jestem dużym laikiem w temacie strojenia zwrotnic, dużo z tym jednak eksperymentowałem o wstępnie ustalone wartości ale na tych symulacjach masz tylko przebiegi poszczególnych głośników dla różnych wartości filtra. Rozumiem ich zastrzeżenia do tego by zanadto nie ciągnąć basowca w górę jak i to że na styku głośnik średnio i wysoko tonowego obawiają się piku.
Nie ma tam jednak nic o zgodności fazowej bo ta wyjdzie Ci na pomiarze całości. Na łącznej charakterystyce widać dopiero jak Ci się to zszywa.
Tylko że moi koledzy też się tak bawili ale mierzyli poszczególne przetworniki i całą kolumną mikrofonem w domowych warunkach. Ich próby wyrównania charakterystyki polegały czasem też na zmianie polaryzacji tylko co z tego, że wykres wyjdzie płaski jak to się na ucho nie klei w całość.
Dlatego moja rada lepiej zostaw sobie roboczo możliwość łatwej zmiany polaryzacji.
Nie ma tam jednak nic o zgodności fazowej bo ta wyjdzie Ci na pomiarze całości. Na łącznej charakterystyce widać dopiero jak Ci się to zszywa.
Tylko że moi koledzy też się tak bawili ale mierzyli poszczególne przetworniki i całą kolumną mikrofonem w domowych warunkach. Ich próby wyrównania charakterystyki polegały czasem też na zmianie polaryzacji tylko co z tego, że wykres wyjdzie płaski jak to się na ucho nie klei w całość.
Dlatego moja rada lepiej zostaw sobie roboczo możliwość łatwej zmiany polaryzacji.
Tor cyfrowy: Esoteric K01 - Gryphon Diablo 120.
Tor Analogowy: Phasemation PP-300 - Pioneer PL70II - RCM Sensor2.
Kolumny: Electro Voice Interface "Delta". Kable: Furutech, Hijiri - Harmonix, by Melepeta, Yarbo 1100.
Tor Analogowy: Phasemation PP-300 - Pioneer PL70II - RCM Sensor2.
Kolumny: Electro Voice Interface "Delta". Kable: Furutech, Hijiri - Harmonix, by Melepeta, Yarbo 1100.
- kulek123
- Posty: 509
- Rejestracja: 06 gru 2018, 14:58
- Gramofon: SABA PSP 248
- Lokalizacja: Wilków
Re: Kolumny na głośnikach Philipsa – przebudowa
Ponieważ też jestem laikiem, nawet po zakończeniu projektu nie będę miał możliwości tego pomierzyć. Tak jak napisałeś będę eksperymentował i zobaczymy co wyjdzie.
SABA PSP 248 / PHILIPS 22RH720 / AKAI CD-37 / ADK 3540
-
Arkadyo
- Posty: 894
- Rejestracja: 06 paź 2012, 19:41
Re: Kolumny na głośnikach Philipsa – przebudowa
Obawiam się, że nic nie wyjdzie.
Nie podoba mi się to co tu widzę. Ogromny nakład pracy a jakiś meksyk ze zwrotkami. Tak się nie da.
Jedziemy od początku.
Skąd są wzięte wartości elementów zwrotnic?
AD5060/Sq8 jaką ma impedancję?
Dobra to tak - jeżeli oryginalnie miałeś uklad 1+1+2 to nie możesz sobie poprostu dołożyć drugiego mida. Nie ma takiej opcji.
Powyższy układ był w impedancji 8+8+8(2x4) - czyli miales mida 8 ohm
Jeżeli dolozysz drugiego mida 8 ohm to jak je połączysz żeby miec wypadkowa 8? Bedzie albo 16 przy szeregowym albo 4 przy równoległym. W obu przypadkach musiałbys od nowa projektowac całą zwrotkę. Czyli obecnie musiałbys miec te midy w wersji 4 ohm i łaczyc je szeregowo ( jak w oryginale) żeby to zagadało na starej zwrotnicy.
Jeżeli masz 8 to musisz zostawić pojedynczy.
I tak jak w oryginalnych zwrotnicach filipa - sredniotonowy w przeciw fazie. Wszystkie filtry są 12db/okt a filtr 6 db przesuwa faze o 90 stopni a 12 db o 180 stopni. Jak łączysz dwie 12 to odwracasz polaryzacje jednego w tym przypadku mida i faza powinna siąść. Tyle teoria a praktyka czaaem płata filge bo wysokosc podziału, przebiegi impedancji potrafią to wywrócić ale tutaj tak nie było - w schematach filipa mid zawsze jes w przeciw fazie czy to z jednym midem 8 ohm czy z dwoma po 4 ohm szeregowo...
Powtórzę - nie możesz zrobic tak jak narysowąłes schemat, że wepniesz 2x8 równolegle bo rozjedzie się podział, filtry sa liczone dla 8 ohm a przy 4 zadziałają w zupełnie innych miejscach. O tym, że zyskasz kolejne 3 db na sprawności sekcji mida i bedzie sie sekcja drzeć nawet nie wspominam.
Jedni używają sprzętu do słuchania muzyki, drudzy używają muzyki do słuchania sprzętu.
Ja błądzę gdzieś po środku...
Ja błądzę gdzieś po środku...
- kulek123
- Posty: 509
- Rejestracja: 06 gru 2018, 14:58
- Gramofon: SABA PSP 248
- Lokalizacja: Wilków
Re: Kolumny na głośnikach Philipsa – przebudowa
cześć, no to jedziemy od początku:
fotki będą lecieć po kolei tak jak tekst.
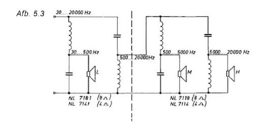
1) Kupiłem te paczki dla głośników miały 100l, jeden głośnik średniotonowy i zwrotnicę zaprojektowaną tak że w sporej części trzyma się danych producenta. głośniki AD12100/W8 8ohm, AD5060/Sq8 8ohm, 2xAD0160/T4 4ohm. (Philips nie miał takiego projektu 1+1+2) zwrotnica oryginalna z tych skrzynek nieudolnie przerysowana na fotce 1 poniżej.
2) znalazłem w książce Philipsa dla majsterkowiczów dokładne dane dla tego projektu z układem głośników 1+2+2. są w tym projekcie dokładnie te głośniki niski 8ohm, 2x średnie 8ohm, 2x wysokie 4ohm w obudowie 50l. niestety brak wartości elementów w zwrotnicy. Projekt i zwrotnica z książki na fotkach 2, 3, 4.
3) W sieci znalazłem wartości elementów dla takich głośników tylko w układzie 1+1+1które zakładają wartości jak na zwrotnicy poniżej. zwrotnica na fotce 5
4) Moje "projektowanie" i sklejanie zweryfikował członek z forum MFB i naniósł swoje poprawki twierdząc że tak będzie lepiej. fotka zwrotnicy na zdjęciu 6 i 7.
Cała historia tego filtra w pigułce
fotki będą lecieć po kolei tak jak tekst.
1) Kupiłem te paczki dla głośników miały 100l, jeden głośnik średniotonowy i zwrotnicę zaprojektowaną tak że w sporej części trzyma się danych producenta. głośniki AD12100/W8 8ohm, AD5060/Sq8 8ohm, 2xAD0160/T4 4ohm. (Philips nie miał takiego projektu 1+1+2) zwrotnica oryginalna z tych skrzynek nieudolnie przerysowana na fotce 1 poniżej.
2) znalazłem w książce Philipsa dla majsterkowiczów dokładne dane dla tego projektu z układem głośników 1+2+2. są w tym projekcie dokładnie te głośniki niski 8ohm, 2x średnie 8ohm, 2x wysokie 4ohm w obudowie 50l. niestety brak wartości elementów w zwrotnicy. Projekt i zwrotnica z książki na fotkach 2, 3, 4.
3) W sieci znalazłem wartości elementów dla takich głośników tylko w układzie 1+1+1które zakładają wartości jak na zwrotnicy poniżej. zwrotnica na fotce 5
4) Moje "projektowanie" i sklejanie zweryfikował członek z forum MFB i naniósł swoje poprawki twierdząc że tak będzie lepiej. fotka zwrotnicy na zdjęciu 6 i 7.
Cała historia tego filtra w pigułce
SABA PSP 248 / PHILIPS 22RH720 / AKAI CD-37 / ADK 3540
-
Arkadyo
- Posty: 894
- Rejestracja: 06 paź 2012, 19:41
Re: Kolumny na głośnikach Philipsa – przebudowa
Ale, że jak zweryfikował? Na symulacji w boximie? Przeca to checa.
A skąd on niby miał przebiegi impedancji poszczególnych glośników żeby cokolwiek symulować?
Przecież zeby to zrobic dobrze trzeba sciagnąc przebieg impedancji systemem pomiarowym oraz mikrofonem charakterystykę częstotliwościową. Potem importujesz to do symulatora i mozna sobie wtedy symulować wstepny projekt zwrotnicy.
Ten koleś z forum mtbf o nicku pie2401 to nie jest zbyt poważny.
Tu tlumaczenie z google:
"Masz 2 głośniki średniotonowe i dwa głośniki wysokotonowe, które będą się wzajemnie wzmacniać.
Głośnik niskotonowy ma skuteczność 93 dB, AD0560 też coś takiego, ale masz dwa i pomagają sobie nawzajem.
Daje to dodatkowe ~3dB, więc razem działają jak 1 głośnik o mocy 96dB.
Otrzymujesz więc około 5 dB zgodnie z filtrem głośnika niskotonowego. Więc trochę więcej basu.
Trochę dodatkowego basu zawsze brzmi miło"
Co to niby jest? To jakieś audio herezje są. Gówno a nie się wzajemnie wzmacniają.
Cyt. "Daje to dodatkowe ~3dB, więc razem działają jak 1 głośnik o mocy 96dB".
To nonsens. Lączenie szeregowe nie daje zadnych 3 dodatkowych decybeli bo zwiekszasz x2 impedancję obciazajaca wzmacniacz a tym samym odda on 2x mniej mocy - czyli dwa szeregowe zagrają w systemie tak samo głośno jak każdy z nich. Jedyna roznica, że przyjmą 2x więcej mocy i gdzie pojedynczy by sie muz spalił od nadmiaru prądu to duet wypluje dalszy wzrost skuteczności czyli te mityczne 3 db z dodatkowej membrany. Inna sytuacja jest jak laczysz równolegle - tak jak Ty chcesz zrobic z midami. Osiagniesz zysk 3 db z dodatkowej membrany oraz dodatkowe 3 db ze spadku impedancji duetu o połowę - średnica z dwoch midów tak łączonych zagra 6 db głośniej niż z jednego. Bedzie Ci sie to drzeć w stosunku do basu i nie wiem skąd kolesiowi bierze sie tu jakis dodatkowy bas!!! Ale nie to jest najgorsze - łaczysz filtry 8 i 4 ohm na zwrotce po "paraolimpijskich symulacjach".
Jak się pomylisz (a jest spora szansa - wręcz mała jest, że nie) to w miejsach podziału będą gwałtowne spadki impedancji - glosniki w zestawach lączone są równolegle i tylko poprawna zwrotnica "czuwa" nad zbyt duzum nakładaniem sie impedancji.
Wiekszy blad w tej materii i wzmaka będziesz piłował impedancjami 1-2 ohm
A skąd on niby miał przebiegi impedancji poszczególnych glośników żeby cokolwiek symulować?
Przecież zeby to zrobic dobrze trzeba sciagnąc przebieg impedancji systemem pomiarowym oraz mikrofonem charakterystykę częstotliwościową. Potem importujesz to do symulatora i mozna sobie wtedy symulować wstepny projekt zwrotnicy.
Ten koleś z forum mtbf o nicku pie2401 to nie jest zbyt poważny.
Tu tlumaczenie z google:
"Masz 2 głośniki średniotonowe i dwa głośniki wysokotonowe, które będą się wzajemnie wzmacniać.
Głośnik niskotonowy ma skuteczność 93 dB, AD0560 też coś takiego, ale masz dwa i pomagają sobie nawzajem.
Daje to dodatkowe ~3dB, więc razem działają jak 1 głośnik o mocy 96dB.
Otrzymujesz więc około 5 dB zgodnie z filtrem głośnika niskotonowego. Więc trochę więcej basu.
Trochę dodatkowego basu zawsze brzmi miło"
Co to niby jest? To jakieś audio herezje są. Gówno a nie się wzajemnie wzmacniają.
Cyt. "Daje to dodatkowe ~3dB, więc razem działają jak 1 głośnik o mocy 96dB".
To nonsens. Lączenie szeregowe nie daje zadnych 3 dodatkowych decybeli bo zwiekszasz x2 impedancję obciazajaca wzmacniacz a tym samym odda on 2x mniej mocy - czyli dwa szeregowe zagrają w systemie tak samo głośno jak każdy z nich. Jedyna roznica, że przyjmą 2x więcej mocy i gdzie pojedynczy by sie muz spalił od nadmiaru prądu to duet wypluje dalszy wzrost skuteczności czyli te mityczne 3 db z dodatkowej membrany. Inna sytuacja jest jak laczysz równolegle - tak jak Ty chcesz zrobic z midami. Osiagniesz zysk 3 db z dodatkowej membrany oraz dodatkowe 3 db ze spadku impedancji duetu o połowę - średnica z dwoch midów tak łączonych zagra 6 db głośniej niż z jednego. Bedzie Ci sie to drzeć w stosunku do basu i nie wiem skąd kolesiowi bierze sie tu jakis dodatkowy bas!!! Ale nie to jest najgorsze - łaczysz filtry 8 i 4 ohm na zwrotce po "paraolimpijskich symulacjach".
Jak się pomylisz (a jest spora szansa - wręcz mała jest, że nie) to w miejsach podziału będą gwałtowne spadki impedancji - glosniki w zestawach lączone są równolegle i tylko poprawna zwrotnica "czuwa" nad zbyt duzum nakładaniem sie impedancji.
Wiekszy blad w tej materii i wzmaka będziesz piłował impedancjami 1-2 ohm
Jedni używają sprzętu do słuchania muzyki, drudzy używają muzyki do słuchania sprzętu.
Ja błądzę gdzieś po środku...
Ja błądzę gdzieś po środku...
- kulek123
- Posty: 509
- Rejestracja: 06 gru 2018, 14:58
- Gramofon: SABA PSP 248
- Lokalizacja: Wilków
Re: Kolumny na głośnikach Philipsa – przebudowa
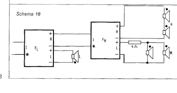
Dzięki za wyjaśnienie, czytając to należałoby po prostu zacząć od początku i oryginalnej zwrotnicy Philipsa. Na zdjęciach poniżej (wkleję jeszcze raz) zwrotnica oryginalna do moich głośników, schemat blokowy z polaryzacją. W oryginalnym układzie to głośnik niskotonowy jest z odwróconą polaryzacją a dwa średniaki 8ohm są połączone równolegle z dodatkowym rezystorem 4ohm. Więc wracamy do punktu wyjścia mam wszystko oprócz wartości elementów dla tego projektu. Z książki wiem również że do tego zestawu Philips sprzedawał gotowe zwrotnice o numerach NL7181 dla basu oraz NL7118 dla średnich i wysokich. Niestety nie udało mi się namierzyć info o wartościach na tych zwrotnicach. Według zebranych danych jestem prawie szczęśliwy, no właśnie prawie.
SABA PSP 248 / PHILIPS 22RH720 / AKAI CD-37 / ADK 3540
- kulek123
- Posty: 509
- Rejestracja: 06 gru 2018, 14:58
- Gramofon: SABA PSP 248
- Lokalizacja: Wilków
Re: Kolumny na głośnikach Philipsa – przebudowa
Wykonałem frezy we frontach pod głośniki i wkleiłem w paczki. Frezowanie z ręki więc będzie wymagało niewielkich poprawek ale to później. Biorę się za tył paczek żeby na gotowo go zrobić. cdn...
SABA PSP 248 / PHILIPS 22RH720 / AKAI CD-37 / ADK 3540
- kulek123
- Posty: 509
- Rejestracja: 06 gru 2018, 14:58
- Gramofon: SABA PSP 248
- Lokalizacja: Wilków
Re: Kolumny na głośnikach Philipsa – przebudowa
Troszkę czasu minęło
ale kolumny gotowe tak w 95%. Obudowy oklejone fornirem orzech amerykański i polakierowane remmersem. Fronty czarne z frezami na głośniki a maskownice montowane na magnesach (tak do końca nie jestem z nich zadowolony) z tyłu założone terminale. Wypełnienie wełna mineralna. Zwrotnica, napiszę może że testowa. Średnio tonowe z odwróconą polaryzacją połączone równolegle bo są 8Ω i szeregowo wpięty rezystor 4Ω. Wszystko na ten moment jest w porządku. Jak to gra? tak jak podejrzewałem
szczegół jest, bas jest świetny i dobrze kontrolowany, ogólnie kolumny po jasnej stronie tak jak lubię. Coś będę jeszcze majstrował w niewielkim stopniu. Nad zwrotnicą jeszcze popracuję wymieniając pojedyncze elementy i słuchając bo na więcej wiedzy i sprzętu pomiarowego nie mam. Teraz muszę nowe podstawki zrobić bo obecne zbyt wysokie i śmiesznie na nich wyglądają bo są wielkie 
SABA PSP 248 / PHILIPS 22RH720 / AKAI CD-37 / ADK 3540
- mrcnoos
- Posty: 4498
- Rejestracja: 26 gru 2018, 08:40
- Gramofon: Składak
- Lokalizacja: pomorskie
- Jozi
- Posty: 2052
- Rejestracja: 28 sty 2022, 02:57
- Gramofon: Sony PS-X60
- Lokalizacja: Pastwiska City
Re: Kolumny na głośnikach Philipsa – przebudowa
Pięknie to wygląda
Pogratulować wykonania.
Zobacz, może wybierzesz gotowe podstawki, ja jeszcze mam pod nimi miejsce na winyle.
https://allegro.pl/oferta/kwietnik-stoj ... 3328676466
Pogratulować wykonania.
Zobacz, może wybierzesz gotowe podstawki, ja jeszcze mam pod nimi miejsce na winyle.
https://allegro.pl/oferta/kwietnik-stoj ... 3328676466
[Sony PS X60,VM540ML, Shure V15III-Sas, Sony XL 45,pre @Jaculek-(Analog)]
[ Tidal Hifi, Wiim Pro Plus, Onkyo 7030C-(Cyfra)] Yamaha A-S701, Heco Professional 650
[ Tidal Hifi, Wiim Pro Plus, Onkyo 7030C-(Cyfra)] Yamaha A-S701, Heco Professional 650
- zelazny
- Posty: 4994
- Rejestracja: 16 sie 2011, 21:00
Re: Kolumny na głośnikach Philipsa – przebudowa
Heh, gratuluję. Ja się boję odkręcić głośnik niskotonowy, coby gniazdo dokręcić...
- konrads0
- Posty: 7827
- Rejestracja: 16 paź 2013, 12:17
- Gramofon: Technics SL 1200Mk2
- Lokalizacja: Wielkopolska centralna