PushPull El84 - AN-L1
-
szczepan_def
- Posty: 825
- Rejestracja: 28 sty 2017, 14:25
- Gramofon: DUAL 455
Re: PushPull El84 - AN-L1
kondziołki wylądowały pod pcb z uwagi na grzanie EL84, zamontowane na płytce z ebonitu
całość trzeba było podnieść na dystansach 40mm - obudowa jest 180mm wiec płytka wejdzie z lampami
próba napięć - żarniki miałem sprawdzone, wiec podłączyłem uzwojenia pierwotne, na wtórne dałem 8r/50w, narazie bez USZ - na zasilaniu mam filt EMI zamiast rezystora R1 w zasilaczu wstawiłem stabilizator z dobranymi zenerkami, wejścia zwarte do masy, napięcia się zgadzają, niestety jak rozpinam kanał bliżej trafa to się wzbudza? słychać z lamp takie bzzzzzzzzzzz, raczej przekracza to 50/100Hz - jutro pomierzę ile "to" ma Hz, jak rozpinam ten drugi kanał to na oscy widzę brum sieciowy 50hz/10mV.
Jakieś sugestie co może być przyczyną takiego wzbudzania się kanału? jakieś zwarcie? żonglowałem lampami ale to nie pomaga, przepinałem anodowe... też lipa
Too many tubes, too little time...
-
zbyszek1982
- Posty: 5029
- Rejestracja: 31 gru 2012, 19:11
Re: PushPull El84 - AN-L1
Wywal na poczatek ten stabilizator i wstaw rezystor jak na schemacie.
Ten niebieski przewód łączy masę płytki z przewodem ochronnym?
Co to za biały przewód z trafa zasilającego?
Ten niebieski przewód łączy masę płytki z przewodem ochronnym?
Co to za biały przewód z trafa zasilającego?
-
szczepan_def
- Posty: 825
- Rejestracja: 28 sty 2017, 14:25
- Gramofon: DUAL 455
Re: PushPull El84 - AN-L1
na rezystorze jest dokładnie to samo i i napięcie 10v większe od schematu.zbyszek1982 pisze: ↑14 wrz 2019, 21:35Wywal na poczatek ten stabilizator i wstaw rezystor jak na schemacie.
tak, GND z ochronnym w punkcie na chassis, tam jeszcze dochodzi ekran z trafazbyszek1982 pisze: ↑14 wrz 2019, 21:35Ten niebieski przewód łączy masę płytki z przewodem ochronnym?
trafko na żarniki 3,15/0/3,15 - środek spięty z podniesieniem potencjału wg. schematu
Too many tubes, too little time...
-
szczepan_def
- Posty: 825
- Rejestracja: 28 sty 2017, 14:25
- Gramofon: DUAL 455
Re: PushPull El84 - AN-L1
najprawdopodobniej wzbudzenie powstaje w ecf 80 - jak powyciągałem lampy mocy i rozwieram wejście to słychać delikatny pisk, na drugim kanale cisza...
bzyczy - trioda czy pentoda? jak to dalej diagnozować, oscyloskop mam wiec coś mogę podziałać ? gdzie najlepiej podłączyć masę sondy żeby sprawdzać nóżki ecf80?
P.S. Korzystając z pięknej pogody zabieram rodzinę na wypad do lasu... miłego popołudnia
bzyczy - trioda czy pentoda? jak to dalej diagnozować, oscyloskop mam wiec coś mogę podziałać ? gdzie najlepiej podłączyć masę sondy żeby sprawdzać nóżki ecf80?
P.S. Korzystając z pięknej pogody zabieram rodzinę na wypad do lasu... miłego popołudnia
Too many tubes, too little time...
-
szczepan_def
- Posty: 825
- Rejestracja: 28 sty 2017, 14:25
- Gramofon: DUAL 455
Re: PushPull El84 - AN-L1
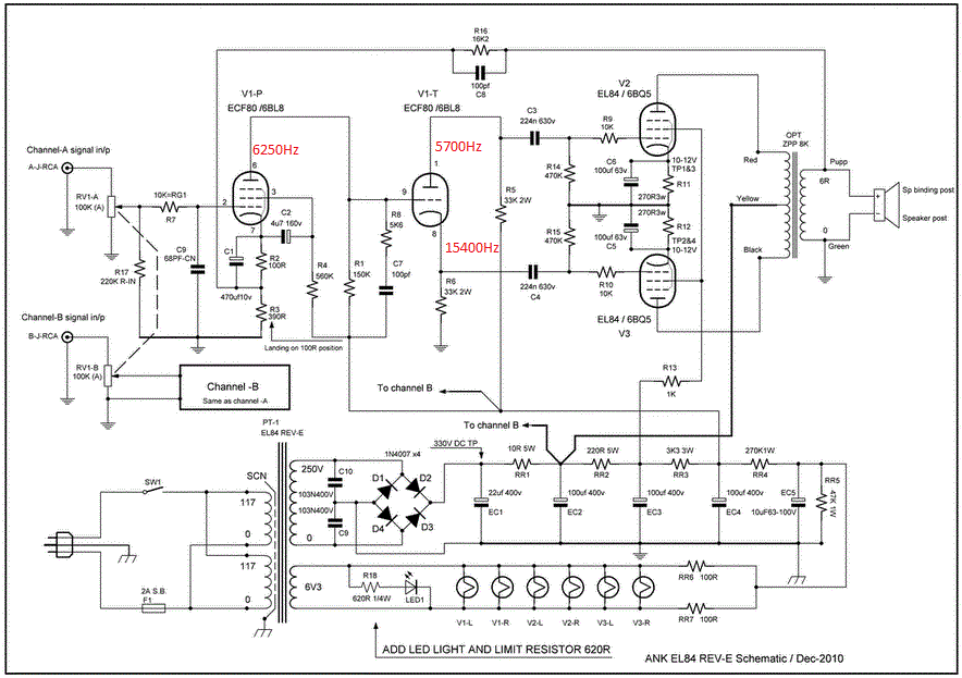
Lampy mocy wyjęte, na otwartym lewym kanale cisza, na otwartym prawym, coś pomierzyłem:
anoda pentody 6 - 8*20us=160us tj. 6250Hz / 120v anoda triody 1 - 3,5*50us=175us tj. 5700Hz / >120v
katoda triody 8 - 1,3*50us=60us tj. 15400Hz / >120v sprawdziłem połączenia i niewiele znalazłem, nie mam pojęcia od czego to się wzbudza... wymiana lamp nie pomaga...
anoda pentody 6 - 8*20us=160us tj. 6250Hz / 120v anoda triody 1 - 3,5*50us=175us tj. 5700Hz / >120v
katoda triody 8 - 1,3*50us=60us tj. 15400Hz / >120v sprawdziłem połączenia i niewiele znalazłem, nie mam pojęcia od czego to się wzbudza... wymiana lamp nie pomaga...
Too many tubes, too little time...
-
zbyszek1982
- Posty: 5029
- Rejestracja: 31 gru 2012, 19:11
Re: PushPull El84 - AN-L1
Nie znam się, to się wypowiem 
Ja bym trochę poprzesuwał elementy w środku:
Zasadniczo sprawdź czy coś się zmieni jak będziesz ruszał tym stabilizatorem i trafem. Może coś zbiera z tych przewodów żarzenia.
Zrób bardziej dokładne zdjęcie płytki, bo na tym wcześniejszym nic nie widać.
Ja bym trochę poprzesuwał elementy w środku:
Zasadniczo sprawdź czy coś się zmieni jak będziesz ruszał tym stabilizatorem i trafem. Może coś zbiera z tych przewodów żarzenia.
Zrób bardziej dokładne zdjęcie płytki, bo na tym wcześniejszym nic nie widać.
-
MISSE
- Posty: 1660
- Rejestracja: 16 cze 2013, 21:59
- Gramofon: Micro Seiki DDX
Re: PushPull El84 - AN-L1
a miało być tak pięknie
jest wiele dużo mniej kapryśnych schematów
walczyłem kiedyś z ecf82 i dopiero zakup jaśków 6u8a rozwiązał moje problemy
ale trzymam kciuki
jest wiele dużo mniej kapryśnych schematów
walczyłem kiedyś z ecf82 i dopiero zakup jaśków 6u8a rozwiązał moje problemy
ale trzymam kciuki
-
zbyszek1982
- Posty: 5029
- Rejestracja: 31 gru 2012, 19:11
Re: PushPull El84 - AN-L1
Mnie się zasadniczo nigdy nic nie wzbudziło. Raz mi otwarty wzmacniacz na stole zapłonął żywym ogniem, ale to odrębna historia 
Zrób te dokładne zdjęcia, może coś się uda wypatrzyć.
Zrób te dokładne zdjęcia, może coś się uda wypatrzyć.
-
szczepan_def
- Posty: 825
- Rejestracja: 28 sty 2017, 14:25
- Gramofon: DUAL 455
Re: PushPull El84 - AN-L1
będę próbował...
a co ma być widać? coś konkretnie? czy całość w lepszej jakości?zbyszek1982 pisze: ↑15 wrz 2019, 19:42Zrób bardziej dokładne zdjęcie płytki, bo na tym wcześniejszym nic nie widać.
jeszcze pięknie będzie, pre Hiragi ujarzmiłem, w sumie dzięki Twoim radom
Too many tubes, too little time...
-
zbyszek1982
- Posty: 5029
- Rejestracja: 31 gru 2012, 19:11
Re: PushPull El84 - AN-L1
O to to.
Wydaje mi się, że gdzieś coś jest nie tak z montażem, albo jakiś element jest wadliwy.
Jakby to było od żarzenia to by było w obydwu kanałach.
Możesz też spróbować zamienić trafa głośnikowe miejscami.
Czyli już jesteś zaprawiony w bojach
-
szczepan_def
- Posty: 825
- Rejestracja: 28 sty 2017, 14:25
- Gramofon: DUAL 455
Re: PushPull El84 - AN-L1
narazie to coś się udało poskładać - zaprawiony to będę po 20latach przedłubanych w lampach
Too many tubes, too little time...
-
szczepan_def
- Posty: 825
- Rejestracja: 28 sty 2017, 14:25
- Gramofon: DUAL 455
Re: PushPull El84 - AN-L1
też już myślałem żeby np. wymienić kondy wkoło tej ecf-ki, o zamienie traf nie pomyślałem... jak nie mam lamp mocy w pcb a ecf się wzbudza wiec chyba trafa nie mają dużo do gadania???zbyszek1982 pisze: ↑15 wrz 2019, 20:09Wydaje mi się, że gdzieś coś jest nie tak z montażem, albo jakiś element jest wadliwy.
no nic... na dziś już tyle... Erykah Badu na dobranoc
Too many tubes, too little time...
-
MISSE
- Posty: 1660
- Rejestracja: 16 cze 2013, 21:59
- Gramofon: Micro Seiki DDX
Re: PushPull El84 - AN-L1
To nie jest tajemnica; Czysty spirytus czyści najlepiej, ale warto wyciągnąć wtyczkęzbyszek1982 pisze: ↑15 wrz 2019, 19:57Raz mi otwarty wzmacniacz na stole zapłonął żywym ogniem, ale to odrębna historia
-
szczepan_def
- Posty: 825
- Rejestracja: 28 sty 2017, 14:25
- Gramofon: DUAL 455
Re: PushPull El84 - AN-L1
wymontowałem kondy sprzęgające, płytkę podpiołem do zasilania poza obudową i jest to samo... jutro ogarnę jakieś konkretne pomiary napięć na nóżkach porównując dwa kanały... + spadki napięć na rezach wkoło tej ecf-ki... nie wiem jak to zdiagnozować inaczej... 
Too many tubes, too little time...
-
szczepan_def
- Posty: 825
- Rejestracja: 28 sty 2017, 14:25
- Gramofon: DUAL 455
Re: PushPull El84 - AN-L1
Jeszcze wczoraj pogrzebałem, dałem rezystory 100k na wejścia - symulując potencjometr vol., lewy cisza, prawy - problem najprawdopodobniej jest w obwodzie siatki wejściowej, siatka n2 pentody pokazuje "prawie" sinus 11400hz/70mV. Siatka n3 i katoda n7 16600hz i 20mV... Mam zrobione wg v1. Mam zamienione rezy r2/r3 spróbuję je odmienić...
przypomnę tylko że mam odpięte kondy sprzęgające/lampy EL wyjęte i odłączone trafa głośnikowe/płytka poza obudową/ten odczep środkowy żarzenia przylutowałem pod płytką...
Za wszystkie pomysły odgeneratorowania tego kanału będę wdzięczny
czy mogę bezpiecznie wyjąć ECF z dobrego kanału i badać tylko ten generujący?
przypomnę tylko że mam odpięte kondy sprzęgające/lampy EL wyjęte i odłączone trafa głośnikowe/płytka poza obudową/ten odczep środkowy żarzenia przylutowałem pod płytką...
Za wszystkie pomysły odgeneratorowania tego kanału będę wdzięczny
czy mogę bezpiecznie wyjąć ECF z dobrego kanału i badać tylko ten generujący?
Ostatnio zmieniony 17 wrz 2019, 16:11 przez szczepan_def, łącznie zmieniany 1 raz.
Too many tubes, too little time...