Wpływ bias na dźwięk wzmacniacza

Żeby nie było za cicho
Awatar użytkownika
chudy_b
Posty: 4160
Rejestracja: 05 lis 2013, 14:54
Lokalizacja: Wólka

Wpływ bias na dźwięk wzmacniacza

#16

Post autor: chudy_b »

caveas pisze:Podniesienie prądu na chwilę do wartości 100mA pozwoli ocenić stan głównych kondensatorów filtrujących.
Radziłbym wcześniej dobrze upewnić się, czy tranzystory mocy taki prąd wytrzymają. Przeważnie takie podkręcanie kończy się uszkodzeniem końcówki.
caveas pisze:Prąd spoczynkowy mierzymy pośrednio badając napięcie na rezystorach emiterowych na emiterach tranzystorów mocy. i=U/R ----> U=I*R
Przykładowo dla prądu spoczynkowego 20mA i Re=0,4 ohm U=8mV
Próby rozłączania obwodu emiterowego i wpinania amperomierza dają duże błędy pomiaru i grożą uszkodzeniem wzmacniacza.
Mierzenie napięcia na rezystorach emiterowych także daje niestety czasem błędny pomiar. Wiąże się to z tolerancją wykonania rezystorów. Zakładamy że one mają np.0,33R, a w rzeczywistości moga mieć 20% więcej. Ale zgadzam się, to jest lepsza i bezpieczniejsza metoda niż często wskazywana w polskich serwisówkach metoda rozłączenia zasilania i mierzenia prądu.
Awatar użytkownika
kaf
Posty: 383
Rejestracja: 15 paź 2012, 17:44
Lokalizacja: Sosnowiec

Wpływ bias na dźwięk wzmacniacza

#17

Post autor: kaf »

chudy_b pisze:Ale zgadzam się, to jest lepsza i bezpieczniejsza metoda niż często wskazywana w polskich serwisówkach metoda rozłączenia zasilania i mierzenia prądu.
Ja częściej spotykam metodę pomiaru napięcia na emiterowych lub pomiaru zn. skrośnych oscyloskopem.
caveas pisze:Gdy są w złym stanie , znaczy się nie daje się regulować (unitra)
A bo to tylko telpody się psują??? Zresztą, tyle ich widziałem i mało który się rozleciał.....
Zestaw 1: Revox B 150, Revox B 260, Revox B 226, Miida M 6000 P + AT 20 SLa, Pylon Opal 20
Zestaw 2: Siemens 777 Series, , Revox A77, Philips CD 303, Radmor LS 10
Awatar użytkownika
caveas
Posty: 605
Rejestracja: 07 sty 2015, 18:32
Gramofon: Telefunken CS20

Wpływ bias na dźwięk wzmacniacza

#18

Post autor: caveas »

Koledzy teoretyzujecie. Wartość prądu spoczynkowego nie jest parametrem krytycznym w konstrukcjach komercyjnych , które mimo traktowania obciążeń z przymrużeniem oka, świadomości , że pełna moc to godzina 5 na "volume", podłączania zestawów 4 ohm do projektów 8 ohm, chwilowych zwarć wyjścia mają przeżyć.
Stabilność parametrów zapewnia i tak głębokie Ujemne Sprzężenie Zwrotne oraz kompensacje częstotliwościowe
Rozrzut parametrów rezystorów emiterowych 5% , Wsp wzmocnienia prądowego beta w funkcji Ic dla + i - połówki różny o 50% przy USZ rzędu 20-40dB owocuje zniekształceniami zredukowanymi do 0,0X%.
A co do prądów max kolektora to nie spotkałem aplikacji HI-FI z tranzystorami o Icmax poniżej 1,5A
O czym my mówimy ? 100mA to 0,1A.
Chociaż, chociaż Gamofon MisterHit miał germanowe tranzystory "mocy" AC180, 181 i dawał w głośnik całe
0,35W !!!! Robiło się nawet na tym prywatki, sorry domówki :D
Oczywiście nie znaczy to że wzmacniacz wciśnięty w szafkę, przykryty serwetką i doniczką nie padnie latem jak go zostawimy na parę godzin z prądem spoczynkowym rzędu 100mA.
Ad PR Telpodu większość np 3015 padała że względu na zardzewiałe lub wręcz rozchwiane suwaki.
Wzbudzenia przegrzania itp
Pomiar napięcia analogowym oscyloskopem jest w przypadku prądu spoczynkowego wystarczająco dokładny nawet z rozrzutem 10%.
JAk widać coś w skrośnych na oscyloskopie po wyregulowaniu parametrów to tylko "nasmarować i do Wisły"
Oscyloskop jest bardziej pożyteczny przy ocenie symetrii obcinania przy przesterowaniu no i
przy sterowaniu prostokątem i poprawianiu parametrów impulsowych.
Nie zawsze to idzie w parze z bezwzględną stabilnością fazowo obciążeniową.
Ale to temat na książkę
Zresztą polecam książki jeszcze z lat 70 A.Witorta i niejakiego Seredy - imienia nie pomnę
tagi: Wzmacniacze elektroakustyczne, HiFI konstruowanie.... konstrukcje
Pewnie ktoś poskanowałi w necie są .
Dobrej muzyki na DoBrAnOc :whistle:
Ar2r
Carver 4000, C-500 Tannoy HPD315A :chores-mowlawn:
Awatar użytkownika
caveas
Posty: 605
Rejestracja: 07 sty 2015, 18:32
Gramofon: Telefunken CS20

Wpływ bias na dźwięk wzmacniacza

#19

Post autor: caveas »

Sorry coś mnie wzięło na pisanie , ale czemu nie siać zapomnianej wiedzy.
Najważniejsze czy udało się wyregulować z powodzeniem ten wzmak i cieszyć się muzyką.
Kolega , któremu pływa "0" -/+ 10mV może się tylko cieszyć, że efektywnie działa mu termoregulacja.
Dla świętego spokoju można sprawdzić/poprawić kontakt termoelementu z radiatorem.
Były rozwiązania różne od najprawidłowszego przykręconego do wspólnego radiatora po jakieś termistory o zupełnie innej charakterystyce niż elementy mocy przyklejone butaprenem do radiatora.
Ar2r
Carver 4000, C-500 Tannoy HPD315A :chores-mowlawn:
chrzan49
Posty: 247
Rejestracja: 18 paź 2010, 08:58

Wpływ bias na dźwięk wzmacniacza

#20

Post autor: chrzan49 »

Mityczny prąd spoczynkowy to temat dla dłubków.Jak słusznie zauważył fachowo przedmówca(przepisacz) w zasadzie nie ma znaczenia wpraktyce na brzmienie ale skutkuje bezpieczeństwem końcówki.Przyjmuje sie dla wielu wzmacniczy n poziomie 10-30 mV moierzonych na rezystorach emiterowych .Małe prady czyli małe napięcia powoduja niewielkie zniekształcenia przy przejściu sinusoidy porzez ) z powodu nienasycenia tranzystora.Wieksze eleiminuja je ale moc tracona w tranzystorach wzrasta i koncówka sie nieco grzeje.Sprawe powinno załatwiaś sprzężenie ale z powodu rozjeżdżania sie parametrów elementów ze starości często nie wystarcza.
To jest kompromis a nie apteka.
Pozdrawiam T
Awatar użytkownika
ŁDŁ
Posty: 640
Rejestracja: 21 lis 2013, 09:23
Lokalizacja: Jaktorów
Kontakt:

Re: Wpływ bias na dźwięk wzmacniacza

#21

Post autor: ŁDŁ »

Prąd spoczynkowy! czy ktoś może zmienić tytuł wątku na polski?

A wracając do tematu :mrgreen:
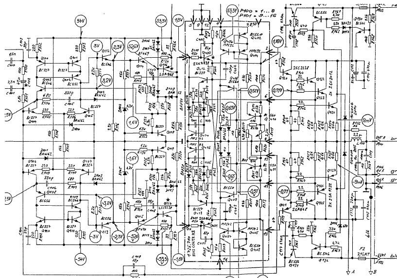
Dla kolegów chętnych mały schemacik.
Ciekawy układ stabilizacji prądu spoczynkowego - prawda! Ano, właśnie - ciekawy z kilku powodów. Zapobieganie przytykaniu tranzystorów, stabilizacja termiczna. Rozebranie na czynniki pierwsze zasady działania jest ciekawe - zapraszam do wytężenia żyłki.
Jak widać byli konstruktorzy przykładający się do tego zadania trochę mocniej niż jeden PR i jeden tranzystor czy kilka diod... :dance:
PS
Układ stabilizacji jest na wyodrębnionej płytce w środku schematu.
Załączniki
Revox B251
Revox B251
Łukasz Długosz
Serwis i projektowanie elektroniki, także audio https://www.facebook.com/ldlelektronika
Prawo Hofstadtera mówi: skomplikowana czynność zawsze zajmie więcej czasu niż zaplanowano także jeśli planując brano pod uwagę prawo Hofstadtera.
ODPOWIEDZ