DirectDrive jak to sie kreci? (Luxman PD-284)
- Krzysztof_67
- Posty: 111
- Rejestracja: 10 sty 2013, 11:39
- Lokalizacja: Łódź
DirectDrive jak to sie kreci? (Luxman PD-284)
Witam,
jestem w trakcie konserwcji Luxmana PD-284. Zastanawia mnie zachowanie silnika DD w tym gramofonie. Otóż silnik bez talerza obraca się z widocznymi przycięciami albo inaczej mówiąc skokami. Wyczyszczenie i nasmarowanie łożyska głównego zmniejszyło ale nie wyeliminowało zjawiska. Po założeniu talerza obroty, dzięki jego bezwładności, sa stabilne (na podstawie obserwacji stroboskopu).
Mam pytanie do forumowiczów posiadających doświadczenie z napędami Direct Drive. Jak zachowują się takie silniki? Czy takie nierównomierne obroty nieobciążonego silnika są prawidłowe?
[youtube]http://www.youtube.com/watch?v=XpCNH5cGZEk[/youtube]
Pozdrawiam
jestem w trakcie konserwcji Luxmana PD-284. Zastanawia mnie zachowanie silnika DD w tym gramofonie. Otóż silnik bez talerza obraca się z widocznymi przycięciami albo inaczej mówiąc skokami. Wyczyszczenie i nasmarowanie łożyska głównego zmniejszyło ale nie wyeliminowało zjawiska. Po założeniu talerza obroty, dzięki jego bezwładności, sa stabilne (na podstawie obserwacji stroboskopu).
Mam pytanie do forumowiczów posiadających doświadczenie z napędami Direct Drive. Jak zachowują się takie silniki? Czy takie nierównomierne obroty nieobciążonego silnika są prawidłowe?
[youtube]http://www.youtube.com/watch?v=XpCNH5cGZEk[/youtube]
Pozdrawiam
- Sindsoron
- Posty: 1346
- Rejestracja: 17 wrz 2010, 13:56
- Lokalizacja: Wrocław
- Kontakt:
DirectDrive jak to sie kreci? (Luxman PD-284)
Ogólnie nie powinieneś uruchamiać silnika bez talerza, bo w taki sposób można go łatwo uszkodzić. Te silniki w taki sposób pracują, im lepszy silnik tym te "skoki" są mniejsze. Wszystko zależy od zaawansowania danego silnika i w jaki sposób jest stabilizowany
Collection
Power Amp: Hitachi HMA-7500
Control Amp: Hitachi HCA-7500
Turntable: Rotel RP-3000 + SME 3009 II Non Improved
Deck: Akai GXC-760D
Speakers: Usher S-520 II
Headphones: Audio-Technica ATH-ES700
Sound Card: Asus Xonar Essence ST
Power Amp: Hitachi HMA-7500
Control Amp: Hitachi HCA-7500
Turntable: Rotel RP-3000 + SME 3009 II Non Improved
Deck: Akai GXC-760D
Speakers: Usher S-520 II
Headphones: Audio-Technica ATH-ES700
Sound Card: Asus Xonar Essence ST
- Krzysztof_67
- Posty: 111
- Rejestracja: 10 sty 2013, 11:39
- Lokalizacja: Łódź
Re: DirectDrive jak to sie kreci? (Luxman PD-284)
Dzięki za szybką odpowiedź. Tak mi się wydawało, że te "skoki" są efektem sterowania silnikiem. Sądziłem jednak, że impulsy sterujące są generowane częściej, a tutaj wręcz to widać... Z tego co piszesz wynika, że silnik Luxmana nie jest zbyt dobry...
Niestety nie mam doświadczenia z DD a ciekaw jestem jak to wygląda w innych gramofonach.... Może inni mogą to porównać ze swoim sprzętem?
Ps.
Dlaczego miałbym uszkodzić silnik uruchamiając go bez talerza?
Pozdrawiam
Niestety nie mam doświadczenia z DD a ciekaw jestem jak to wygląda w innych gramofonach.... Może inni mogą to porównać ze swoim sprzętem?
Ps.
Dlaczego miałbym uszkodzić silnik uruchamiając go bez talerza?
Pozdrawiam
-
eenneell
- Posty: 4157
- Rejestracja: 25 maja 2011, 22:18
- Lokalizacja: K-ków
DirectDrive jak to sie kreci? (Luxman PD-284)
Bo tak twierdzi SindsoronKrzysztof_67 pisze:Ps.
Dlaczego miałbym uszkodzić silnik uruchamiając go bez talerza?
- Sindsoron
- Posty: 1346
- Rejestracja: 17 wrz 2010, 13:56
- Lokalizacja: Wrocław
- Kontakt:
DirectDrive jak to sie kreci? (Luxman PD-284)
Choćby przez zbyt duży moment obrotowyKrzysztof_67 pisze:Ps.
Dlaczego miałbym uszkodzić silnik uruchamiając go bez talerza?
Collection
Power Amp: Hitachi HMA-7500
Control Amp: Hitachi HCA-7500
Turntable: Rotel RP-3000 + SME 3009 II Non Improved
Deck: Akai GXC-760D
Speakers: Usher S-520 II
Headphones: Audio-Technica ATH-ES700
Sound Card: Asus Xonar Essence ST
Power Amp: Hitachi HMA-7500
Control Amp: Hitachi HCA-7500
Turntable: Rotel RP-3000 + SME 3009 II Non Improved
Deck: Akai GXC-760D
Speakers: Usher S-520 II
Headphones: Audio-Technica ATH-ES700
Sound Card: Asus Xonar Essence ST
- Krzysztof_67
- Posty: 111
- Rejestracja: 10 sty 2013, 11:39
- Lokalizacja: Łódź
Re: DirectDrive jak to sie kreci? (Luxman PD-284)
Sindsoron, jak dla mnie zbyt ogólnie. Mógłbyś precyzyjniej opisać mechanizm powstania uszkodzenia?Choćby przez zbyt duży moment obrotowy
- Wojtek
- Administrator
- Posty: 44433
- Rejestracja: 02 lut 2009, 02:59
- Lokalizacja: Warszawa
- Kontakt:
DirectDrive jak to sie kreci? (Luxman PD-284)
Nie zapominaj o układzie stabilizacji obrotów.Krzysztof_67 pisze:Sądziłem jednak, że impulsy sterujące są generowane częściej, a tutaj wręcz to widać... Z tego co piszesz wynika, że silnik Luxmana nie jest zbyt dobry...
Po co? Skoki są, bo stabilizacja działa. Im precyzyjniejszy silnik i układ tym bardziej płynnie to wszystko chodzi.Krzysztof_67 pisze:Niestety nie mam doświadczenia z DD a ciekaw jestem jak to wygląda w innych gramofonach.... Może inni mogą to porównać ze swoim sprzętem?
Jednak w przypadku gramofonu patrzenie na silnik bez talerza i szukanie w ten sposób problemów uważam za zupełnie nietrafione.
Luxman PD-284 nie ma kiepskiego napędu. Raczej nie masz czego się obawiać.
Tubylcza wredota, tudzież insza kanalia
Wsparcie finansowe forum
Wsparcie finansowe forum
- Krzysztof_67
- Posty: 111
- Rejestracja: 10 sty 2013, 11:39
- Lokalizacja: Łódź
Re: DirectDrive jak to sie kreci? (Luxman PD-284)
Właśnie po to żeby rozwiać moje wątpliwości założyłem ten temat. Z tego co udało mi się wygooglać to silniki DD w gramofonach pozbawione talerza kręcą sie bez widocznych skoków. Niestety tych materiałów jest bardzo mało (znalazłem raptem 2 filmiki na których przy okazji było widać pracę silnika) stąd pytanie do właścicieli takich gramofonów.
Uważam, że pierwszą czynnością podczas serwisu różnego rodzaju urządzeń jest po prostu obejrzenie ich w poszukiwaniu widocznych usterek.
Załóżmy, że w silniku będzie uszkodzona jedna cewka lub tranzystor sterujący, czy w tym przypadku przy założonym talerzu cokolwiek zauważysz? Prawdopodobnie nie bo dzięki dużej bezwładności talerza wszystko będzie "prawidłowo" funkcjonować. Dlatego warto przyglądać sie i porównywać takie przypadki. Alternatywą jest obstawienie sie miernikami i rozbieranie urządzenia w celu przeprowadzenia odpowiednich pomiarów. Można i tak tyle, że to jest droga i czasochłonna zabawa.
Zdaję sobie sprawę, że PD-284 nie jest złym gramofonem i właśnie dlatego zaniepokoiło mnie zachowanie silnika. Nie spodziewałem się aż tak widocznej pracy układu sterowania silnikiem. Moje podejrzenie padło na jedną z cewek lub ich sterowanie, a że nie miałem możliwości wykonania pomiarów to zadałem proste pytanie na forum.
Uważam, że pierwszą czynnością podczas serwisu różnego rodzaju urządzeń jest po prostu obejrzenie ich w poszukiwaniu widocznych usterek.
Załóżmy, że w silniku będzie uszkodzona jedna cewka lub tranzystor sterujący, czy w tym przypadku przy założonym talerzu cokolwiek zauważysz? Prawdopodobnie nie bo dzięki dużej bezwładności talerza wszystko będzie "prawidłowo" funkcjonować. Dlatego warto przyglądać sie i porównywać takie przypadki. Alternatywą jest obstawienie sie miernikami i rozbieranie urządzenia w celu przeprowadzenia odpowiednich pomiarów. Można i tak tyle, że to jest droga i czasochłonna zabawa.
Zdaję sobie sprawę, że PD-284 nie jest złym gramofonem i właśnie dlatego zaniepokoiło mnie zachowanie silnika. Nie spodziewałem się aż tak widocznej pracy układu sterowania silnikiem. Moje podejrzenie padło na jedną z cewek lub ich sterowanie, a że nie miałem możliwości wykonania pomiarów to zadałem proste pytanie na forum.
- Wojtek
- Administrator
- Posty: 44433
- Rejestracja: 02 lut 2009, 02:59
- Lokalizacja: Warszawa
- Kontakt:
DirectDrive jak to sie kreci? (Luxman PD-284)
To zależy też od tego jaki to gramofon i jak ma rozwiązany układ stabilizacji obrotów.Krzysztof_67 pisze:Z tego co udało mi się wygooglać to silniki DD w gramofonach pozbawione talerza kręcą sie bez widocznych skoków.
Na przykład taki Sony badał prędkość obrotową na podstawie odczytu głowicy magnetycznej. Bez talerza na osi silnika, głowica nie miała co odczytać, więc układ stabilizacji został w efekcie wyłączony, przez co oś silnika obracała się bez skoków.
Tak więc nie można tych rzeczy w prosty sposób generalizować
Umówmy się, że po kiepskiej jakości klipach w sieci raczej ciężko oceniać tego typu rzeczyKrzysztof_67 pisze:(znalazłem raptem 2 filmiki na których przy okazji było widać pracę silnika)
Nawet na Twoim klipie ledwo zauważalne jest to o czym wspominasz.
W silniku?Krzysztof_67 pisze:lub tranzystor sterujący
Nie, nie warto, jeśli wszystko jest w porządku, a tak pewnie jest i tutaj.Krzysztof_67 pisze:Dlatego warto przyglądać sie i porównywać takie przypadki.
A zarazem porządna, właściwa i pewniejsza niż "na oko/ucho"Krzysztof_67 pisze:Alternatywą jest obstawienie sie miernikami i rozbieranie urządzenia w celu przeprowadzenia odpowiednich pomiarów. Można i tak tyle, że to jest droga i czasochłonna zabawa.
Tubylcza wredota, tudzież insza kanalia
Wsparcie finansowe forum
Wsparcie finansowe forum
- Winters
- Posty: 2801
- Rejestracja: 10 kwie 2011, 11:29
- Lokalizacja: prawie Łódź
DirectDrive jak to sie kreci? (Luxman PD-284)
U mnie nie ma skoków, stabilizacja jest przez generator częstotliwości, o ile dobrze pamiętam.
DIOMEDES KATO
-
Pilot
- Posty: 769
- Rejestracja: 03 mar 2013, 09:10
DirectDrive jak to sie kreci? (Luxman PD-284)
Wojtek Ci dobrze pisze.
U mnie w pd282 widać że obroty falują, oczywiście bez talerza. Z talerzem wsio jest ok.
U mnie w pd282 widać że obroty falują, oczywiście bez talerza. Z talerzem wsio jest ok.
- Wojtek
- Administrator
- Posty: 44433
- Rejestracja: 02 lut 2009, 02:59
- Lokalizacja: Warszawa
- Kontakt:
DirectDrive jak to sie kreci? (Luxman PD-284)
Dobrze pamiętaszWinters pisze:stabilizacja jest przez generator częstotliwości, o ile dobrze pamiętam.
Tubylcza wredota, tudzież insza kanalia
Wsparcie finansowe forum
Wsparcie finansowe forum
- arturromarr
- Posty: 134
- Rejestracja: 09 sie 2012, 22:53
- Lokalizacja: Łódź
Re: DirectDrive jak to sie kreci? (Luxman PD-284)
Silnik DD ze stabilizacją obrotów poprzez tzw. sprzężenie zwrotne z czujnikiem obrotów jak w paskowych napędach byłby dziwną konstrukcją i przekreślającą zalety tego napędu.
One nie potrzebują klasycznej stabilizacji obrotów i są "taktowane" generatorem w nowszych konstrukcjach kwarcowym w starszych pewnie jakieś RC.
Jest to tzw. otwarty układ regulacji i w tym przypadku wystarczający ponieważ talerz wykonuje identyczny ruch jak pole magnetyczne w cewkach silnika.
Sam generator elektroniczny po dostrojeniu częstotliwość (w RC manualnie, w kwarcowych fabrycznie) jest precyzyjny i nie wymaga dodatkowego sprzężenia.
Mechanika nie wprowadza zakłóceń, gdyż magnesy podążają sztywno za zmieniającym się polem magnetycznym w cewkach.
Skoki silnika bez masy mogą byś spowodowane tym, że są już słabsze któreś cewki, lub magnesy, ale dopóki całość nie "gubi kroku" to powinno dobrze trzymać obroty z masą.
One nie potrzebują klasycznej stabilizacji obrotów i są "taktowane" generatorem w nowszych konstrukcjach kwarcowym w starszych pewnie jakieś RC.
Jest to tzw. otwarty układ regulacji i w tym przypadku wystarczający ponieważ talerz wykonuje identyczny ruch jak pole magnetyczne w cewkach silnika.
Sam generator elektroniczny po dostrojeniu częstotliwość (w RC manualnie, w kwarcowych fabrycznie) jest precyzyjny i nie wymaga dodatkowego sprzężenia.
Mechanika nie wprowadza zakłóceń, gdyż magnesy podążają sztywno za zmieniającym się polem magnetycznym w cewkach.
Skoki silnika bez masy mogą byś spowodowane tym, że są już słabsze któreś cewki, lub magnesy, ale dopóki całość nie "gubi kroku" to powinno dobrze trzymać obroty z masą.
- Krzysztof_67
- Posty: 111
- Rejestracja: 10 sty 2013, 11:39
- Lokalizacja: Łódź
Re: DirectDrive jak to sie kreci? (Luxman PD-284)
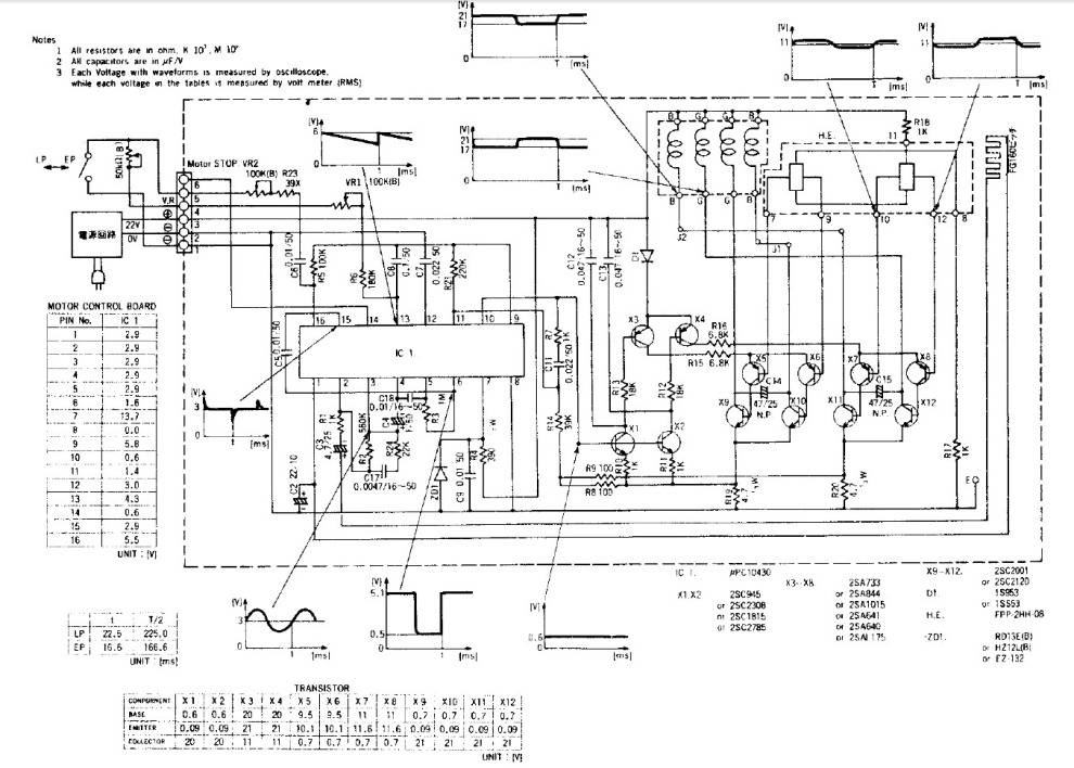
Hmm... w takim razie silnik tego Luxmana jest dziwny bo nie widzę tu generatora natomiast doskonale widać czujnik obrotów i liniową regulację prędkości obrotowej silnika (w załączeniu schemat silnika dla zainteresowanych).
Jak widać w przyrodzie występuje wiele róznych rozwiązań sterowania silnikami i nie można części z nich z góry skazywać na niebyt bo "coś przekreślają"
Jak widać w przyrodzie występuje wiele róznych rozwiązań sterowania silnikami i nie można części z nich z góry skazywać na niebyt bo "coś przekreślają"
- Wojtek
- Administrator
- Posty: 44433
- Rejestracja: 02 lut 2009, 02:59
- Lokalizacja: Warszawa
- Kontakt:
DirectDrive jak to sie kreci? (Luxman PD-284)
Niezła bzdura, muszę przyznać.arturromarr pisze:Silnik DD ze stabilizacją obrotów poprzez tzw. sprzężenie zwrotne z czujnikiem obrotów jak w paskowych napędach byłby dziwną konstrukcją i przekreślającą zalety tego napędu.
Może inaczej... "klasyczne gramofony" częstokroć nawet nie mają żadnego układu stabilizacji obrotów, a przy napędzie DD chyba każdy jednak taki układ ma. Wyciągnij z tego wnioski w kontekście potrzeby zastosowania.arturromarr pisze:One nie potrzebują klasycznej stabilizacji obrotów
Tak jest.Krzysztof_67 pisze:Jak widać w przyrodzie występuje wiele róznych rozwiązań sterowania silnikami i nie można części z nich z góry skazywać na niebyt bo "coś przekreślają"
To mi się kojarzy z jednym Panem posiadającym zmieniarkę Technicsa (z napędem DD, ale bez kwarcu), który wszedł w polemikę na ten temat i nie mogło do niego za bardzo dotrzeć, że napęd kwarcowy tak naprawdę nie wymaga ingerencji użytkownika w "dostrajanie" prędkości obrotowej. Brał wszystko z perspektywy swoich gramofonów z generatorem częstotliwości
Tubylcza wredota, tudzież insza kanalia
Wsparcie finansowe forum
Wsparcie finansowe forum