Recap zwrotnic B&W Matrix 802 S2

Klamoty domowej roboty
ODPOWIEDZ
Awatar użytkownika
Biogon
Posty: 1912
Rejestracja: 17 lut 2017, 15:30
Gramofon: składak
Lokalizacja: 3ka

Recap zwrotnic B&W Matrix 802 S2

#1

Post autor: Biogon »

Zabrałem się za zwrotnice. Kolumny są z 1990 roku. Na pierwszy ogień zamówiłem elektrolity. Chcę wymienić te czarne, które widać na fotce: 6, 63 i 2x100 uF. Niestety 6 i 63 nie występują w normalnych cenach więc zamówiłem:

Mundorf Ecap Audio 70V PLAIN 5%
2,7uF + 3,3uF = 6uF

Jantzen Audio Premium ELKO - 70VDC 5%
56uF + 6,8uF = 62,8uF (prawie 63 :)
100uF - jest dostępne

Jedna setka jest od niskotonowego a pozostałe trzy odpowiadają za średnicę, i to właśnie chciałbym poprawić. Mi jej trochę brakuje, szczególnie po starych KEF-ach. Powiedzcie proszę czy oprócz tych elektrolitów jeszcze powiniennem coś wymienić, czy dać spokój?

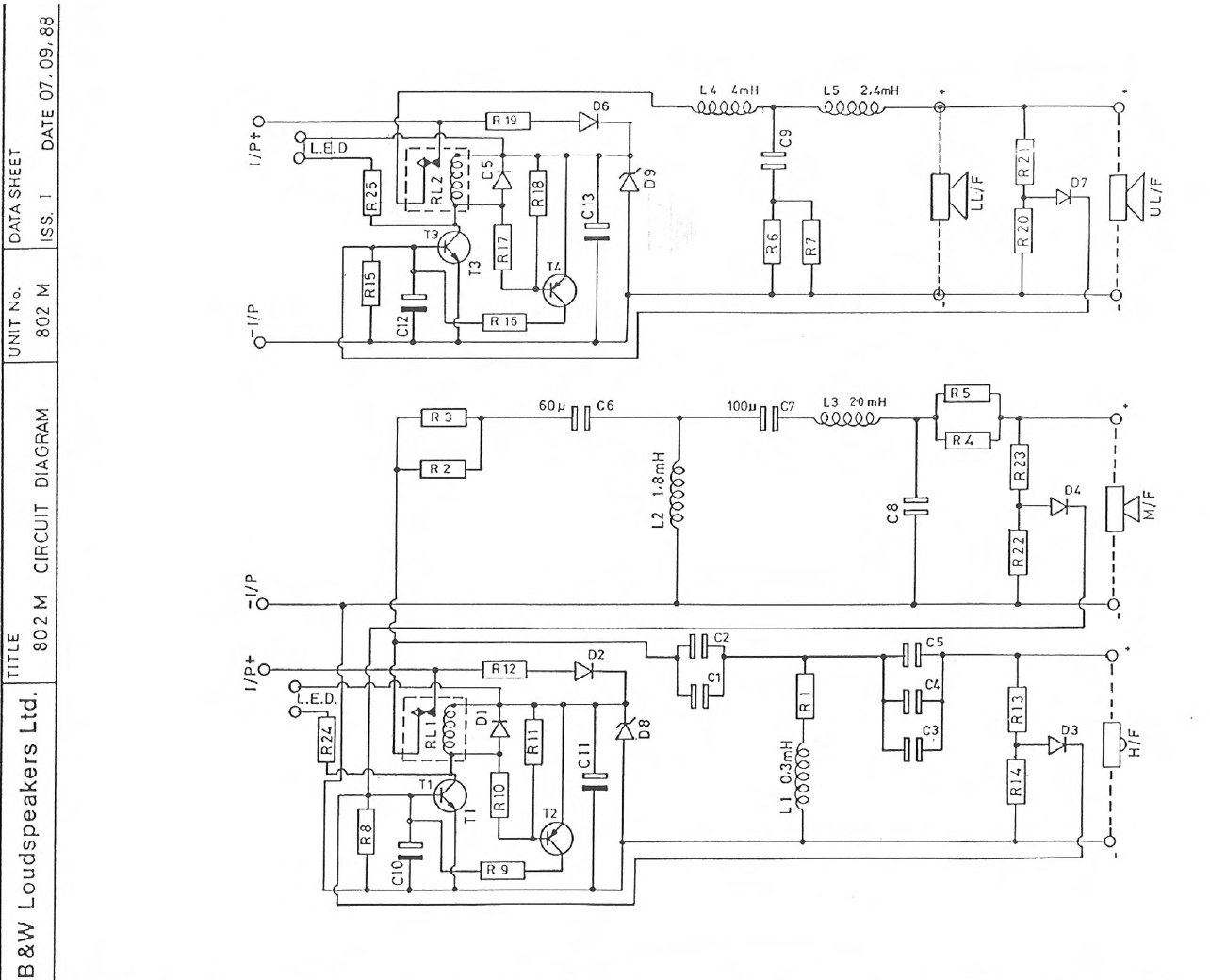
Kolejną rzeczą nad którą się zastanawiam jest system APOC, który zapobiega spaleniu głośników. Zauważyłem, że powszechne jest wycinanie tego układu. Także ostatnia seria Matrixów, S3 już fabrycznie go nie miała. Jednak fajnie jest mieć bezpiecznik ;) szczególnie gdy wysokotonówki do tego modelu są już nie do dostania. Czy ten układ rzeczywiście bardzo degraduje dźwięk? Oryginalnie były to monitory studyjne więc chyba aż tak źle nie powinno być? Schemat w załączeniu.
Załączniki
XO_small.jpeg
XO_SCHEMAT.png
XO_LISTA.png
Awatar użytkownika
Cracker
Posty: 10832
Rejestracja: 29 gru 2012, 20:16

Re: Recap zwrotnic B&W Matrix 802 S2

#2

Post autor: Cracker »

Biogon pisze:
12 lut 2019, 09:31
Jedna setka jest od niskotonowego a pozostałe trzy odpowiadają za średnicę, i to właśnie chciałbym poprawić.
Fajnie by było wymienić wszystko co planujesz najpierw w jednej i porównać jak to wpłynęło na brzmienie.
Będę śledził wątek bo też miałem zamiar podłubać w moich wiekowych Infinity. :)
Just take those old records off the shelf
I'll sit and listen to 'em by myself
Today's music ain't got the same soul
I like that old time rock and roll
Awatar użytkownika
tuczi77
Posty: 1718
Rejestracja: 26 paź 2017, 15:16
Gramofon: Kenwood KD-7010
Lokalizacja: Wrocław

Re: Recap zwrotnic B&W Matrix 802 S2

#3

Post autor: tuczi77 »

To ja też sobie pośledzę, bo moje kolumny to już 40-letnie Cantony i też mają wbudowany układ zabezpieczający z bezpiecznikiem :think:
Kenwood KD-7010 | Goldring 1042 | Schiit Mani | Kenwood KA-801 | Canton GLE 100
Awatar użytkownika
Biogon
Posty: 1912
Rejestracja: 17 lut 2017, 15:30
Gramofon: składak
Lokalizacja: 3ka

Re: Recap zwrotnic B&W Matrix 802 S2

#4

Post autor: Biogon »

Po tym jak zrecapowałem prawie 50-letnie KEF-y Concerto i usłyszałem olbrzymią różnicę też jestem bardzo ciekawy efeku w przypadku tych maleństw :)
Awatar użytkownika
Myszor
Posty: 11085
Rejestracja: 30 paź 2014, 18:44
Gramofon: PD-300
Lokalizacja: Wrocław

Re: Recap zwrotnic B&W Matrix 802 S2

#5

Post autor: Myszor »

Bedę obserwował bo też walczę ;)

I pytania mam od razu:

- dlaczemu elektrolity a nie polipropyleny
- niskotonowa setka - zauważyłem że w titanach oryginalnie ta pojemność jest poskładana z mniejszych kondów i się zastanawiam czy po to by szybciej się ładowało/rozładowywało czy że takiego wielkiego nie mieli albo chcieli płytkę w ryzach utrzymać gabarytowo
Płyty na sprzedaż: viewtopic.php?t=21850
Awatar użytkownika
Biogon
Posty: 1912
Rejestracja: 17 lut 2017, 15:30
Gramofon: składak
Lokalizacja: 3ka

Re: Recap zwrotnic B&W Matrix 802 S2

#6

Post autor: Biogon »

Myszor pisze:
12 lut 2019, 14:03
I pytania mam od razu:
Na razie chcę zachować oryginalną zwrotnicę tak jak była zaprojektowana - powrót do parametrów fabrycznych, tylko na lepszych komponentach. Jednocześnie poluję na ebajach, na drugą parę zwrotnic z którą będę mógł ewentualnie poeksperymentować. Tak zamo zrobiłem z KEF-ami. W pierwszej iteracji elektolity a w drugiej już polipropyleny.
Awatar użytkownika
Myszor
Posty: 11085
Rejestracja: 30 paź 2014, 18:44
Gramofon: PD-300
Lokalizacja: Wrocław

Re: Recap zwrotnic B&W Matrix 802 S2

#7

Post autor: Myszor »

Tak samo chciałem zrobić z vulkanami ale kupiłem zwrotki które okazały się być inne :lol:
Zatem odpuściłem eksperymenta bo grają świetnie in są oryginalne.
W titanach zrobię jak ty. Odbuduję wg schematu na dobrych częściach.
Widziałeś jak tam ktoś się popisał :lol:
Płyty na sprzedaż: viewtopic.php?t=21850
Awatar użytkownika
Biogon
Posty: 1912
Rejestracja: 17 lut 2017, 15:30
Gramofon: składak
Lokalizacja: 3ka

Re: Recap zwrotnic B&W Matrix 802 S2

#8

Post autor: Biogon »

Myszor pisze:
12 lut 2019, 19:31
Widziałeś jak tam ktoś się popisał
Widziałem... :shock:
Awatar użytkownika
Biogon
Posty: 1912
Rejestracja: 17 lut 2017, 15:30
Gramofon: składak
Lokalizacja: 3ka

Re: Recap zwrotnic B&W Matrix 802 S2

#9

Post autor: Biogon »

Dzisiaj nastąpił tzw. RECAP :D

Średnica ożyła, JEST nareszcie i na dodatek jest bardzo dobra. Wymieniłem 4 elektrolity z czego 3 odpowiadały za średnie tony. Jeden był z sekcji niskotonowej. Tak jak poradził @Cracker po zrobieniu jednej strony odpaliłem sprzęt i posłuchałem. Różnica była ogromna, gdybym miał balans we wzmaku to pomyślałbym że niechcący się przekręcił na prawo... Postanowiłem nie ruszać reszty. Gra zajebiście! BTW, całe oryginalne okablowanie wewnętrzne jest sygnowane Van den Hul, co ucieszyło mnie niezmiernie :D

Wniosek jest jeden:

W STARYCH KOLUMNACH OBOWIĄZKOWO NALEŻY WYMIENIĆ ELEKTROLITY !!!

:whistle:
Załączniki
IMG_7987.jpg
IMG_7991.jpg
Awatar użytkownika
Biogon
Posty: 1912
Rejestracja: 17 lut 2017, 15:30
Gramofon: składak
Lokalizacja: 3ka

Re: Recap zwrotnic B&W Matrix 802 S2

#10

Post autor: Biogon »

I jeszcze pytanie do znających się na rzeczy kolegów. Trzy kondensatory zaznaczone na zdjęciu (C3, C4, C5), według serwisówki to "Polyester 100V (SU)".

https://radio-electronics.com/info//dat ... acitor.php

Czy te konkretne to jakiś badziew? W starszych rocznikach były trochę inne, obłe i brązowe plus biały maluch (2 fotka). W nowszych, począwszy od 1990 roku dawali większe, białe plus jeden brązowy. Te nowsze są jakieś lepsze? Warto wymienić? Jak dla mnie góra gra bardzo OK, nie mam żadnych zastrzeżeń ale oczywiście już mnie korci aby coś ulepszyć ;)

Czy coś takiego? https://allegro.pl/oferta/jantzen-audio ... 7663658290

czy np. stary wojskowy Miflex? https://allegro.pl/oferta/kondensator-m ... 7788940631

Czy dać spokój i zostawić tak jak jest?
Załączniki
HF.png
HF.png (216.23 KiB) Przejrzano 2685 razy
xo_old.png
xo_old.png (141.41 KiB) Przejrzano 2685 razy
Awatar użytkownika
BlackDevil
Posty: 664
Rejestracja: 12 gru 2017, 19:48
Gramofon: S600

Re: Recap zwrotnic B&W Matrix 802 S2

#11

Post autor: BlackDevil »

Polyester się niespcjalnie nadaje do przenoszenia wysokich częstotliwosci lepsze będą z polistyrenu poszerzą pasmo przenoszenia i zmiejszą straty czyli bedzie jeszcze więcej szczegòłòw ;) ale nie znajdziesz takich pojemnosci chyba że radzieckie nosy alternatywa polipropylen tego pełno z ròżnymi dodatkami złoto srebro itp.
zbyszek1982
Posty: 5022
Rejestracja: 31 gru 2012, 19:11

Re: Recap zwrotnic B&W Matrix 802 S2

#12

Post autor: zbyszek1982 »

Te Bennici to dosyć badziewne kondensatory. Ecapy z Mundorfa i te Jantzeny biją je na głowę.

Tych poliestrowych bym nie ruszał. Jantzeny się nie zmieszczą, bo są wielkie.
Awatar użytkownika
Biogon
Posty: 1912
Rejestracja: 17 lut 2017, 15:30
Gramofon: składak
Lokalizacja: 3ka

Re: Recap zwrotnic B&W Matrix 802 S2

#13

Post autor: Biogon »

zbyszek1982 pisze:
14 lut 2019, 10:21
Te Bennici to dosyć badziewne kondensatory.
Pomierzyłem stare kondensatory na dobrym sprzęcie. Jest spory rozrzut a wartości wyższe niż nominalne.

Nominalnie - Pomierzone

100uF - 118uF
100uF - 140uF
100uF - 115uF
100uF - 105uF
63uF - 70uF
63uF - 67uF
6UF - 5,84uF
6uF - 5,77uF
Załączniki
IMG_8075.jpg
Awatar użytkownika
chudy_b
Posty: 4159
Rejestracja: 05 lis 2013, 14:54
Lokalizacja: Wólka

Re: Recap zwrotnic B&W Matrix 802 S2

#14

Post autor: chudy_b »

Biogon pisze:
20 lut 2019, 09:40
Jest spory rozrzut a wartości wyższe niż nominalne
Wcale nie taki spory. Kondensatory przeważnie (sprawne) mają wyższą pojemność od nominalnej. 20% to tolerancja jak najbardziej akceptowalna. Jeden Ci tam trochę odbiega. Ten 140uF. Ważnym parametrem na który powinieneś zwrócić uwagę, to ESR. Na zdjęciu widac 0,5R dla 67uF. To bardzo dobry wynik. Sprawdź pozostałe pod tym kątem, bo to że kondensator trzyma pojemność, może nic nie znaczyć jeśli ma wysokie ESR.
Awatar użytkownika
Biogon
Posty: 1912
Rejestracja: 17 lut 2017, 15:30
Gramofon: składak
Lokalizacja: 3ka

Re: Recap zwrotnic B&W Matrix 802 S2

#15

Post autor: Biogon »

Już po ptakach, kondy poszły do śmieci. Według oryginalnej specyfikacji powinny mieć tolerancję 5%.
ODPOWIEDZ