Przeróbka wejścia Line na wejście phono ker

Klamoty domowej roboty
ODPOWIEDZ
Awatar użytkownika
caveas
Posty: 605
Rejestracja: 07 sty 2015, 18:32
Gramofon: Telefunken CS20

Przeróbka wejścia Line na wejście phono ker

#1

Post autor: caveas »

Właśnie nabyłem wkładkę Dual CDS650 CERAMICZNĄ! czyli piezo. :think:
Do kolekcji i do sprawdzenia jak to kiedyś brzmiało. Nowe igły można za grosze kupić.
Przy okazji kolejny temat dla pogromcy mitów.
"Szafir milej dla ucha brzmi niż diament stosowany w papierze ściernym czy diaksie" :doh:

To póżniej a teraz pytanie:
Czy ktoś ma lepszy pomysł niż ja?
Jak prowizorycznie przerobić wejście line o parametrach 200mV/50kohm
na 0,1 do 0,5V /1Mohm/200pF.
:think:
Taka prowizorka to wstawienie w kabel cinch przy wejściu do wzmacniacza rezystorów w szereg o wartości ~0,5Mohm do 1Mohm.
Co prawda uzyskamy czułość. od 2,2V do 4,2V
To w najlepszym przypadku 30dB za mała czułość; ale do pierwszych prób?
Układy RC upodabniające wkładki mic od Misterhita do parametrów wejścia phono MM przerabiałem w '70 latach i nie byłem z nich zadowolony.
Czy może ktoś ma sprawdzony układ?

Podstawowe parametry wkładki 650:
poziom sygnału 65mV/1Mohm/200pF
compilance 6 (podobna jak w DL103)
sugerowany nacisk 4G - szoku nie ma - płyty nie zaorze.
masa wkładki 3,8g - leciutka bo nie ma cewek i magnesów.
Ar2r
Carver 4000, C-500 Tannoy HPD315A :chores-mowlawn:
MISSE
Posty: 1662
Rejestracja: 16 cze 2013, 21:59
Gramofon: Micro Seiki DDX

Re: Przeróbka wejścia Line na wejście phono ker

#2

Post autor: MISSE »

to bardzo proste rozwiązanie w pre lampowym, usuwasz korekcję riaa i rezystor wejściowy 47k zastępujesz 3,3M
i gotowe

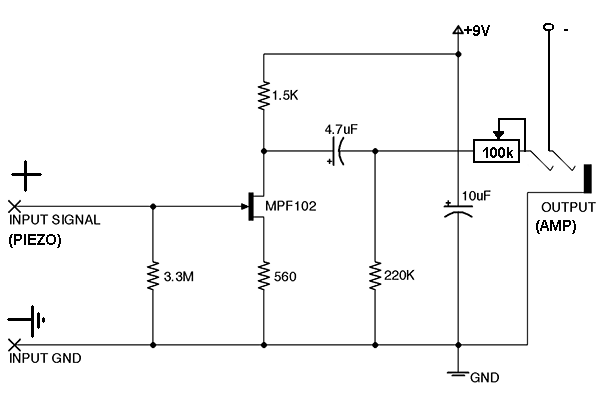
albo mała przystawka z baterią 9V
1wersja z tranzystorem polowym (do gitary ideał do wkładki pewne wady)
2wersja z wzmacniaczem operacyjnym(trochę lepsza kostka z mniejszym napięciem zasilania i bateria da radę) :lol:
Oczywiście fotki nie w tej kolejności i podpinamy pod wejście liniowe :pray:
Załączniki
piezo 2.gif.jpg
piezo 1.gif
Awatar użytkownika
caveas
Posty: 605
Rejestracja: 07 sty 2015, 18:32
Gramofon: Telefunken CS20

Re: Przeróbka wejścia Line na wejście phono ker

#3

Post autor: caveas »

układ z polowym rzeczywiście do gitary bez dbania o poziom zniekształceń.
Chyba zmontuję sobie na pająku wtórniczek wg schematu Whitea oczywiście na polskich BC bo mam ich jeszcze z garść. Zasilanie z 12V acc żelowy i po kłopocie z zasilaczem

Albo zmobilizuję się i uruchomię swój wzmacniacz ukończony w 78r .
Ma oczywiście wejście do wkładki piezo. Przynajmniej nie będzie kłopotu z przejściówkami DIN5 a i " o|" też się znajdzie.
Ar2r
Carver 4000, C-500 Tannoy HPD315A :chores-mowlawn:
MISSE
Posty: 1662
Rejestracja: 16 cze 2013, 21:59
Gramofon: Micro Seiki DDX

Re: Przeróbka wejścia Line na wejście phono ker

#4

Post autor: MISSE »

Większość buforów lampowych też się nada

modyfikujemy tylko wejściową rezystancję, a układów na ecc88 jest tysiące :mrgreen:
ODPOWIEDZ