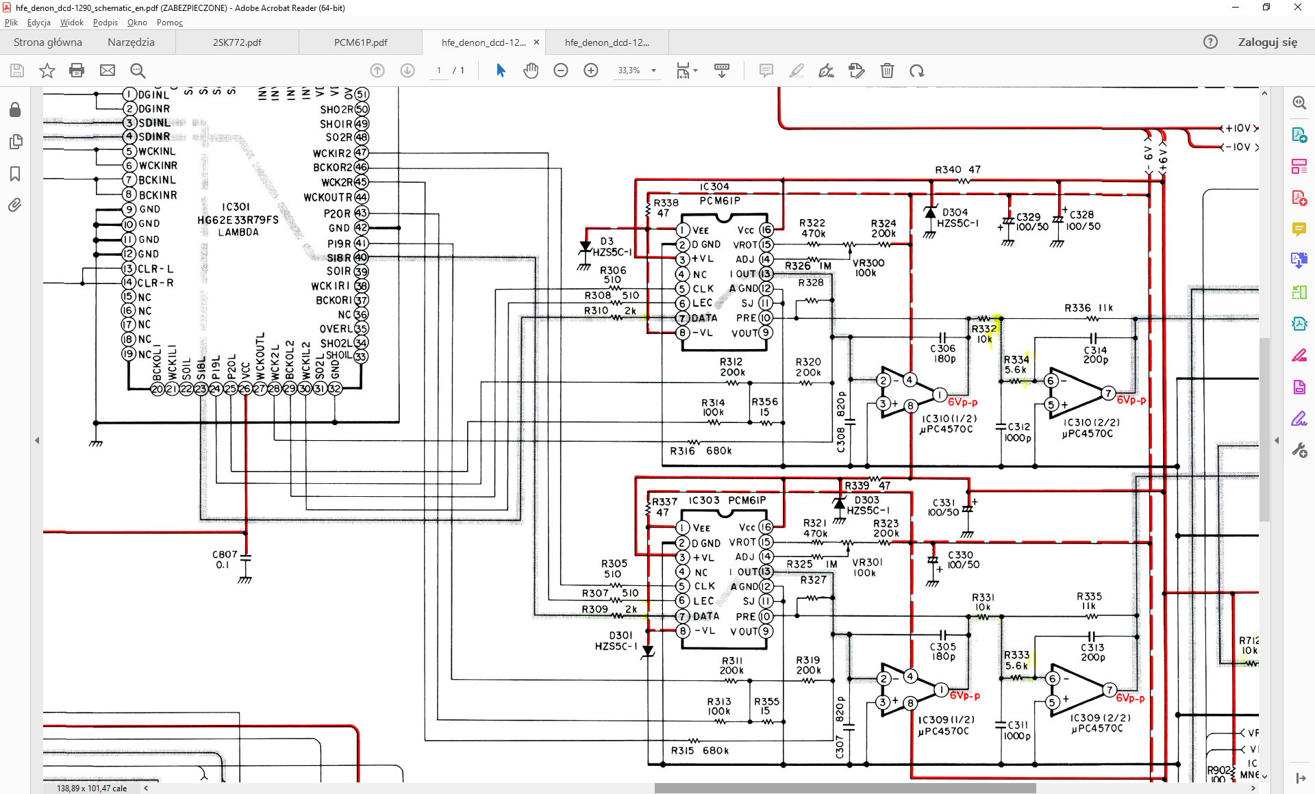
No właśnie Danonek wykorzystuje wyjście prądowe, a mimo tosygnał do tego pinu 10 idzie
Tranzystorator (albo tranzystoryzacja DAC)
- Jaculek
- Posty: 2293
- Rejestracja: 27 cze 2012, 08:57
- Gramofon: Dual 704, 721
- Lokalizacja: Świętochłowice
Re: Tranzystorator (albo tranzystoryzacja DAC)
Analog: Dual 704&721+DenonDL301/ShureV15III/Dual M20E/OrtofonMC-20>HeadamP >PreamP DP > DH-101 > DH-220 > Monitor Audio RX6/Beyerdynamic DT 880
Cyfra: Arcam FMJ CD17>Fiio K11 R2R/Yamaha WXAD-10
Cyfra: Arcam FMJ CD17>Fiio K11 R2R/Yamaha WXAD-10
- Merrick
- Posty: 2384
- Rejestracja: 22 sie 2016, 22:02
- Gramofon: Thorens TD-160 Super
- Lokalizacja: Elbląg
- Kontakt:
Re: Tranzystorator (albo tranzystoryzacja DAC)
Mój Denon to DCD-1290 2 x AD1861N-D / PCM61P - SM5840AP no i mam wlutowane stoliki DIP-8 
Thorens TD-160 Super, SME Series III, OM 30 -> Staccato OS-> Dyskretniok -> Hafler DH-100, Hafler DH-220, Dynaudio Audience 40
https://www.discogs.com/user/Merrick-Pl/collection
https://www.discogs.com/user/Merrick-Pl/collection
- Martynka
- Posty: 1659
- Rejestracja: 26 sty 2019, 01:05
- Gramofon: Yamaha PX3
- Lokalizacja: Gůrny Ślůnsk
Re: Tranzystorator (albo tranzystoryzacja DAC)
Ale ja mówię o przypadku gdybyć chciał to lampizować lub tranzystorować. Wtedy potrzebujesz sam sygnał I out, czysty prąd i do tego w przypadku lampy wykorzystuję rezystor konwersji dobierany w zależności od wymaganego stpnia wzmocnienia.
Tutaj zauważ że pierwszy opa słuzy jako konwerter I/V i ten feedback resistor jest Twoim rezystorem konwersji.... chyba bo ja się nie znam.
EDIT:
Normalnie mamy wewnątr rezystor pomiędzy PIN 13 I out a PIN 10 czyli feedback resistor i dalej łączymy go z PIN 9 V out ponieważ napięcie wyjściowe wzmacniacza jest wprost proporcjonalne do prądu podawanego na jego zacisk odwracający a wzmocnienie jest ustalone przez rezystor sprzężenia zwrotnego,
Tutaj widzę też, że na wejście odwracające wewnątrznego opa czyli na PIN11 jest podana masa. czyli mamy go zdezaktywowany co potwierdza brak wyjścia z V out. Tak więc "pierwsza" połówka tego OPA z układu robi nam właśnie konwersję I/V.
Martin Logan CLS, Ayon Triton KT150 z KT88 zamiennie, DAC Stax Talent (2 x PCM63 na 6N26P) + Volumio Pi5 Waveshare 11,9", CD Rotel RCD955 (TDA1541 na 6N9S)... no i oczywiście gramofon Yamaha PX3 z Yamaha MC5 (shibata na boronie)
- Jaculek
- Posty: 2293
- Rejestracja: 27 cze 2012, 08:57
- Gramofon: Dual 704, 721
- Lokalizacja: Świętochłowice
Re: Tranzystorator (albo tranzystoryzacja DAC)
Boszzzzz ale ja durny jestem. A wystarczyło narysować:
Analog: Dual 704&721+DenonDL301/ShureV15III/Dual M20E/OrtofonMC-20>HeadamP >PreamP DP > DH-101 > DH-220 > Monitor Audio RX6/Beyerdynamic DT 880
Cyfra: Arcam FMJ CD17>Fiio K11 R2R/Yamaha WXAD-10
Cyfra: Arcam FMJ CD17>Fiio K11 R2R/Yamaha WXAD-10
- Martynka
- Posty: 1659
- Rejestracja: 26 sty 2019, 01:05
- Gramofon: Yamaha PX3
- Lokalizacja: Gůrny Ślůnsk
Re: Tranzystorator (albo tranzystoryzacja DAC)
Ufff... Czyli dyplomu z elektroniki nie muszę oddawać??
Martin Logan CLS, Ayon Triton KT150 z KT88 zamiennie, DAC Stax Talent (2 x PCM63 na 6N26P) + Volumio Pi5 Waveshare 11,9", CD Rotel RCD955 (TDA1541 na 6N9S)... no i oczywiście gramofon Yamaha PX3 z Yamaha MC5 (shibata na boronie)
- Jaculek
- Posty: 2293
- Rejestracja: 27 cze 2012, 08:57
- Gramofon: Dual 704, 721
- Lokalizacja: Świętochłowice
Re: Tranzystorator (albo tranzystoryzacja DAC)
Chciałem przelutować płytkę z układem wyjściowym po zrobiłem go na zbyt małej płytce ale ponieważ Arcamowi należy się recap zamontowałem jak jest:
Kupię porządne elektrolity i przelatuję tranzystoratora przy okazji ich wymiany.
Analog: Dual 704&721+DenonDL301/ShureV15III/Dual M20E/OrtofonMC-20>HeadamP >PreamP DP > DH-101 > DH-220 > Monitor Audio RX6/Beyerdynamic DT 880
Cyfra: Arcam FMJ CD17>Fiio K11 R2R/Yamaha WXAD-10
Cyfra: Arcam FMJ CD17>Fiio K11 R2R/Yamaha WXAD-10
- Martynka
- Posty: 1659
- Rejestracja: 26 sty 2019, 01:05
- Gramofon: Yamaha PX3
- Lokalizacja: Gůrny Ślůnsk
Re: Tranzystorator (albo tranzystoryzacja DAC)
A powiedz mi Tranzystoriuszu, to 2,2uF na wyjściu dobrałeś na podstawie czego?? Czy ta pojemność jak w SRPP ma znacznie??
Bo naprawdę od tego kondensatora na wyjściu zależy bardzo wiele i jeżeli możesz użyć mniejszych to mogę Ci na testy trochę pożyczyc. Roznice potrafią być spektakularne.
Bo naprawdę od tego kondensatora na wyjściu zależy bardzo wiele i jeżeli możesz użyć mniejszych to mogę Ci na testy trochę pożyczyc. Roznice potrafią być spektakularne.
Martin Logan CLS, Ayon Triton KT150 z KT88 zamiennie, DAC Stax Talent (2 x PCM63 na 6N26P) + Volumio Pi5 Waveshare 11,9", CD Rotel RCD955 (TDA1541 na 6N9S)... no i oczywiście gramofon Yamaha PX3 z Yamaha MC5 (shibata na boronie)
- Jaculek
- Posty: 2293
- Rejestracja: 27 cze 2012, 08:57
- Gramofon: Dual 704, 721
- Lokalizacja: Świętochłowice
Re: Tranzystorator (albo tranzystoryzacja DAC)
No ta pojemność ma zawsze znaczenie: odcina DC, sprzęga AC i niestety jednocześnie stanowi filtr górnoprzepustowy razem z impedancją wejścia kolejnego stopnia. Na schemacie jest 2,2uF, ja wlutowałem 4,7uF. Docelowo mam kupione 6,8uF. Zakładając impedancję wejściową wzmacniacza 40k, 4,7uF tnie (-3dB) przy niecałym 1Hz więc właściwie wystarcza. 2,2uF przy niecałych 2 Hz więc właściwie też by wystarczył. Gorzej jeżeli kolejny stopień będzie miał mniejszą impedancję wejściową. Generalnie za mała pojemność odchudza bas. ARCAM wcisnął tam elektrolit 100uF
PS. Nie wiem dlaczego mam wrażenie, że "uczę ojca dzieci robić"

PS. Nie wiem dlaczego mam wrażenie, że "uczę ojca dzieci robić"
Analog: Dual 704&721+DenonDL301/ShureV15III/Dual M20E/OrtofonMC-20>HeadamP >PreamP DP > DH-101 > DH-220 > Monitor Audio RX6/Beyerdynamic DT 880
Cyfra: Arcam FMJ CD17>Fiio K11 R2R/Yamaha WXAD-10
Cyfra: Arcam FMJ CD17>Fiio K11 R2R/Yamaha WXAD-10
- Martynka
- Posty: 1659
- Rejestracja: 26 sty 2019, 01:05
- Gramofon: Yamaha PX3
- Lokalizacja: Gůrny Ślůnsk
Re: Tranzystorator (albo tranzystoryzacja DAC)
W przypadku SRPP i impedancji ok 50k wychodzi mi 0,47... dlatego pytam o Twoją pojemność bo blokowanie DC będzie od tej pojemności niezależne a jestem ciekaw czy próbowałeś ją zmniejszyc.Ja eksperymentowałem i nie zaobserwowolem szkodliwych sonicznie zmian a to co obcinać powinna pojemność bardziej tną mi różne kondensatory. Tu tym bardziej warto eksperymentowac.
Martin Logan CLS, Ayon Triton KT150 z KT88 zamiennie, DAC Stax Talent (2 x PCM63 na 6N26P) + Volumio Pi5 Waveshare 11,9", CD Rotel RCD955 (TDA1541 na 6N9S)... no i oczywiście gramofon Yamaha PX3 z Yamaha MC5 (shibata na boronie)
- Jaculek
- Posty: 2293
- Rejestracja: 27 cze 2012, 08:57
- Gramofon: Dual 704, 721
- Lokalizacja: Świętochłowice
Re: Tranzystorator (albo tranzystoryzacja DAC)
Hmmmm... próbuje pojąć ale nie rozumiem
Nie, nie próbowałem. Zasada (podobno, tak gdzieś przeczytałem) jest taka, że filtr powinien być strojony na częstotliwość 10x niższą od planowanego początku pasma przenoszenia (chodzi o dolnoprzepustowy), czyli tu 20Hz/10=2Hz.
Analog: Dual 704&721+DenonDL301/ShureV15III/Dual M20E/OrtofonMC-20>HeadamP >PreamP DP > DH-101 > DH-220 > Monitor Audio RX6/Beyerdynamic DT 880
Cyfra: Arcam FMJ CD17>Fiio K11 R2R/Yamaha WXAD-10
Cyfra: Arcam FMJ CD17>Fiio K11 R2R/Yamaha WXAD-10
- Martynka
- Posty: 1659
- Rejestracja: 26 sty 2019, 01:05
- Gramofon: Yamaha PX3
- Lokalizacja: Gůrny Ślůnsk
Re: Tranzystorator (albo tranzystoryzacja DAC)
Stroisz filtr na 2kHz, wrzucasz kondensatory i nie masz wcale dołu. Zmień wtedy kondensator i po kłopocie. I nie mówię o wielkości tylko rodzaju. To samo z górą.Jaculek pisze: ↑06 gru 2022, 06:59rozumiem
Szkoda że nie posłuchałeś go z ori analogiem tylko ze zmienionymi kondensatorami. Ja pamiętam w starym VDAC na wyjściu miałem 47uF, wrzuciłem 2,2 i jakbym wydał grube tysiące na nowy DAC.
Martin Logan CLS, Ayon Triton KT150 z KT88 zamiennie, DAC Stax Talent (2 x PCM63 na 6N26P) + Volumio Pi5 Waveshare 11,9", CD Rotel RCD955 (TDA1541 na 6N9S)... no i oczywiście gramofon Yamaha PX3 z Yamaha MC5 (shibata na boronie)
- Jaculek
- Posty: 2293
- Rejestracja: 27 cze 2012, 08:57
- Gramofon: Dual 704, 721
- Lokalizacja: Świętochłowice
Re: Tranzystorator (albo tranzystoryzacja DAC)
No trochę żałuję. Niestety źle się do tego zabrałem i zniszczyłem oryginalny analog
Analog: Dual 704&721+DenonDL301/ShureV15III/Dual M20E/OrtofonMC-20>HeadamP >PreamP DP > DH-101 > DH-220 > Monitor Audio RX6/Beyerdynamic DT 880
Cyfra: Arcam FMJ CD17>Fiio K11 R2R/Yamaha WXAD-10
Cyfra: Arcam FMJ CD17>Fiio K11 R2R/Yamaha WXAD-10
- Martynka
- Posty: 1659
- Rejestracja: 26 sty 2019, 01:05
- Gramofon: Yamaha PX3
- Lokalizacja: Gůrny Ślůnsk
Re: Tranzystorator (albo tranzystoryzacja DAC)
Nie sądzę. Chodzilo mi tylko o porównanie jak producent potrafi spieprzyć dobry projekt.
Martin Logan CLS, Ayon Triton KT150 z KT88 zamiennie, DAC Stax Talent (2 x PCM63 na 6N26P) + Volumio Pi5 Waveshare 11,9", CD Rotel RCD955 (TDA1541 na 6N9S)... no i oczywiście gramofon Yamaha PX3 z Yamaha MC5 (shibata na boronie)
- wydra
- Posty: 1569
- Rejestracja: 01 sty 2015, 19:32
- Gramofon: Lenco L236
- Lokalizacja: Warszawa
Re: Tranzystorator (albo tranzystoryzacja DAC)
Spróbuj jeszcze w miejsce konwertera I/V wlutować opamp prądowy np ths3112 w tym miejscu bardzo dobrze sie to sprawuje dużo lepiej niż rezystor. rezystor ma to do siebie że sygnał jest mega niestabilny i napięcie pływa razem z prądem, może "brzmi to ok" bo tak tez miałem u siebie ale jak wleciał prądowy na I/V i dopiero wydumany stopień wyjściowy to dało to mega robotę. Ja bawiłem się w dyskretne kwadrowtórniki/bufory diamentowe wraz z skompensowanym opampem prądowym. fajnie to brzmi. U mnie zabawa odbywa się w CD denona DCD655 chyba najtańsze źródło PCM1702 w dual mono. zasilacz oczywiście od podstaw zbudowany dla wszystkich sekcji, bo oryginalnie to dramat jest. Zasilanie jednak to jest duży krok w przód.
Analog:
Lenco L236 /CEC MC20,AT95EX,AT120E/ Buphono MC/MM
Marantz PM80MK2
DENON DR-M22
Cyfra:
Mytek Brooklyn DAC/ADC
DENON AVR 3803
DENON DCD 655
Instrukcja BUphono
https://drive.google.com/file/d/1C97HQF ... sp=sharing
Lenco L236 /CEC MC20,AT95EX,AT120E/ Buphono MC/MM
Marantz PM80MK2
DENON DR-M22
Cyfra:
Mytek Brooklyn DAC/ADC
DENON AVR 3803
DENON DCD 655
Instrukcja BUphono
https://drive.google.com/file/d/1C97HQF ... sp=sharing
- Martynka
- Posty: 1659
- Rejestracja: 26 sty 2019, 01:05
- Gramofon: Yamaha PX3
- Lokalizacja: Gůrny Ślůnsk
Re: Tranzystorator (albo tranzystoryzacja DAC)
Właśnie, mam Jacku dwie sztuki buforów diamenowych, dyskretne robione przez Konrada, Muzg Audio. Zostały mi z wylutu po tym jak lampiziwalem sprzęt który wcześniej był poprawiany przez Konrada. Jak chcesz są Twoje.
Ja ich nie użyje bo wolę szklane banki.
Martin Logan CLS, Ayon Triton KT150 z KT88 zamiennie, DAC Stax Talent (2 x PCM63 na 6N26P) + Volumio Pi5 Waveshare 11,9", CD Rotel RCD955 (TDA1541 na 6N9S)... no i oczywiście gramofon Yamaha PX3 z Yamaha MC5 (shibata na boronie)