Wega P120 - pytania
- jaca1970
- Posty: 2082
- Rejestracja: 02 mar 2018, 15:21
- Gramofon: JVC Ql-Y3F
Wega P120 - pytania
Hej
Pytanie techniczne. może ktoś to już przerabiał...
Wega P120 nie posiada przycisku "power" jest cały czas " pod prądem " nawet jak nic się nie kręci i świeci,
model był chyba dedykowany do modułu (wieży) i zasilany z wzmacniacza, wszystko było włączane jednym przyciskiem.
Czy, w sieci cały czas może być problemem dla takiego gramofonu ? ( ma już swoje lata ) może lepiej jakimś osobnym power (wł/wył) obsługiwać ten gramofon?
i jeszcze pytanie o dziurkę przy ramieniu w lewej górnej stronie obudowy, czy to miejsce na jakąś szczoteczkę do płyt.
dzięki za pomoc
Pytanie techniczne. może ktoś to już przerabiał...
Wega P120 nie posiada przycisku "power" jest cały czas " pod prądem " nawet jak nic się nie kręci i świeci,
model był chyba dedykowany do modułu (wieży) i zasilany z wzmacniacza, wszystko było włączane jednym przyciskiem.
Czy, w sieci cały czas może być problemem dla takiego gramofonu ? ( ma już swoje lata ) może lepiej jakimś osobnym power (wł/wył) obsługiwać ten gramofon?
i jeszcze pytanie o dziurkę przy ramieniu w lewej górnej stronie obudowy, czy to miejsce na jakąś szczoteczkę do płyt.
dzięki za pomoc
Dom - JVC QL-Y3F, Grace F-8, PRE by Jaculek, Acoustic Research X-07, ATL HD 311.
Ogródek - Dual 1235, Shure V15 III , kolumny Philips KD - 1034.
Ogródek - Dual 1235, Shure V15 III , kolumny Philips KD - 1034.
- kriss
- Posty: 1218
- Rejestracja: 05 paź 2017, 17:58
- Gramofon: Sony PS-X50
- jaca1970
- Posty: 2082
- Rejestracja: 02 mar 2018, 15:21
- Gramofon: JVC Ql-Y3F
Re: Sony Modele WEGA ...
odkręciłem, wsadziłem, pasuje,
czy to jest naprawdę po to ?
Dom - JVC QL-Y3F, Grace F-8, PRE by Jaculek, Acoustic Research X-07, ATL HD 311.
Ogródek - Dual 1235, Shure V15 III , kolumny Philips KD - 1034.
Ogródek - Dual 1235, Shure V15 III , kolumny Philips KD - 1034.
-
trafalgar
- Posty: 4356
- Rejestracja: 03 mar 2015, 10:30
- Gramofon: Kenwood KP 990
- Lokalizacja: Kraśnik lubelski
- kriss
- Posty: 1218
- Rejestracja: 05 paź 2017, 17:58
- Gramofon: Sony PS-X50
Re: Sony Modele WEGA ...
Banalne co nie
Co do Twojego pierwszego pytania, to nie jest czasem tak, że cały układ jest zasilany dopiero wtedy jak zbliżysz ramię w kierunku talerza? Prąd dochodzi, ale nie jest puszczony na układ gramofonu...
Miałem tak bodajże w gramofonie Nordmende.
Zapewne Regsoft wyjaśni Tobie tą kwestię, bo ja nie ma pewności.
Ostatnio zmieniony 03 lis 2018, 20:56 przez kriss, łącznie zmieniany 1 raz.
- Peter007
- Posty: 2262
- Rejestracja: 16 gru 2017, 16:36
- Gramofon: Dual 721
- Lokalizacja: Opoczno
- kriss
- Posty: 1218
- Rejestracja: 05 paź 2017, 17:58
- Gramofon: Sony PS-X50
Re: Sony Modele WEGA ...
Skoro producent tak to rozwiązał to raczej bym się nie obawiał.
Szkoda zachodu i po co ingerować w oryginalność sprzętu stosując jakieś dodatkowe odcinanie zasilania.
Masz fajny gramofon, ciesz się i nie kombinuj
Szkoda zachodu i po co ingerować w oryginalność sprzętu stosując jakieś dodatkowe odcinanie zasilania.
Masz fajny gramofon, ciesz się i nie kombinuj
- Regsoft
- Posty: 6570
- Rejestracja: 05 wrz 2015, 17:20
Re: Sony Modele WEGA ...
Pewnie że lepiej. Szczególnie jeśli przeszkadza.
Zainwestuj w sprzęt :
https://allegro.pl/wylacznik-na-kabel-p ... 85527.html
Lub w wersję dla leniwców :
https://allegro.pl/gniazdko-pradowe-z-w ... 99690.html
Powiem Ci tylko, że czasem coś takiego robię nawet jeśli jest wyłącznik bo bywa, że jest za trafo co słychać i czuć
Uchwyt na drugi headshell (np. inna wkładka do innej muzyki). Wygodne.
- jaca1970
- Posty: 2082
- Rejestracja: 02 mar 2018, 15:21
- Gramofon: JVC Ql-Y3F
Re: Sony Modele WEGA ...
hello, dzięki za pomoc
no nie, dziurka na drugi headshell, stawiałem na szczoteczkę do czyszczenia płyt... życie pełne niespodzianek ,
a układ jest pod prądem cały czas, postukałem w wkładkę przy włączonym wzmacniaczu na stopce ramienia,
niby nic, ale słychać
tylko czy aby jakaś elektronika się nie zużywa niepotrzebnie jak jest cały czas w napięciu,
dzięki Regu, coś poskładam,
i na noc of.
no nie, dziurka na drugi headshell, stawiałem na szczoteczkę do czyszczenia płyt... życie pełne niespodzianek ,
a układ jest pod prądem cały czas, postukałem w wkładkę przy włączonym wzmacniaczu na stopce ramienia,
niby nic, ale słychać
tylko czy aby jakaś elektronika się nie zużywa niepotrzebnie jak jest cały czas w napięciu,
dzięki Regu, coś poskładam,
i na noc of.
Dom - JVC QL-Y3F, Grace F-8, PRE by Jaculek, Acoustic Research X-07, ATL HD 311.
Ogródek - Dual 1235, Shure V15 III , kolumny Philips KD - 1034.
Ogródek - Dual 1235, Shure V15 III , kolumny Philips KD - 1034.
- metallsnow
- Posty: 1588
- Rejestracja: 25 paź 2016, 20:26
- Gramofon: Wega 301P
Re: Sony Modele WEGA ...
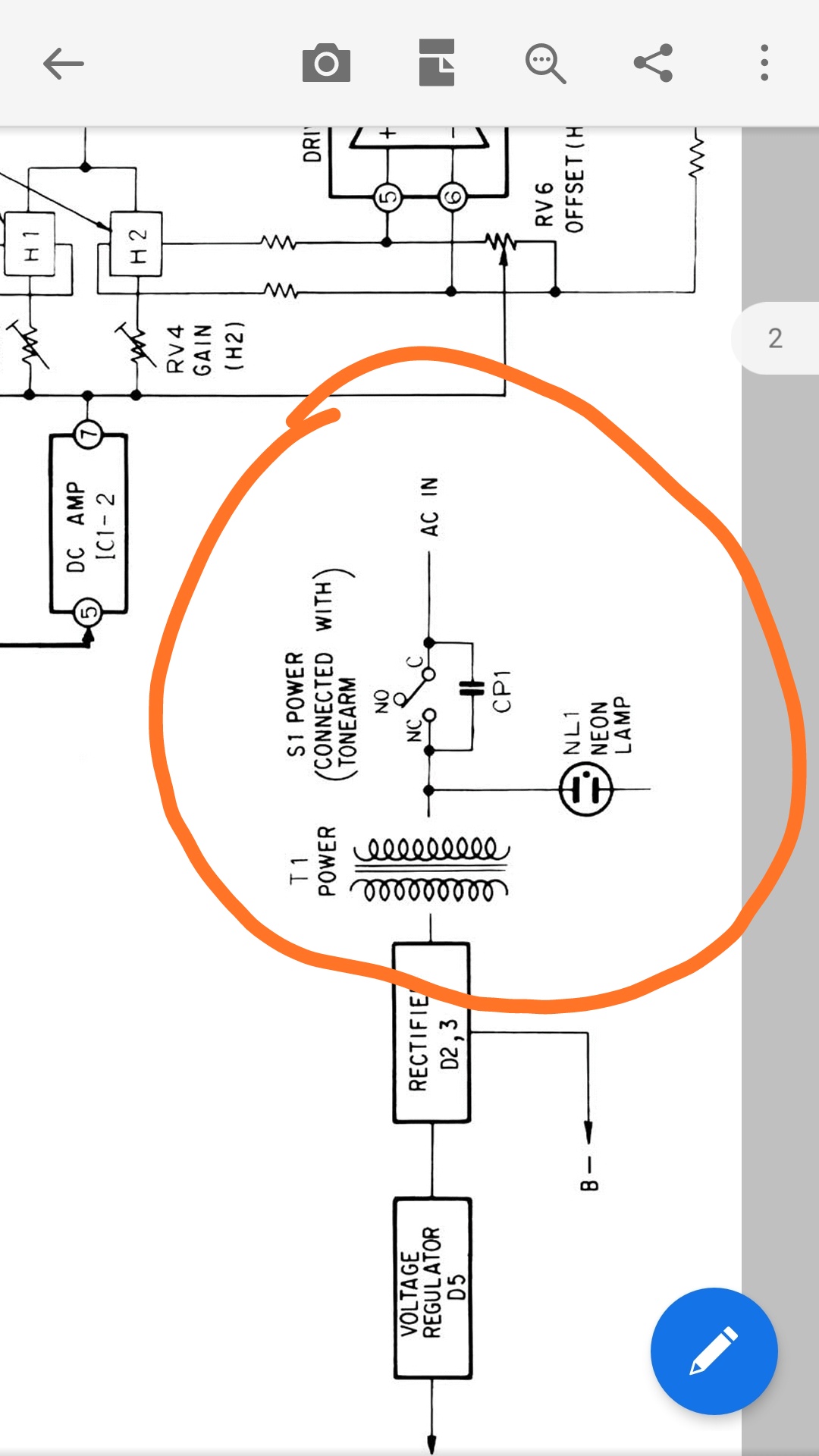
Jaca gramofon może być wyłączony z gniazdka sieciowego, a wkładka i tak da sygnał, chyba że jest jakiś układ odcinający, ale to pewnie nie w tym modelu (Regu jako spec od Sony będzie wiedział na pewno). W Akai AP-D2 /C jest mikro wyłącznik sterowany ramieniem. I odcina zasilanie. Weź może multimetrem sprawdź na wtyczce od gramofonu czy jest obwód zamknięty przy ramieniu na podstawce.
Edit
Według tego fragmentu serwisówki wychodzi że wyłącznik sieciowy jest połączony z ramieniem
Edit
Według tego fragmentu serwisówki wychodzi że wyłącznik sieciowy jest połączony z ramieniem
Wega Modul 301P+ADCQLM/AT13EaV/OM10, Sony TA-F570ES, Akai CD-62, JVC TD-X502, Pioneer N-30AE, Onkyo T-4270, Heco TE 1200
Marantz PM-45, Sony MDS-JE520, Summit Exclusive RF550 i pecet
Marantz PM-45, Sony MDS-JE520, Summit Exclusive RF550 i pecet
- Wojtek
- Administrator
- Posty: 44457
- Rejestracja: 02 lut 2009, 02:59
- Lokalizacja: Warszawa
- Kontakt:
Re: Wega P120 - pytania
Nie. To normalne zjawisko.
To nie jest dowód na to co podejrzewasz
Wiele gramofonów nie ma przycisku od załączania zasilania. Bo nie musi.
Dokładnie.metallsnow pisze: ↑03 lis 2018, 22:01Według tego fragmentu serwisówki wychodzi że wyłącznik sieciowy jest połączony z ramieniem
Tubylcza wredota, tudzież insza kanalia
Wsparcie finansowe forum
Wsparcie finansowe forum
- jaca1970
- Posty: 2082
- Rejestracja: 02 mar 2018, 15:21
- Gramofon: JVC Ql-Y3F
Re: Wega P120 - pytania
tak jest, dała sygał mimo wył z sieci,metallsnow pisze: ↑03 lis 2018, 22:01Jaca gramofon może być wyłączony z gniazdka sieciowego, a wkładka i tak da sygnał,
tak jest, słychać delikatny klik i rusza talerz i stroboskop.metallsnow pisze: ↑03 lis 2018, 22:01Według tego fragmentu serwisówki wychodzi że wyłącznik sieciowy jest połączony z ramieniem
Czyli jakieś małe napięcie na wyłączonej z prądu wkładce pochodzi z wzmacniacza? wyłączenie wzmacniacza załatwia sprawę
No to zostawiam tak, nic nie kombinuje,
dzięki za pomoc
Dom - JVC QL-Y3F, Grace F-8, PRE by Jaculek, Acoustic Research X-07, ATL HD 311.
Ogródek - Dual 1235, Shure V15 III , kolumny Philips KD - 1034.
Ogródek - Dual 1235, Shure V15 III , kolumny Philips KD - 1034.
- Regsoft
- Posty: 6570
- Rejestracja: 05 wrz 2015, 17:20
Re: Wega P120 - pytania
"Układ" gramofonu zdecydowanie nie jest pod prądem
Ten wyłącznik S1 uruchamia samo ramię jak nim poruszysz w kierunku płyty. Dokładnie jak Koledzy napisali. Zerknąłem tylko czy nie jest za trafo. Możesz sobie darować dodatkowe wyłączniki bo nic nie wniosą.
Natomiast prąd generuje sama wkładka podłączona bezpośrednio do wyjścia na wzmacniacz. To jest oddzielny "układ" i nie wymaga żadnego zasilania. Możesz odłączyć gramofon od prądu, kręcić talerzem ręcznie i też "zagra". A wystarczy minimalne poruszenie igły. Nie masz żadnego układu, który by ją odcinał zanim nie osiądzie na płycie więc jak "popukasz" to impuls pojawi się na wyjściu. Włączony wzmacniacz go wzmocni i usłyszysz. Tak działają gramofony
- jaca1970
- Posty: 2082
- Rejestracja: 02 mar 2018, 15:21
- Gramofon: JVC Ql-Y3F
Re: Wega P120 - pytania
Dzięki za informacje,
znaczy gramofon WEGA działa poprawnie, tak jak go zaprojektowano i zbudowano.
Ciekawy jeszcze jestem czy poza znaczkiem WEGA, na klapie i obudowie to toćka w toćkę Sony,
(w mym przypadku P-212, wiem z post. Regu Modela Wega)
jest bardzo widoczny znak SONY na końcówkach kabli i na talerzu od wewnątrz,
ale może montowano tam jakieś słabsze silniki, inne części, albo więcej plastiku jest ?
Dom - JVC QL-Y3F, Grace F-8, PRE by Jaculek, Acoustic Research X-07, ATL HD 311.
Ogródek - Dual 1235, Shure V15 III , kolumny Philips KD - 1034.
Ogródek - Dual 1235, Shure V15 III , kolumny Philips KD - 1034.
- Wojtek
- Administrator
- Posty: 44457
- Rejestracja: 02 lut 2009, 02:59
- Lokalizacja: Warszawa
- Kontakt:
Re: Wega P120 - pytania
Na czym są oparte Twoje podejrzenia, że gramofony Wega to jakieś "gorsze Sony"?
Tubylcza wredota, tudzież insza kanalia
Wsparcie finansowe forum
Wsparcie finansowe forum