Pierwsze słuchanie:
SL-Q33
- cobra
- Posty: 1191
- Rejestracja: 16 lut 2018, 22:25
- Gramofon: SL-Q33
- Lokalizacja: W-wa
- cobra
- Posty: 1191
- Rejestracja: 16 lut 2018, 22:25
- Gramofon: SL-Q33
- Lokalizacja: W-wa
Re: SL-Q33
Bawiłem się dziś płytą testową i oscyloskopem.
Dokonałem odkrycia, że antyskating w ogóle nie działa.
Zakładam, że zmieniając jego wartość, powinny zmieniać się w jakimś stopniu poziomy napięć z kanałów. Mam rację?
Widać to też na teście trackingu - jeden kanał jest już zniekształcany przy 60 um peak i kompletny brak reakcji dla wartości od 0 do 3 na pokrętle antyskatingu.
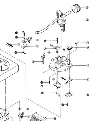
Z serwisówki wynika, że chyba elementym "ciągnącym" ramię jest sprężyna 84.
Muszę to rozebrać i obadać stan.
Dokonałem odkrycia, że antyskating w ogóle nie działa.
Zakładam, że zmieniając jego wartość, powinny zmieniać się w jakimś stopniu poziomy napięć z kanałów. Mam rację?
Widać to też na teście trackingu - jeden kanał jest już zniekształcany przy 60 um peak i kompletny brak reakcji dla wartości od 0 do 3 na pokrętle antyskatingu.
Z serwisówki wynika, że chyba elementym "ciągnącym" ramię jest sprężyna 84.
Muszę to rozebrać i obadać stan.
Technics SL-Q33, Benz Micro Silver / Empire 2000 / Empire 4000 / Z-4s / MP-110 / Shure M75, PreamP THT, Denon DRA-F109 / lampa SE, STX F-200n
- ŁDŁ
- Posty: 606
- Rejestracja: 21 lis 2013, 09:23
- Lokalizacja: Jaktorów
- Kontakt:
Re: SL-Q33
Tak 84. Widać jak zdejmiesz dekiel co się tam dzieje. To solidna sprawa ale uszkodzić się zawsze może, jak wszystko.
Rozumiem, że jeden kanał zniekształca a drugi jest ok. Może problem z igłą, zużyta? albo wady w kalibracji położenia wkładki.
Zmiany AS widać np. stosując analizator widma z karty audio w komputerze czy miernik THD czy oscyloskop w skrajnych przypadkach. Idealnie zniekształcenia będą równe, podobny rozkład harmonicznych i ich wielkość.
Rozumiem, że jeden kanał zniekształca a drugi jest ok. Może problem z igłą, zużyta? albo wady w kalibracji położenia wkładki.
Zmiany AS widać np. stosując analizator widma z karty audio w komputerze czy miernik THD czy oscyloskop w skrajnych przypadkach. Idealnie zniekształcenia będą równe, podobny rozkład harmonicznych i ich wielkość.
Łukasz Długosz
Serwis i projektowanie elektroniki, także audio https://www.facebook.com/ldlelektronika
Prawo Hofstadtera mówi: skomplikowana czynność zawsze zajmie więcej czasu niż zaplanowano także jeśli planując brano pod uwagę prawo Hofstadtera.
Serwis i projektowanie elektroniki, także audio https://www.facebook.com/ldlelektronika
Prawo Hofstadtera mówi: skomplikowana czynność zawsze zajmie więcej czasu niż zaplanowano także jeśli planując brano pod uwagę prawo Hofstadtera.
- Krzysztof_M
- Posty: 170
- Rejestracja: 17 gru 2023, 23:28
- Lokalizacja: Katowice
Re: SL-Q33
A czy np. zbyt duże opory w obrocie ramienia nie mogą skutkować podobnymi efektami, może nawet zamaskowałyby działający antyskating?
α β Σ Φ Ω μ π °C ± √ ² < ≤ ≥ > ^ Δ − ∞ α β γ ρ
- Bacek
- Posty: 4022
- Rejestracja: 04 gru 2013, 22:06
- Gramofon: Kenwood L-07D
- Lokalizacja: Poznań
Re: SL-Q33
Czy w ogólę działa można też sprawdzić na, tfu tfu czystej płycie. NIe mówię że przy jej użyciu ustawiać ale sprawdzić czy na skrajnych ustawieniach raz ciągnie w jedną a raz w drugą stronę.
W sumie i bez płyty się da. Musisz ustawić ramię w lewitacji, na zerze powinno w miarę swobodnie wisieć (lub powoli schodzić w którąś stronę) i wtedy szybko przekręcić na max i powinno mocno odbić do uchwytu ramienia. Tylko uważaj na igłę, najlepiej osłonić albo wyjąć jeżeli to mm, albo być bardzo ostrożnym.
W sumie i bez płyty się da. Musisz ustawić ramię w lewitacji, na zerze powinno w miarę swobodnie wisieć (lub powoli schodzić w którąś stronę) i wtedy szybko przekręcić na max i powinno mocno odbić do uchwytu ramienia. Tylko uważaj na igłę, najlepiej osłonić albo wyjąć jeżeli to mm, albo być bardzo ostrożnym.
Klipsch LaScala i analogowo cyfrowa herezja.
- cobra
- Posty: 1191
- Rejestracja: 16 lut 2018, 22:25
- Gramofon: SL-Q33
- Lokalizacja: W-wa
Re: SL-Q33
W ten sposób nie.
Niezupełnie tak, bo ciągnie tylko na zewnątrz lub wcale (przy ustawieniu na zero).
Łukaszu, sprawdzone na trzech wkładkach. Myślę, że ustawione nie są źle - zresztą wszystkie prawie tak samo.
Używałem oscyloskopu dwukanałowego i patrzyłem na amplitudy obu kanałów, no i kształt przebiegu na tarckingu (ale to też dobrze słychać).
Dokładnie tak - jeden kanał bez zniekształceń, a drugi zniekształca już dla drugiej ścieżki trackingu.
A podpowiesz, jaki to programik?
Technics SL-Q33, Benz Micro Silver / Empire 2000 / Empire 4000 / Z-4s / MP-110 / Shure M75, PreamP THT, Denon DRA-F109 / lampa SE, STX F-200n
- Bacek
- Posty: 4022
- Rejestracja: 04 gru 2013, 22:06
- Gramofon: Kenwood L-07D
- Lokalizacja: Poznań
Re: SL-Q33
1.Ale to już sprawdzałeś na czystej płycie czy w powietrzu znaczy się? Bo efekty jednego lub drugiego będą się różnić właśnie brakiem ciągnięcia do środka. Skoro na zewnątrz ciągnie to znaczy że coś jednak tam działa takze nie jest tak że antyskating "w ogóle nie działa".
2. A jesteś pewien że gramofon masz idealnie poziomo?
Klipsch LaScala i analogowo cyfrowa herezja.
- darkman
- Posty: 16210
- Rejestracja: 02 paź 2015, 09:23
- Gramofon: PL70LII, PSX60
- Lokalizacja: Topanga Corral
- Kontakt:
- Bacek
- Posty: 4022
- Rejestracja: 04 gru 2013, 22:06
- Gramofon: Kenwood L-07D
- Lokalizacja: Poznań
Re: SL-Q33
Generalnie sam antyskating może tylko nie ciągnąć lub ciągnąć na zewnątrz z ustawioną siłą. Przy lewitującym ramieniu będzie tylko to. Natomiast przy teście na gładkiej płycie, płyta dołoży ciągnięcie do środka, więc przy 0 powinno ściągać igłę do środka bo antyskating niczym nie przeciwdziała tej sile.
A to że jeden kanał mierzy się źle może też wynikać np ze złego azymutu.
Co do oscyloskopu to niekoniecznie napięcie będzie niższe, raczej sinus będzie "brzydki" na prawym kanale przy za małym antyskatingu i wysokim sygnale testowym.
A to że jeden kanał mierzy się źle może też wynikać np ze złego azymutu.
Co do oscyloskopu to niekoniecznie napięcie będzie niższe, raczej sinus będzie "brzydki" na prawym kanale przy za małym antyskatingu i wysokim sygnale testowym.
Klipsch LaScala i analogowo cyfrowa herezja.
- JootWoo
- Posty: 204
- Rejestracja: 27 gru 2024, 11:03
- Gramofon: SL1300I/SL1800II
- Lokalizacja: WLKP
Re: SL-Q33
Z mojego doświadczenia jak się zacznie z płytą testową to kończy się słuchanie muzyki a zaczyna się ciągła optymalizacja parametrów
.
Ja ma płytę testową TACET Vinyl Check.
W ostatnich tygodniach sporo grzebałem z ustawieniami szczególnie azymutu.
Do sprawdzania AS na tej płycie jest jedna ścieżka ciągła o długości 40s.
Do kontroli zniekształceń używałem programu Soundcard Scope i wykresu w układzie X-Y bo na nim dla mnie lepiej widać który kanał się zniekształca szybciej ( dla równowagi kanałów linia jest pod kątem 45 stopnii jest gładka i wąska). Przy zniekształceniach zaczyna się na końcach rozwarstwiać i tworzą się zamnkięte krzywe na obu końcach, lub przy zniekształceniach w jednym kanale na jednym. W oknie moscyloskopu w tym programie na sinusie też to widać oczywiście ( jeden kanał ma zielony kolor a drugi czerwony). Generalnie jeżeli nie da się przejśc tego bez zniekształceń to trzeba dążyć do tego żeby były równe w obu kanałach.
Na pewno wszystkie ustawienia mają wpływ na te zniekszatłcenia takie jak wysięg czy azymut. U mnie fabryczny wysięg podany w instrukcji Toshiby był do kitu i ustawiłem Stevensonem i to porawiło mocno antyskating ale nie zlikowidowało zniekształceń całkowicie. Teraz pojawiają się w ostatniej dziesiątce ścieżki. Myślę że to też zależy od wkładki i igły. U mnie bez zniekszatałceń przechodziła tylko Empire 4000 D/I.
Żeby coś kombinować z azymutem w tym gramofonie musiałbyś mieć headshel z regulacją albo bawić się podkładkami.
Ja ma płytę testową TACET Vinyl Check.
W ostatnich tygodniach sporo grzebałem z ustawieniami szczególnie azymutu.
Do sprawdzania AS na tej płycie jest jedna ścieżka ciągła o długości 40s.
Do kontroli zniekształceń używałem programu Soundcard Scope i wykresu w układzie X-Y bo na nim dla mnie lepiej widać który kanał się zniekształca szybciej ( dla równowagi kanałów linia jest pod kątem 45 stopnii jest gładka i wąska). Przy zniekształceniach zaczyna się na końcach rozwarstwiać i tworzą się zamnkięte krzywe na obu końcach, lub przy zniekształceniach w jednym kanale na jednym. W oknie moscyloskopu w tym programie na sinusie też to widać oczywiście ( jeden kanał ma zielony kolor a drugi czerwony). Generalnie jeżeli nie da się przejśc tego bez zniekształceń to trzeba dążyć do tego żeby były równe w obu kanałach.
Na pewno wszystkie ustawienia mają wpływ na te zniekszatłcenia takie jak wysięg czy azymut. U mnie fabryczny wysięg podany w instrukcji Toshiby był do kitu i ustawiłem Stevensonem i to porawiło mocno antyskating ale nie zlikowidowało zniekształceń całkowicie. Teraz pojawiają się w ostatniej dziesiątce ścieżki. Myślę że to też zależy od wkładki i igły. U mnie bez zniekszatałceń przechodziła tylko Empire 4000 D/I.
Żeby coś kombinować z azymutem w tym gramofonie musiałbyś mieć headshel z regulacją albo bawić się podkładkami.
TECHNICS SL-1800MK2/TECHNICS SL-1300MK1
P XUV 4500Q, E 4000D/I, ADC XLM Mk3, V Z1EB, ADC VLM Mk2,G F8, Elac ESG 796, Elac STS 455, Elac STS 344,
Schit Mani MkI/DIY CS Blue VI Preamp/Musical Fidelity V90-LPS --> TOSHIBA SA 500/Luxman L30
METZ 4635
P XUV 4500Q, E 4000D/I, ADC XLM Mk3, V Z1EB, ADC VLM Mk2,G F8, Elac ESG 796, Elac STS 455, Elac STS 344,
Schit Mani MkI/DIY CS Blue VI Preamp/Musical Fidelity V90-LPS --> TOSHIBA SA 500/Luxman L30
METZ 4635
- JootWoo
- Posty: 204
- Rejestracja: 27 gru 2024, 11:03
- Gramofon: SL1300I/SL1800II
- Lokalizacja: WLKP
Re: SL-Q33
Jeżeli chciałbyś koniecznie sprawdzić azymut to na początek Audacity i ścieżka do przesłuchów z płyty.
TECHNICS SL-1800MK2/TECHNICS SL-1300MK1
P XUV 4500Q, E 4000D/I, ADC XLM Mk3, V Z1EB, ADC VLM Mk2,G F8, Elac ESG 796, Elac STS 455, Elac STS 344,
Schit Mani MkI/DIY CS Blue VI Preamp/Musical Fidelity V90-LPS --> TOSHIBA SA 500/Luxman L30
METZ 4635
P XUV 4500Q, E 4000D/I, ADC XLM Mk3, V Z1EB, ADC VLM Mk2,G F8, Elac ESG 796, Elac STS 455, Elac STS 344,
Schit Mani MkI/DIY CS Blue VI Preamp/Musical Fidelity V90-LPS --> TOSHIBA SA 500/Luxman L30
METZ 4635
- Bacek
- Posty: 4022
- Rejestracja: 04 gru 2013, 22:06
- Gramofon: Kenwood L-07D
- Lokalizacja: Poznań
Re: SL-Q33
W większości Technicsów z takim ramieniem, gniazdo headshella jest luzowane dwoma śrubkami od spodu i potem można azymut regulować. Potrzebny do tego bardzo krótki/mały śrubokręt krzyżak.
Ale na razie trzeba dojść do porządku z AS.
Klipsch LaScala i analogowo cyfrowa herezja.
- JootWoo
- Posty: 204
- Rejestracja: 27 gru 2024, 11:03
- Gramofon: SL1300I/SL1800II
- Lokalizacja: WLKP
Re: SL-Q33
Ok. Ja w moim gramofonie Toshiba też miałem śrubkę ale headshell był chyba jeszcze wklejony czy coś bo go ruszyć nie idzie.
TECHNICS SL-1800MK2/TECHNICS SL-1300MK1
P XUV 4500Q, E 4000D/I, ADC XLM Mk3, V Z1EB, ADC VLM Mk2,G F8, Elac ESG 796, Elac STS 455, Elac STS 344,
Schit Mani MkI/DIY CS Blue VI Preamp/Musical Fidelity V90-LPS --> TOSHIBA SA 500/Luxman L30
METZ 4635
P XUV 4500Q, E 4000D/I, ADC XLM Mk3, V Z1EB, ADC VLM Mk2,G F8, Elac ESG 796, Elac STS 455, Elac STS 344,
Schit Mani MkI/DIY CS Blue VI Preamp/Musical Fidelity V90-LPS --> TOSHIBA SA 500/Luxman L30
METZ 4635
- Bacek
- Posty: 4022
- Rejestracja: 04 gru 2013, 22:06
- Gramofon: Kenwood L-07D
- Lokalizacja: Poznań
Re: SL-Q33
Śrubka to mało bo otwór w rurce ramienia może być mały i okrągły. W Technics były fasolki które miały jakiś zakres regulacji.
Klipsch LaScala i analogowo cyfrowa herezja.
- cobra
- Posty: 1191
- Rejestracja: 16 lut 2018, 22:25
- Gramofon: SL-Q33
- Lokalizacja: W-wa
Re: SL-Q33
Tu akurat pisałem, jak powinno być w teorii - u mnie nie ciągnie w ogóle.
Gramofon mam idealnie poziomo.
Muszę mieć wolniejsze popołudnie, żeby wziąć się za to wszystko. Dopiero po święcie pewnie będzie okazja.
Ostatnio zmieniony 28 paź 2025, 22:16 przez cobra, łącznie zmieniany 1 raz.
Technics SL-Q33, Benz Micro Silver / Empire 2000 / Empire 4000 / Z-4s / MP-110 / Shure M75, PreamP THT, Denon DRA-F109 / lampa SE, STX F-200n