Technics SL-Q33 - prośba o pomoc

Dyskusje techniczne dotyczące gramofonów marki Technics i National Panasonic
ODPOWIEDZ
zic10
Posty: 495
Rejestracja: 18 kwie 2019, 07:04
Lokalizacja: Jastrzębie - Zdrój

Technics SL-Q33 - prośba o pomoc

#1

Post autor: zic10 »

Mam problem z gramofonem.
Model SL-Q33 Automat. Problem jest taki:
Naciskam przycisk start/stop ramie podnosi się talerz zaczyna się obracać i od razu zatrzymuje się talerz i ramię opada. Tak jakby gramofon nie wykrywał płyty położonej na macie. Tak zachowuje się sprawny SL-1600mk2 kiedy nie ma płyty na talerzu. Pokręci talerzem podniesie ramię i od razu położy.
Próbowałem już chyba wszystkich normalnych domowych metod. Zakrywałem sensor podczerwieni. Bez skutku. Wygląda to tak jakby pomimo jego zakrycia układ rozpoznawania płyty był wzbudzony i podawał do procesora informacje o braku płyty. Wymieniłem procesor, Wszystkie IC z innej płyty. Tranzystory w układzie rozpoznawania płyty. Bez skutku problem leży gdzieś indziej. Wymieniłem sensor podczerwieni na inny z innego egzemplarza i nic. Odpiąłem go całkiem - jest to samo. Nie wymieniłem tylko jeszcze diod podczerwieni nie świecą się po naciśnięciu start więc gdzieś jest problem w układzie rozpoznawania rozmiaru płyty. Przy odpięciu całkiem diod w sl-1600mk2 gramofon normalnie startuje bez płyty - czyli prawidłowo - procesor odczytuje z sensora brak impulsów, płyta jest na talerzu. Ręce mi opadają bo zazwyczaj sam sobie próbuje dłubać przy sprzętach ale przyznam, że ten przypadek mnie pokonał. Cała inna automatyka. Czyli zakończenie odtwarzania powrót ramienia na swoje miejsce działa bez problemu. Naciśnięcie Start/stop podczas odtwarzania parkuje ramię i zatrzymuje talerz. Przycisk cueing tez działa:) Czy ktoś byłby w stanie naprowadzić mnie na dobry trop? Albo przygarnąć pacjenta na serwis?
Myślę że sprawnie posługuję się lutownicą, mam miernik, ale żaden ze mnie elektronik, z czytaniem schematów krucho, pomierzyć napięcia dam rade.
Z góry dzięki za pomoc.
Technics SL-1610MK2, SL-1600MK2, AT33PTG, AT540ML, AT15S, AT150MLX, Signet TK7E, Shure V15V-MR, V15-III, EPC-300MC, EPC-207C, Denon DL-103, Ortofon Concorde 30, AKAI GX-635D, Denon PMA-1500R, Marantz PM7200, Jamo d590, MA Silver 6
zic10
Posty: 495
Rejestracja: 18 kwie 2019, 07:04
Lokalizacja: Jastrzębie - Zdrój

Re: Technics SL-Q33 - prośba o pomoc

#2

Post autor: zic10 »

Temat chyba ogarnięty. Na początku warto wspomnieć, że bardzo pomocna okazała się instrukcja serwisowa modelu SL-1600mk2. Szczegółowo opisane działanie układu rozpoznawania płyty pozwoliło na odłączenie go by sprawdzić czy cała inna automatyka działa. Co ciekawe układ jest identyczny jak w SL-Q33, nawet tranzystory mają tą samą numerację. Po dezaktywacji układu gramofon znowu automatycznie startuje ustawiając się na początku płyty 12".
Obecnie tranzystory z układu zdemontowałem jest ich 11 i zabieram się za pomiar.
Załączniki
IMG_4948.jpeg
image0.jpeg
Technics SL-1610MK2, SL-1600MK2, AT33PTG, AT540ML, AT15S, AT150MLX, Signet TK7E, Shure V15V-MR, V15-III, EPC-300MC, EPC-207C, Denon DL-103, Ortofon Concorde 30, AKAI GX-635D, Denon PMA-1500R, Marantz PM7200, Jamo d590, MA Silver 6
Awatar użytkownika
Wojtek
Administrator
Posty: 44775
Rejestracja: 02 lut 2009, 02:59
Lokalizacja: Warszawa
Kontakt:

Re: Technics SL-Q33 - prośba o pomoc

#3

Post autor: Wojtek »

zic10 pisze:
23 lut 2025, 14:51
Co ciekawe układ jest identyczny jak w SL-Q33
To nie była tajemnica. Chyba wspominaliśmy o tym na forum przy okazji.

Powodzenia w naprawie :)
Tubylcza wredota, tudzież insza kanalia
Wsparcie finansowe forum
Awatar użytkownika
chudy_b
Posty: 4159
Rejestracja: 05 lis 2013, 14:54
Lokalizacja: Wólka

Re: Technics SL-Q33 - prośba o pomoc

#4

Post autor: chudy_b »

zic10 pisze:
23 lut 2025, 14:51
Temat chyba ogarnięty.
No chyba jednak nie, skoro nie znasz przyczyny.
zic10 pisze:
23 lut 2025, 14:51
Po dezaktywacji układu gramofon znowu automatycznie startuje ustawiając się na początku płyty 12".
Zobacz w instrukcji od 1600 przebiegi. Brak impulsów gramofon traktuje jako obecność płyty 12. Dlatego startuje gdy odłączyłeś układ. Brak płyty jest sygnalizowany przez trzy impulsy. Znaczy że wszytko w zasadzie musi działać, żeby gramofon wykrył że płyty nie ma. Obstawiam, ze wszystkie tranzystory są sprawne. Są tam tez trzy elektrolity. Nie zawadzi ich sprawdzić. Na ten moment przychodzi mi do głowy tylko jedna przyczyna. Na pewno kładłeś czarną nieprzezroczystą płytę? Ostatnio kupiłem płytę niby czarną a jednak przezroczystą. Coś jak filtr IR. I układ wykrywania głupiał.
zic10
Posty: 495
Rejestracja: 18 kwie 2019, 07:04
Lokalizacja: Jastrzębie - Zdrój

Re: Technics SL-Q33 - prośba o pomoc

#5

Post autor: zic10 »

chudy_b pisze:
23 lut 2025, 23:18
No chyba jednak nie, skoro nie znasz przyczyny.
A miało być tak pięknie. Irytujące to strasznie ale dalej nie znam przyczyny.
chudy_b pisze:
23 lut 2025, 23:18
Obstawiam, ze wszystkie tranzystory są sprawne
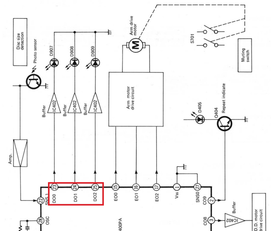
Skąd wiedziałeś. Rzeczywiście wszystkie tranzystory okazały się sprawne. Dalej błądzę. Nie wiem co jeszcze mógłbym sprawdzić. Zauważyłem, że diody IR w ogóle nie świecą a to już bardzo zastanawiające. Elektrolity w układzie sprawdzone - pojemności takie jak widnieją na kondensatorach - chyba, że to nie jest wyznacznikiem ich sprawności. Procesor podaje sygnał na Q401, Q402, Q403. Tranzystory oczywiście sprawne. Diody nie świecą (sprawdzam telefonem który przepuszcza IR) kiedy naciskam przycisk start/stop. Odłączenie sensora nic nie daje. Poniżej zamieszczam schemat może ktoś na coś wpadnie.
Załączniki
IMG_4951.jpeg
Technics SL-1610MK2, SL-1600MK2, AT33PTG, AT540ML, AT15S, AT150MLX, Signet TK7E, Shure V15V-MR, V15-III, EPC-300MC, EPC-207C, Denon DL-103, Ortofon Concorde 30, AKAI GX-635D, Denon PMA-1500R, Marantz PM7200, Jamo d590, MA Silver 6
Awatar użytkownika
chudy_b
Posty: 4159
Rejestracja: 05 lis 2013, 14:54
Lokalizacja: Wólka

Re: Technics SL-Q33 - prośba o pomoc

#6

Post autor: chudy_b »

zic10 pisze:
24 lut 2025, 01:04
Zauważyłem, że diody IR w ogóle nie świecą a to już bardzo zastanawiające.
Nie jestem pewien, ale one chyba świecą krótkimi impulsami których nie zauważysz. Nie bardzo wiem skąd bierze się przesunięcie w czasie. Chyba procesor nimi steruje. Gdyby nie świeciły, procesor by uznał że plyta jest na talerzu. A ma informację odwrotną. Pytanie skąd fototranzystor dostaje impulsy? A jak go zasłonisz, to tez nie startuje?

Oscyloskop pewnie by trochę pomógł, bo na mierniku nie zobaczysz takich szybkich przebiegów.
zic10
Posty: 495
Rejestracja: 18 kwie 2019, 07:04
Lokalizacja: Jastrzębie - Zdrój

Re: Technics SL-Q33 - prośba o pomoc

#7

Post autor: zic10 »

chudy_b pisze:
24 lut 2025, 01:33
A jak go zasłonisz, to tez nie startuje?
Odłączenie sensora od płyty głównej nic nie daje tak samo jak jego zasłonięcie. W SL-1600mk2 po zdjęciu talerza diody świecą cały czas po wciśnięciu start. Być może mrugają tak szybko że oko rejestruje szybkie błyski jak światło stałe. Z opisu wynika, że procesor steruje tymi przesunięciami przez porty D0 D1 D2. Oscyloskop byłby bardzo pomocny dla osoby, która umie się nim posługiwać :lol: ja się do tych osób nie zaliczam. Na chłopski rozum zakładając, że dioda potrzebuje jakiegoś napięcia do świecenia, otwarcie tranzystora przed diodą powoduje przepływ 12V na opornik, który redukuje 12V do napięcia odpowiedniego dla diody IR zakładam, że z przedziału 1-3V. Przykładając miernik w punkt testowy TP56 zaraz za tranzystorem Q907 jeszcze przed opornikiem nie mam napięcia 12V tylko dziwne wartości rzędu 600-700mV szybko zmieniające się w czasie. Na razie zostawię odłączony układ rozpoznawania płyty żeby tylko autostart działał i pomierzę jeszcze napięcia zgodnie z instrukcją serwisową SL-1600mk2 może na coś wpadnę. O ewentualnych postępach będę informował na forum. Osoby, które zgodziły by się naprawić mi gramofon oczywiście odpłatnie zapraszam na PW.
Załączniki
ir_led.jpg
procesor.jpg
Technics SL-1610MK2, SL-1600MK2, AT33PTG, AT540ML, AT15S, AT150MLX, Signet TK7E, Shure V15V-MR, V15-III, EPC-300MC, EPC-207C, Denon DL-103, Ortofon Concorde 30, AKAI GX-635D, Denon PMA-1500R, Marantz PM7200, Jamo d590, MA Silver 6
zic10
Posty: 495
Rejestracja: 18 kwie 2019, 07:04
Lokalizacja: Jastrzębie - Zdrój

Re: Technics SL-Q33 - prośba o pomoc

#8

Post autor: zic10 »

A na ostatnim rysunku wyprowadzeń z procesora chyba jest błąd. Bufor IC402 steruje silnikiem nie diodami. Buforem dla diod IR są tranzystory Q401, Q402 i Q403.
Technics SL-1610MK2, SL-1600MK2, AT33PTG, AT540ML, AT15S, AT150MLX, Signet TK7E, Shure V15V-MR, V15-III, EPC-300MC, EPC-207C, Denon DL-103, Ortofon Concorde 30, AKAI GX-635D, Denon PMA-1500R, Marantz PM7200, Jamo d590, MA Silver 6
Awatar użytkownika
chudy_b
Posty: 4159
Rejestracja: 05 lis 2013, 14:54
Lokalizacja: Wólka

Re: Technics SL-Q33 - prośba o pomoc

#9

Post autor: chudy_b »

Ja bym się diodami w ogóle nie przejmował. I wszystkim co z nimi związane. Naprawdę wymieniłeś procesor? Skąd wziąłeś? Wg serwisówki podejrzanym zostaje jeszcze IC402. Wiem ze to sterowanie silnika
zic10 pisze:
24 lut 2025, 08:13
Na razie zostawię odłączony układ rozpoznawania płyty
A co dokładnie odłączasz?
zic10
Posty: 495
Rejestracja: 18 kwie 2019, 07:04
Lokalizacja: Jastrzębie - Zdrój

Re: Technics SL-Q33 - prośba o pomoc

#10

Post autor: zic10 »

chudy_b pisze:
24 lut 2025, 09:40
Naprawdę wymieniłeś procesor? Skąd wziąłeś?
Procesor mam z innego SL-Q33, który kupiłem kiedyś na części. Po przełożeniu problem identyczny jak przed zmianą. Małe prawdopodobieństwo żeby były oba uszkodzone. Pewności nie mam, że procesor ze sprzętu kupionego na części nie był uwalony albo nie został uszkodzony przy demontażu. Na upartego mógłbym wymontować układ z mojego SL-1600mk2 i wstawić z czystej ciekawości. Myślę, o tym ale zdrowy rozsądek każe mi czekać no i nie chcę unieruchamiać sprzętu który używany jest na co dzień.
chudy_b pisze:
24 lut 2025, 09:40
A co dokładnie odłączasz?
Demontaż tranzystora Q912 zaznaczony na niebiesko, choć odkryłem że nieobecność któregokolwiek z tej trójki (Q910, Q911, Q912) dezaktywuje układ i gramofon normalnie startuje.
chudy_b pisze:
24 lut 2025, 09:40
IC402
Mogę podmienić. I sprawdzić czy coś to da. Tylko jak tak patrzę na schemat to widzę że układ używany jest do sterowania silnikiem ramienia. Chyba, że jeszcze do czegoś innego służy czego nie dostrzegłem.
Technics SL-1610MK2, SL-1600MK2, AT33PTG, AT540ML, AT15S, AT150MLX, Signet TK7E, Shure V15V-MR, V15-III, EPC-300MC, EPC-207C, Denon DL-103, Ortofon Concorde 30, AKAI GX-635D, Denon PMA-1500R, Marantz PM7200, Jamo d590, MA Silver 6
Awatar użytkownika
chudy_b
Posty: 4159
Rejestracja: 05 lis 2013, 14:54
Lokalizacja: Wólka

Re: Technics SL-Q33 - prośba o pomoc

#11

Post autor: chudy_b »

zic10 pisze:
24 lut 2025, 10:31
Na upartego mógłbym wymontować układ z mojego SL-1600mk2 i wstawić z czystej ciekawości.
Lepiej nie. Zaraz będziesz miał dwa trupy
zic10 pisze:
24 lut 2025, 10:31
Demontaż tranzystora Q912 zaznaczony na niebiesko,
No to nie rozumiem dlaczego wyjęcie tranzystora wyłącza układ, a zasłonięcie czujnika nie. To jednak by oddalało podejrzenia od IC402.

A samo odpięcie photo sensora nie wyłacza układu? Powinien być na wtycze, wiec latwo sprawdzić
zic10
Posty: 495
Rejestracja: 18 kwie 2019, 07:04
Lokalizacja: Jastrzębie - Zdrój

Re: Technics SL-Q33 - prośba o pomoc

#12

Post autor: zic10 »

chudy_b pisze:
24 lut 2025, 10:51
A samo odpięcie photo sensora nie wyłacza układu? Powinien być na wtycze, wiec latwo sprawdzić
Odpięcie sensora z płyty głównej od początku nic nie dawało. Wygląda to tak jakby sam układ rozpoznawania płyty podawał do procesora te trzy impulsy, że nie ma płyty na macie bez względu na to czy wtyczka czujnika jest wpięta w płytę czy nie. Mogło by to sugerować uszkodzenie procesora ale gdyby tak było to gramofon nie powinien by startować nawet po wyjęciu tego tranzystora bo jak widzisz z niego ostatniego jakieś impulsy muszą trafiać na procesor co gramofon odczytuje że "brak płyty na talerzu". Zdemontowałem właśnie ten tranzystor bo ma on fizyczne połączenie bezpośrednio z procesorem dopiero ten zabieg powodował że gramofon widział płytę (czyli 0 impulsów z układu).
Technics SL-1610MK2, SL-1600MK2, AT33PTG, AT540ML, AT15S, AT150MLX, Signet TK7E, Shure V15V-MR, V15-III, EPC-300MC, EPC-207C, Denon DL-103, Ortofon Concorde 30, AKAI GX-635D, Denon PMA-1500R, Marantz PM7200, Jamo d590, MA Silver 6
Awatar użytkownika
chudy_b
Posty: 4159
Rejestracja: 05 lis 2013, 14:54
Lokalizacja: Wólka

Re: Technics SL-Q33 - prośba o pomoc

#13

Post autor: chudy_b »

zic10 pisze:
24 lut 2025, 11:15
Wygląda to tak jakby sam układ rozpoznawania płyty podawał do procesora te trzy impulsy, że nie ma płyty na macie bez względu na to czy wtyczka czujnika jest wpięta w płytę czy nie. Mogło by to sugerować uszkodzenie procesora ale gdyby tak było to gramofon nie powinien by startować nawet po wyjęciu tego tranzystora
No właśnie. Cos musi być nie tak w okolicy Q910-Q914. Nie koniecznie same tranzystory
zic10
Posty: 495
Rejestracja: 18 kwie 2019, 07:04
Lokalizacja: Jastrzębie - Zdrój

Re: Technics SL-Q33 - prośba o pomoc

#14

Post autor: zic10 »

chudy_b pisze:
24 lut 2025, 11:26
Nie koniecznie same tranzystory
No to czeka mnie długi wieczór. Podejrzewam, że rezystory należy także demontować do pomiarów czy mogę mierzyć R na płycie?
Technics SL-1610MK2, SL-1600MK2, AT33PTG, AT540ML, AT15S, AT150MLX, Signet TK7E, Shure V15V-MR, V15-III, EPC-300MC, EPC-207C, Denon DL-103, Ortofon Concorde 30, AKAI GX-635D, Denon PMA-1500R, Marantz PM7200, Jamo d590, MA Silver 6
Awatar użytkownika
Bacek
Posty: 4201
Rejestracja: 04 gru 2013, 22:06
Gramofon: Kenwood L-07D
Lokalizacja: Poznań

Re: Technics SL-Q33 - prośba o pomoc

#15

Post autor: Bacek »

Mimo wszystko sprawdził bym gałąź +12V, może pojemności kondensatorów trzymają ale esr pojechało. Profilaktycznie w zasilaczu wymienił bym wszystkie tak czy siak. Generalnie we wszystkich starych sprzętach to powinien być pierwszy krok.
Ale na zwykłe a nie jakieś super low esr, te za samym mostkiem prostowniczym mogą być takie.
Można by sprawdzić oscyloskopem jak wygląda ta gałąź zasilania, bo jak mocno śmieci to może coś się przedziera.
No i jeszcze jak tam trany q910 i q911. Ew czy po wylutowaniu sensora nadal jest problem.
zic10 pisze:
24 lut 2025, 12:02
Podejrzewam, że rezystory należy także demontować do pomiarów czy mogę mierzyć R na płycie?
Zależy od układu, generalnie możesz zacząć na płycie od testu diody.
Ostatnio zmieniony 24 lut 2025, 12:06 przez Bacek, łącznie zmieniany 1 raz.
Klipsch LaScala i analogowo cyfrowa herezja.
ODPOWIEDZ