"The Monster" 8W klasa A J.Hiraga
-
szczepan_def
- Posty: 836
- Rejestracja: 28 sty 2017, 14:25
- Gramofon: DUAL 455
"The Monster" 8W klasa A J.Hiraga
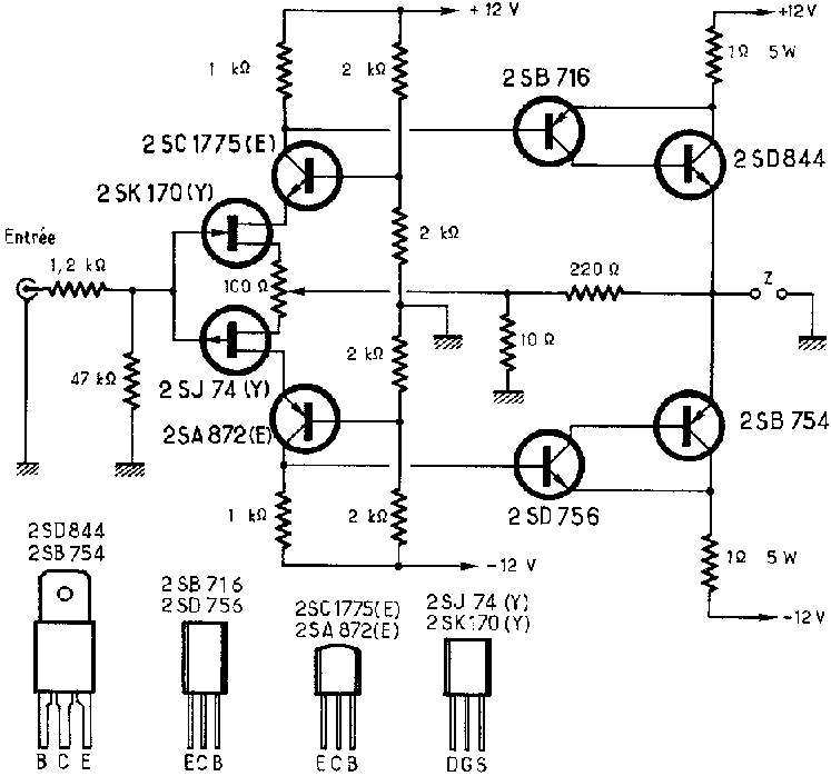
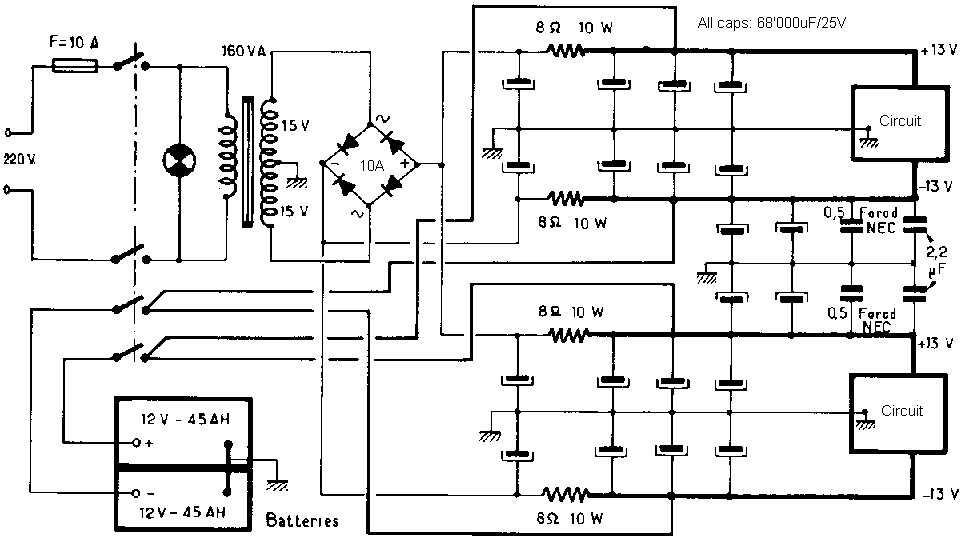
Witam, przedstawiam projekt klasy A, J.Hiragi, oczywiście zasilacz do przedyskutowania bo na przyczepce trzeba wozić... kondy po 0,5F na kanał + akumulatory, Jeśli ktoś może coś powiedzieć więcej na temat brzmienia tego wzmacniacza, lub poddać ocenie tą konstrukcję to zapraszam
Zasilacz 1
Zasilacz 2
Too many tubes, too little time...
- BlackDevil
- Posty: 663
- Rejestracja: 12 gru 2017, 19:48
- Gramofon: S600
Re: "The Monster" 8W klasa A J.Hiraga
Wygląda na to że po odłączeniu zasilania sieciowego będzie można jeszcze 2 dni słuchać muzy 
-
szczepan_def
- Posty: 836
- Rejestracja: 28 sty 2017, 14:25
- Gramofon: DUAL 455
Re: "The Monster" 8W klasa A J.Hiraga
No...fajnie to wygląda na papierze, ciekawe czy ktoś to zbudował? A mówią że zasilacz nie gra, a Tu proszę 90% masy i ceny to power
taka ciekawostka...tu trochę informacji
https://sound-au.com/tcaas/monster29.htm
https://sound-au.com/tcaas/monster29.htm
Too many tubes, too little time...
-
zbyszek1982
- Posty: 5022
- Rejestracja: 31 gru 2012, 19:11
-
MISSE
- Posty: 1660
- Rejestracja: 16 cze 2013, 21:59
- Gramofon: Micro Seiki DDX
Re: "The Monster" 8W klasa A J.Hiraga
To taka fajna zabawka dla kierowców. Instalacja 24V w ciężarówkach choć nie tylko i już mamy prawie dedykowany zasilacz. Smutny jest tylko fakt, że dziś prawie wszystko w każdym aucie mamy na tacy. Mało kto buduje przetwornice, wzmacniacze itd.
We właściwych
czasach zbudowałem kiedyś wielofunkcyjną przetwornice dla kolegi, który prowadził lokomotywę. Dziś wszystkie możliwe gniazda, wifi, blutu, o pełnym monitoringu nie wspomne
We właściwych