Telefunken ts-850 - uszkodzone ramie?
-
kuba929
- Posty: 120
- Rejestracja: 03 gru 2016, 11:53
Telefunken ts-850 - uszkodzone ramie?
Witam, mam pewien problem, zakupilem na aukcji gramofon telefunken ts-850, od firmy więc z ewentualnym zwrotem nie powinno być problemu. Mianowicie chyna jest coś nie tak z ramieniem, załączam filmik. Ta nakładka również nie jest do wkrecenia, można kręcić i kręcić, tam nic na tej srubie ani na gwincie w samym elemencie nie ma czego się zaczepic, dodatkowo tak jak widzac ono jednak całe lata a tak chyba być nie powinno, myślę że to może być przyczyną tego, że przy 1,5 g nacisku zalecanego płyta się zacina, tak samo pomimo że antyskating ustawiony również na 1,5 przy końcu płyty igła chodzi 1 mm w jedną i 1 mm w drugą, jak wyregulowac to ramię, żeby było wszystko na swoim miejscu? Czy jest sens? https://youtu.be/5vYAbb88ZjA
- darkman
- Posty: 16619
- Rejestracja: 02 paź 2015, 09:23
- Gramofon: PL70LII, PSX60
- Lokalizacja: Topanga Corral
- Kontakt:
Re: Telefunken ts-850 - uszkodzone ramie?
Czekaj Kuba, co tak telepiesz
to nie traktor.
Nie bardzo czytelny ten problem. Może opisz lub zrób filmik samego odtwarzania płyty. Czy działa, odtwarza? Jeśli tak to reszta jest do ustawienia. Zrób fotkę całości w szerszym planie - pogapimy się o co chodzi.
Płyta się zacina? Czyli co masz na myśli?
Zrobiłeś wyważenie ramienia itd/kalibracja?
Nie bardzo czytelny ten problem. Może opisz lub zrób filmik samego odtwarzania płyty. Czy działa, odtwarza? Jeśli tak to reszta jest do ustawienia. Zrób fotkę całości w szerszym planie - pogapimy się o co chodzi.
Płyta się zacina? Czyli co masz na myśli?
Zrobiłeś wyważenie ramienia itd/kalibracja?
-
kuba929
- Posty: 120
- Rejestracja: 03 gru 2016, 11:53
Re: Telefunken ts-850 - uszkodzone ramie?
Kalibracja zrobiona, wkładka ma nacisk 1,5 g. Płyta się zacina, tak samo pod koniec gdzie nie ma już rowków igła przesuwa się w jedną i drugą stronę na około 1 mm. Jeśli ustawie 2,5-3 g to jest lepiej, ramie dochodzi do konca plyty, ale nie dziala funckcja auto-stopu, talerz cały czas się kręci.
Ostatnio zmieniony 16 gru 2017, 09:28 przez kuba929, łącznie zmieniany 1 raz.
- darkman
- Posty: 16619
- Rejestracja: 02 paź 2015, 09:23
- Gramofon: PL70LII, PSX60
- Lokalizacja: Topanga Corral
- Kontakt:
Re: Telefunken ts-850 - uszkodzone ramie?
A na innej płycie? ?
(nie bardzo wiem co masz na myśli - zacina - ? przeskakuje z powrotem, zapętla się?)
Czasem płyta jest wytłoczona tak, że ma elipsoidalność rowków w pewnym miejscu. Wówczas ramię 'chodzi w poziomie'. To wtedy usterka płyty.
Zacinanie albo zjazd igły w stronę zewnętrzną to zwykle błąd kalibracji.
Na pierścieniu kolumny ramienia powinny być dwie śruby do centrowania, samą głowicę stabilizuje się od spodu gramofonu, ale to nie to raczej.
(nie bardzo wiem co masz na myśli - zacina - ? przeskakuje z powrotem, zapętla się?)
Czasem płyta jest wytłoczona tak, że ma elipsoidalność rowków w pewnym miejscu. Wówczas ramię 'chodzi w poziomie'. To wtedy usterka płyty.
Zacinanie albo zjazd igły w stronę zewnętrzną to zwykle błąd kalibracji.
Na pierścieniu kolumny ramienia powinny być dwie śruby do centrowania, samą głowicę stabilizuje się od spodu gramofonu, ale to nie to raczej.
-
kuba929
- Posty: 120
- Rejestracja: 03 gru 2016, 11:53
Re: Telefunken ts-850 - uszkodzone ramie?
Tak jak widać na filmiku - głowcę można podniesc na 3-4 mm z dołu do góry i na odwrót. Dodatkowo kiedy ramie podniosę mocniej do góry to również ta głowica się unosi jakby. Zastanawiam się czy można to jak kolwiek ustabilizować i czemu służy ten element którego nie da się wkręcić. Tak, fragment 2-3 sekundowy się poprostu zapętla. Próbowałem to robić na róznych utworach z płyty, wszędzie jest to samo.
- darkman
- Posty: 16619
- Rejestracja: 02 paź 2015, 09:23
- Gramofon: PL70LII, PSX60
- Lokalizacja: Topanga Corral
- Kontakt:
Re: Telefunken ts-850 - uszkodzone ramie?
Czyli jakby odskakuje w tył?
To zaślepka. Być może jest tylko na wcisk - nie pamiętam (manual - vinylengine).
Ja mam pytanie odwrotne - w czym Tobie przeszkadza ów ruch głowicy? Podnosi się przy manualnym nastawie ramienia?
To zaślepka. Być może jest tylko na wcisk - nie pamiętam (manual - vinylengine).
Ja mam pytanie odwrotne - w czym Tobie przeszkadza ów ruch głowicy? Podnosi się przy manualnym nastawie ramienia?
-
kuba929
- Posty: 120
- Rejestracja: 03 gru 2016, 11:53
Re: Telefunken ts-850 - uszkodzone ramie?
Tak, odskakuje w tył. Nie przeszkadza, jednak wydaje mi się, że coś takiego jak ramie gramofonu powinno być jak najbardziej stabilne,a skoro ramie jest poprawnie wyważone ( zalecany docisk wkładki to 1,5 g), antyskating również ustawiony na 1,5 a igła nadal przeskakuje to coś musi być nie tak z tym ramieniem przy samej głowicy. Dodatkowo w momencie kiedy ciężarek ustawię dosyć daleko tzn. ramie podnosi się samo do góry to w pewnym momencie zatrzymuje się, a gdy wymuszę jeszcze ruch do góry ręką to wtedy wlasnie ujawniają się wyzej wspomniane luzy. Wydaje mi się, że właśnie tego nie powinno być, ramie powinno samo się zatrzymać jak jest dociążone i gdy podnosi się je ręką to nie powinno się wyżej podnosić, a tym bardziej nie ruszać się góra-dół.
- pawlos
- Posty: 1162
- Rejestracja: 11 paź 2013, 15:28
- Gramofon: l-75 l-78 s-500
- Lokalizacja: Stargard
Re: Telefunken ts-850 - uszkodzone ramie?
.
Lenco B-55 L-75,L-78
Dual 1218 ,1219 ,1249 ,621
Thorens TD 146 II , TD-166 I
Telefunken S-500 , S-600
Yamaha ca-810,B&O CD-3300,JBL -L-80 t Gi,Braun L-810,Dual CL-720
Dual 1218 ,1219 ,1249 ,621
Thorens TD 146 II , TD-166 I
Telefunken S-500 , S-600
Yamaha ca-810,B&O CD-3300,JBL -L-80 t Gi,Braun L-810,Dual CL-720
- pawlos
- Posty: 1162
- Rejestracja: 11 paź 2013, 15:28
- Gramofon: l-75 l-78 s-500
- Lokalizacja: Stargard
Re: Telefunken ts-850 - uszkodzone ramie?
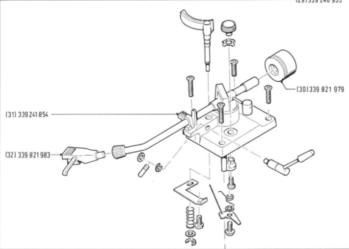
musi byc takie same bo to z manuala od ts-850
musisz odkrecic 4 sruby , przechylic cała podstawe ramienia i zobaczyc co tam jest nie tak
sory od 860 wkleiłem juz patrzę 850
musisz odkrecic 4 sruby , przechylic cała podstawe ramienia i zobaczyc co tam jest nie tak
sory od 860 wkleiłem juz patrzę 850
Lenco B-55 L-75,L-78
Dual 1218 ,1219 ,1249 ,621
Thorens TD 146 II , TD-166 I
Telefunken S-500 , S-600
Yamaha ca-810,B&O CD-3300,JBL -L-80 t Gi,Braun L-810,Dual CL-720
Dual 1218 ,1219 ,1249 ,621
Thorens TD 146 II , TD-166 I
Telefunken S-500 , S-600
Yamaha ca-810,B&O CD-3300,JBL -L-80 t Gi,Braun L-810,Dual CL-720
- pawlos
- Posty: 1162
- Rejestracja: 11 paź 2013, 15:28
- Gramofon: l-75 l-78 s-500
- Lokalizacja: Stargard
Re: Telefunken ts-850 - uszkodzone ramie?
niestety wygląda na to ,że tak jak pisałem trzeba zajrzec od dołu 
Lenco B-55 L-75,L-78
Dual 1218 ,1219 ,1249 ,621
Thorens TD 146 II , TD-166 I
Telefunken S-500 , S-600
Yamaha ca-810,B&O CD-3300,JBL -L-80 t Gi,Braun L-810,Dual CL-720
Dual 1218 ,1219 ,1249 ,621
Thorens TD 146 II , TD-166 I
Telefunken S-500 , S-600
Yamaha ca-810,B&O CD-3300,JBL -L-80 t Gi,Braun L-810,Dual CL-720
-
kuba929
- Posty: 120
- Rejestracja: 03 gru 2016, 11:53
Re: Telefunken ts-850 - uszkodzone ramie?
ok, zobaczę co tam się kryje, może trzeba coś dokręcić, wyśle zdjęcia za jakieś 2 godziny 
-
kuba929
- Posty: 120
- Rejestracja: 03 gru 2016, 11:53
- darkman
- Posty: 16619
- Rejestracja: 02 paź 2015, 09:23
- Gramofon: PL70LII, PSX60
- Lokalizacja: Topanga Corral
- Kontakt:
Re: Telefunken ts-850 - uszkodzone ramie?
Nie wiem czy tam jest ta sprężynka dociskająca jak na rysunku 860?
Porównaj wszystkie części z rysunkiem (850) po kolei czy są. Odnoszę wrażenie, że to zawieszenie nie ma być na sztywno. Hm
Porównaj wszystkie części z rysunkiem (850) po kolei czy są. Odnoszę wrażenie, że to zawieszenie nie ma być na sztywno. Hm
-
kuba929
- Posty: 120
- Rejestracja: 03 gru 2016, 11:53
Re: Telefunken ts-850 - uszkodzone ramie?
Właśnie tej sprezynki nie ma, dodatkowo nie działa funkcja autostopu.