Kolumny na głośnikach Philipsa – przebudowa
- kulek123
- Posty: 509
- Rejestracja: 06 gru 2018, 14:58
- Gramofon: SABA PSP 248
- Lokalizacja: Wilków
Kolumny na głośnikach Philipsa – przebudowa
Wpadły mi w ręce jakiś czas temu stare paczki z głośnikami Philipsa z zamiarem ich przebudowy. Zaczynamy więc kolejny "projekt" kolumn. materiał na nowe paczki wykorzystany będzie ze starych, trochę się nad rozebraniem namęczyłem. Pojemność nowych paczek wyniesie max 60l a jak zajdzie potrzeba do będziemy zmniejszać pojemność. Będzie nowy fornir, maskownice a w zasadzie jeżeli chodzi o obudowy to wszystko będzie zrobione od nowa. Głośniki w fajnym stanie tylko w nisko tonowych wymieniłem nakładki przeciwpyłowe. Poniżej fotki jak wyglądał dawca surowca i sklejone nowe paczki. Ciąg dalszy za jakiś czas 
SABA PSP 248 / PHILIPS 22RH720 / AKAI CD-37 / ADK 3540
-
Marek.s
- Posty: 58
- Rejestracja: 19 kwie 2023, 10:19
Re: Kolumny na głośnikach Philipsa – przebudowa
Cześć, sporo philipsów przeszło przez me ręce, ale akurat takiej konstrukcji jeszcze nie widziałem. Nie mogę namierzyć też w dokumentacji takiego setu z dwoma tweeterami i jednym mid. Masz może informacje jaki to model?
- blispx
- Posty: 4755
- Rejestracja: 26 paź 2014, 22:32
Re: Kolumny na głośnikach Philipsa – przebudowa
DDX-1000 > RMG-309i/SME3012 > SPU/MPU > Lundahl > AN Kondo/ANK > 300B > Audio Nirvana
CM4 Diretta Host > Holo Red Diretta Target (DDC Mode) > Holo Cyan 2 > AN Kondo > 300B > Audio Nirvana
CM4 Diretta Host > Holo Red Diretta Target (DDC Mode) > Holo Cyan 2 > AN Kondo > 300B > Audio Nirvana
-
Marek.s
- Posty: 58
- Rejestracja: 19 kwie 2023, 10:19
Re: Kolumny na głośnikach Philipsa – przebudowa
Nie brakuje Ci czasami sredniotonowych (na zdjęciu masz dwie sztuki)? Jeśli tak, może coś znajdę u siebie 
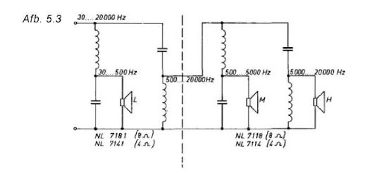
PS. Do setu 12”+2x5”+2x1” Philips zaleca 50 litrów.
PS. Do setu 12”+2x5”+2x1” Philips zaleca 50 litrów.
- kulek123
- Posty: 509
- Rejestracja: 06 gru 2018, 14:58
- Gramofon: SABA PSP 248
- Lokalizacja: Wilków
Re: Kolumny na głośnikach Philipsa – przebudowa
Osobiście też nie trafiłem nigdzie wzmianki na temat takiego układu głośników (1+1+2) to co dorzucił blispx to jest właśnie z drugim średniakiem. To co mam to jest jakiś kit Philipsa bo zwrotnica profesjonalnie wykonana. Szukam schematu zwrotnicy do tego układu o którym piszesz ale na razie nie znalazłem. Głośniki zainstalowane to: 1x AD12100/W8, 1x AD5060/Sq8, 2x AD0160/T4 więc inne niż w znanych mi kitach Philipsa z układem 1+2+2. Celem jest układ właśnie z dwoma średniakami ale jak nie znajdę danych to zostanie z jednym.
SABA PSP 248 / PHILIPS 22RH720 / AKAI CD-37 / ADK 3540
-
Marek.s
- Posty: 58
- Rejestracja: 19 kwie 2023, 10:19
Re: Kolumny na głośnikach Philipsa – przebudowa
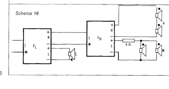
Proszę dla takiej konfiguracji:
Ale fajnie zagrał również taki zestaw
ale w tym przypadku AD5060 nie sprawdzi się moim zdaniem
Ale fajnie zagrał również taki zestaw
ale w tym przypadku AD5060 nie sprawdzi się moim zdaniem
- kulek123
- Posty: 509
- Rejestracja: 06 gru 2018, 14:58
- Gramofon: SABA PSP 248
- Lokalizacja: Wilków
Re: Kolumny na głośnikach Philipsa – przebudowa
Zmotywowałeś mnie i znalazłem, tylko niestety wartości elementów brak. Więc będę potrzebować jeszcze 5060/sq8 x2
SABA PSP 248 / PHILIPS 22RH720 / AKAI CD-37 / ADK 3540
-
Marek.s
- Posty: 58
- Rejestracja: 19 kwie 2023, 10:19
Re: Kolumny na głośnikach Philipsa – przebudowa
Tak na 90% mam AD5060, jeśli chcesz, przypomnij mi się jutro na PW
- kulek123
- Posty: 509
- Rejestracja: 06 gru 2018, 14:58
- Gramofon: SABA PSP 248
- Lokalizacja: Wilków
Re: Kolumny na głośnikach Philipsa – przebudowa
Żeby nie było że nic się nie dzieje
paczki oklejone fornirem, jeszcze przed obróbką ostateczną i malowaniem ale to później. teraz biorę się za fronty i tył będą czarne choć myślałem nad fornirem z przodu. Wstępnie jest też testowa zwrotnica narysowana z pomocą kolegi z tego forum i pomocy z innego. cdn...
SABA PSP 248 / PHILIPS 22RH720 / AKAI CD-37 / ADK 3540
- konrads0
- Posty: 7985
- Rejestracja: 16 paź 2013, 12:17
- Gramofon: Technics SL 1200Mk2
- Lokalizacja: Wielkopolska centralna
- kulek123
- Posty: 509
- Rejestracja: 06 gru 2018, 14:58
- Gramofon: SABA PSP 248
- Lokalizacja: Wilków
Re: Kolumny na głośnikach Philipsa – przebudowa
Dzięki
, zobaczymy co lakier z tego wyciągnie.
SABA PSP 248 / PHILIPS 22RH720 / AKAI CD-37 / ADK 3540
- mrcnoos
- Posty: 4621
- Rejestracja: 26 gru 2018, 08:40
- Gramofon: Składak
- Lokalizacja: pomorskie
- Piterski
- Posty: 1535
- Rejestracja: 17 lip 2015, 23:48
- Gramofon: Pioneer PL70LII
- Lokalizacja: Warszawa
Re: Kolumny na głośnikach Philipsa – przebudowa
Ten schemat zwrotnicy to jakiś 3 wariant?
Tor cyfrowy: Esoteric K01 - Gryphon Diablo 120.
Tor Analogowy: Phasemation PP-300 - Pioneer PL70II - RCM Sensor2.
Kolumny: Electro Voice Interface "Delta". Kable: Furutech, Hijiri - Harmonix, by Melepeta, Yarbo 1100.
Tor Analogowy: Phasemation PP-300 - Pioneer PL70II - RCM Sensor2.
Kolumny: Electro Voice Interface "Delta". Kable: Furutech, Hijiri - Harmonix, by Melepeta, Yarbo 1100.
- kulek123
- Posty: 509
- Rejestracja: 06 gru 2018, 14:58
- Gramofon: SABA PSP 248
- Lokalizacja: Wilków
Re: Kolumny na głośnikach Philipsa – przebudowa
Tak, głównie chodziło o filtrowanie i polaryzację niskotonowego. Ja o zwrotnicach niewiele wiem
SABA PSP 248 / PHILIPS 22RH720 / AKAI CD-37 / ADK 3540
- Piterski
- Posty: 1535
- Rejestracja: 17 lip 2015, 23:48
- Gramofon: Pioneer PL70LII
- Lokalizacja: Warszawa
Re: Kolumny na głośnikach Philipsa – przebudowa
Moim zdaniem w poście #6 dwa razy przewija się ten sam układ z średnicą w przeciw fazie.
W #7 jak rozumiem mamy drugi wariant z wszystkimi przetwornikami w fazie.
Dlatego zaskoczony jestem twoim schematem bo tu w przeciw fazie są głośniki wysoko tonowe.
Z moich doświadczeń z EV Delta wynika, że to ma znaczenie.
Tam producent założył dwa układy z wszystkimi głośnika mi w fazie lub z odwrócona w stosunku do basu średnicą i górą pasma.
To bardzo mocno zmienia efekt końcowy bo w twoim schemacie odchodzisz jak widzę od założeń producenta. Odwrócenie w fazie średnicy wpłynie ci na dwa miejsca szycia charakterystyki. Jeśli dla wszystkich schematów masz te same wartości komponentów zwrotnicy to zrób ją tak by móc zmieniać polaryzacje bez użycia lutownicy.
Sam się przekonasz jakie to może być przekleństwo
W #7 jak rozumiem mamy drugi wariant z wszystkimi przetwornikami w fazie.
Dlatego zaskoczony jestem twoim schematem bo tu w przeciw fazie są głośniki wysoko tonowe.
Z moich doświadczeń z EV Delta wynika, że to ma znaczenie.
Tam producent założył dwa układy z wszystkimi głośnika mi w fazie lub z odwrócona w stosunku do basu średnicą i górą pasma.
To bardzo mocno zmienia efekt końcowy bo w twoim schemacie odchodzisz jak widzę od założeń producenta. Odwrócenie w fazie średnicy wpłynie ci na dwa miejsca szycia charakterystyki. Jeśli dla wszystkich schematów masz te same wartości komponentów zwrotnicy to zrób ją tak by móc zmieniać polaryzacje bez użycia lutownicy.
Sam się przekonasz jakie to może być przekleństwo
Tor cyfrowy: Esoteric K01 - Gryphon Diablo 120.
Tor Analogowy: Phasemation PP-300 - Pioneer PL70II - RCM Sensor2.
Kolumny: Electro Voice Interface "Delta". Kable: Furutech, Hijiri - Harmonix, by Melepeta, Yarbo 1100.
Tor Analogowy: Phasemation PP-300 - Pioneer PL70II - RCM Sensor2.
Kolumny: Electro Voice Interface "Delta". Kable: Furutech, Hijiri - Harmonix, by Melepeta, Yarbo 1100.