Diatone z Japonii

Tematy związane z zakupem sprzętu nagłaśniającego
ODPOWIEDZ
Awatar użytkownika
Pawelec
Posty: 3426
Rejestracja: 17 gru 2012, 20:18
Gramofon: Składak
Lokalizacja: Okolice Warszawy

Re: Diatone z Japonii

#46

Post autor: Pawelec »

xytrasik pisze:
31 paź 2025, 20:53
Jutro o SQ38 napiszę.
Tu nie ma co pisać. Napisz o nalewkach, których mistrzem jesteś niedościgniony :clap:
„Nalewka ta to nie tylko trunek — to poezja zamknięta w szklanej karafce. W jej bursztynowym blasku drzemie słońce minionego lata, a w każdym łyku czuć ciepło dłoni, które zbierały owoce o świcie. Aromat słodki, lecz z nutą tajemnicy, rozwija się powoli — jak wspomnienie dawnych wieczorów przy ogniu. To napój, który nie upija, lecz koi duszę; nie gasi pragnienia, lecz budzi wspomnienia. Nalewka – kwintesencja cierpliwości, pasji i tradycji, zamieniona w złoty eliksir radości.”
AKTUALNE OGŁOSZENIA - pierwszy post
viewtopic.php?t=15809#p307122

Słuchać możesz jeszcze lepiej i jeszcze piękniej.
https://instagram.com/murasaudio
Awatar użytkownika
xytrasik
Posty: 226
Rejestracja: 04 cze 2022, 23:44
Gramofon: Dual CS 721
Lokalizacja: Tarnów
Kontakt:

Re: Diatone z Japonii

#47

Post autor: xytrasik »

Pawle dziękuje za tak miłe słowa, miód na serce me :character-beavisbutthead: .
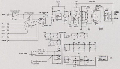
Nie mam pojęcia czy ma autobias, daję schemat, mów gdzie rozkręcić aby sprawdzić.
Załączniki
sq38signature.JPG
IMG_1958.jpeg
IMG_1953.jpeg
IMG_1957.jpeg
Awatar użytkownika
Dario Antonio
Posty: 639
Rejestracja: 09 kwie 2024, 17:55
Gramofon: Akai AP-100c
Lokalizacja: Śląsk

Re: Diatone z Japonii

#48

Post autor: Dario Antonio »

Pawelec pisze:
01 lis 2025, 07:20
„Nalewka ta to nie tylko trunek — to poezja zamknięta w szklanej karafce. W jej bursztynowym blasku drzemie słońce minionego lata, a w każdym łyku czuć ciepło dłoni, które zbierały owoce o świcie. Aromat słodki, lecz z nutą tajemnicy, rozwija się powoli — jak wspomnienie dawnych wieczorów przy ogniu. To napój, który nie upija, lecz koi duszę; nie gasi pragnienia, lecz budzi wspomnienia. Nalewka – kwintesencja cierpliwości, pasji i tradycji, zamieniona w złoty eliksir radości.”
Mistrz :shock: Aż chce się pić ;)
Najbardziej boję się whisky, bo po niej, nie boję się niczego . 8-)
dayzee
Posty: 3
Rejestracja: 20 paź 2025, 08:14

Re: Diatone z Japonii

#49

Post autor: dayzee »

Znalazłem opis że jest autobias w tym modelu.

Luxman SQ-38 Signature to limitowana edycja, vintage'owego wzmacniacza zintegrowanego z lampami push-pull, który wykorzystuje system automatycznego biasu dla lamp mocy EL34. Model ten, wydany z okazji 70. rocznicy istnienia firmy Luxman, słynie z ciepłego brzmienia i wysokiej jakości konstrukcji, w tym transformatorów Luxman OY. Funkcja automatycznego biasu upraszcza konserwację poprzez automatyczną regulację biasu lamp.
Awatar użytkownika
darkman
Posty: 17565
Rejestracja: 02 paź 2015, 09:23
Gramofon: PL70LII, PSX60
Lokalizacja: Topanga Corral
Kontakt:

Re: Diatone z Japonii

#50

Post autor: darkman »

xytrasik pisze:
01 lis 2025, 11:13
Nie mam pojęcia czy ma autobias, daję schemat, mów gdzie rozkręcić aby sprawdzić.
Mario,
Jak nie ma łatwo dostępnych R'ek punktów zmiany pracy lamp, a na fotkach nie ma. To znaczy, że Bias jest automatyczny lub dedykowany tylko pod jeden rodzaj lampy spcjalizowanej (jak np w Lebenie). Bias jeśli "ręczny" to przy każdej lampie ma 2 punkty pomiarowe do wpięcia miernika - zwykle z podaną wartością -/+.
dayzee pisze:
01 lis 2025, 13:57
z lampami push-pull
Nie ma czegoś takiego jak lampy push pull, to określenie topologii jaką zastosowano do budowy architektury wzmacniacza lampowego PP lub SE (sinlge ended).
dayzee pisze:
01 lis 2025, 13:57
automatycznego biasu upraszcza konserwację poprzez automatyczną regulację biasu lamp.
Automatyczny Bias pozwala wymieniać dość dowolnie lampy (dedykowane czyli dopuszczalne) bez konieczności ustawiania punktu pracy, dzieje się to bowiem automatycznie. Z konserwacją ma to niewiele wspólnego i brzmi śmiesznie.
Ręczna/default zmiana wzmiankowanego punktu pozwala na podrasowanie brzmienia pod swoje ucho lub niby większą wydajność w danych obszarach, ale może mieć wpływ na zużycie lamp lub ich jakość pracy w ogóle.
Natomiast samo ustawienie i kontrola jest całkiem fajna. Miałem wzmaki z auto i handy Bias, spejalnych różnic obsługowych nie odnotowałem. Jeśli lampa brandowa i dobrej akości, dobrana w pary lub kwadry to trzyma zwykle parametry i korekcja (bywa, że zwana strojeniem) sprowadza się w zasadzie tylko do sprawdzenia "czy czasem nie ma odchyleń od normy".
ODPOWIEDZ