Technics SL-10 jakość wew pre-preamp.
-
Laush
- Posty: 119
- Rejestracja: 12 mar 2024, 00:30
- Gramofon: Technics SL-10
- Lokalizacja: Warszawa
Technics SL-10 jakość wew pre-preamp.
Cześć,
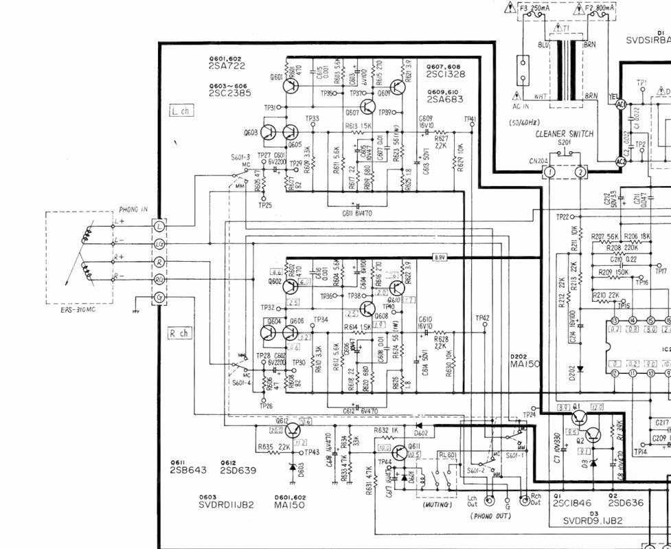
Technics SL-10 posiada wewnętrzny pre-preamp (step-up, bez korekcji RIAA).
Czy ktoś z bardziej oświeconych w temacie elektroniki mógłby się wypowiedzieć o jakości tego pre-preamp, jak on się ma do rozwiązań opartych na transformatorze ?
Poniżej załączam schemat z manuala serwisowego.
Dziękuje i pozdrawiam
Karol.
Technics SL-10 posiada wewnętrzny pre-preamp (step-up, bez korekcji RIAA).
Czy ktoś z bardziej oświeconych w temacie elektroniki mógłby się wypowiedzieć o jakości tego pre-preamp, jak on się ma do rozwiązań opartych na transformatorze ?
Poniżej załączam schemat z manuala serwisowego.
Dziękuje i pozdrawiam
Karol.
- ŁDŁ
- Posty: 632
- Rejestracja: 21 lis 2013, 09:23
- Lokalizacja: Jaktorów
- Kontakt:
Re: Technics SL-10 jakość wew pre-preamp.
Jakość w audio jest kwestią subiektywną, obiektywne parametry są w instrukcji. Tego rozwiązania nie da się porównać do transformatora bo to jakby porównywać kolarkę szosową na ostrym kole z elektrycznym rowerem wyczynowym to samo robią ale inne światy. I to trzeba samemu ocenić co pasuje do całości pomysłu na siebie.
Sam w sobie układ to z pewnością była inspiracja, jeśli chodzi o stopień wejściowy dla Hiragi przy prepre tylko zaprojektowana przez inżyniera
To układ minimum nakładu maksimum korzyści. W audio mniej czasem znaczy lepiej, tak często bywa w przypadku takich w istocie ciekawych konstrukcji.
Nie skreślać posłuchać.
Łukasz Długosz
Serwis i projektowanie elektroniki, także audio https://www.facebook.com/ldlelektronika
Prawo Hofstadtera mówi: skomplikowana czynność zawsze zajmie więcej czasu niż zaplanowano także jeśli planując brano pod uwagę prawo Hofstadtera.
Serwis i projektowanie elektroniki, także audio https://www.facebook.com/ldlelektronika
Prawo Hofstadtera mówi: skomplikowana czynność zawsze zajmie więcej czasu niż zaplanowano także jeśli planując brano pod uwagę prawo Hofstadtera.
- Wojtek
- Administrator
- Posty: 44924
- Rejestracja: 02 lut 2009, 02:59
- Lokalizacja: Warszawa
- Kontakt:
Re: Technics SL-10 jakość wew pre-preamp.
Gramofon ten parowano z wkładką MC, a że Technics nie chciał narzucać zakupu dodatkowych pudełek do gramofonu to zdecydowali się dorzucić wbudowany prosty head-amp.
Mam gromadkę SUTów jak i headampów/prepre, jednak nie miałem nigdy SL-10 więc nie wypowiem się co do jakości czy klasy tego układu.
Oczywiście jeśli nie rozważamy posiadania wkładki MC na T4P (nie było tego wiele) czy też po prostu fabrycznej EPC-310MC to dywagacje na temat jakości wbudowanego headampa nabierają charakteru co najwyżej ciekawostki przyrodniczej.
Jak się ma prepre do SUTa?
Układ aktywny kontra pasywny.
Przy tych pierwszych - trzeba jakoś ogarnąć szum.
Są zwolennicy jednego i drugiego podejścia i nie ma tutaj oczywistych wygranych czy coś w tym stylu.
Mam gromadkę SUTów jak i headampów/prepre, jednak nie miałem nigdy SL-10 więc nie wypowiem się co do jakości czy klasy tego układu.
Oczywiście jeśli nie rozważamy posiadania wkładki MC na T4P (nie było tego wiele) czy też po prostu fabrycznej EPC-310MC to dywagacje na temat jakości wbudowanego headampa nabierają charakteru co najwyżej ciekawostki przyrodniczej.
Jak się ma prepre do SUTa?
Układ aktywny kontra pasywny.
Przy tych pierwszych - trzeba jakoś ogarnąć szum.
Są zwolennicy jednego i drugiego podejścia i nie ma tutaj oczywistych wygranych czy coś w tym stylu.
Tubylcza wredota, tudzież insza kanalia
Wsparcie finansowe forum
Wsparcie finansowe forum
-
Laush
- Posty: 119
- Rejestracja: 12 mar 2024, 00:30
- Gramofon: Technics SL-10
- Lokalizacja: Warszawa
Re: Technics SL-10 jakość wew pre-preamp.
Na obecną chwilę używam dwóch wkładek:
- oryginalna EPC-310MC poprzez pre-preamp Technicsa i sekcję MM Audiolab 8000A (47kohm / 85pF)
- oryginalna EPC-310MC poprzez sekcję MC Audiolab 8000A (100ohm/3.3nF) - potrzebne by pewnie była impedancja 300-500 ohm co wiąże się z dokładaniem oporników wewnątrz
- zakupionej niedawno używanej Pickering TL-3 w/DTL-3 poprzez MM Audiolab 8000A (47kohm / 85pF)
Moje pytanie o jakość pre-preamp Technicks wynika z tego że Pickering MM zagrał lepiej niż EPC-310MC co może być spowodowane:
- słabym pre-preamp Technicsa lub potrzebą wymiany starych kondensatorów w nim
- jakości sekcji (MM/MC) w Audiolab 8000A
- zużyciem EPC-310MC
Zanim zdecyduje się na wymianę igły w EPC-310MC chciałbym się upewnić że poniesiony koszt tej operacji będzie uzasadniony w odniesieniu do posiadanego toru audio, czy też będzie potrzeba zakupu pre gramofonowego / SUT.... (cała posiadana elektronika jest po przeglądzie, wymianie kondensatorów):
- Audiolab 8000A tylko jako preamp gramofonowy
- TAG McLaren PA20R
- Audiolab 8000P
- Triangle Esprit Comete EZ
Dziękuje i pzdrawiam.
Karol
- oryginalna EPC-310MC poprzez pre-preamp Technicsa i sekcję MM Audiolab 8000A (47kohm / 85pF)
- oryginalna EPC-310MC poprzez sekcję MC Audiolab 8000A (100ohm/3.3nF) - potrzebne by pewnie była impedancja 300-500 ohm co wiąże się z dokładaniem oporników wewnątrz
- zakupionej niedawno używanej Pickering TL-3 w/DTL-3 poprzez MM Audiolab 8000A (47kohm / 85pF)
Moje pytanie o jakość pre-preamp Technicks wynika z tego że Pickering MM zagrał lepiej niż EPC-310MC co może być spowodowane:
- słabym pre-preamp Technicsa lub potrzebą wymiany starych kondensatorów w nim
- jakości sekcji (MM/MC) w Audiolab 8000A
- zużyciem EPC-310MC
Zanim zdecyduje się na wymianę igły w EPC-310MC chciałbym się upewnić że poniesiony koszt tej operacji będzie uzasadniony w odniesieniu do posiadanego toru audio, czy też będzie potrzeba zakupu pre gramofonowego / SUT.... (cała posiadana elektronika jest po przeglądzie, wymianie kondensatorów):
- Audiolab 8000A tylko jako preamp gramofonowy
- TAG McLaren PA20R
- Audiolab 8000P
- Triangle Esprit Comete EZ
Dziękuje i pzdrawiam.
Karol
- Wojtek
- Administrator
- Posty: 44924
- Rejestracja: 02 lut 2009, 02:59
- Lokalizacja: Warszawa
- Kontakt:
Re: Technics SL-10 jakość wew pre-preamp.
Pickering TL-3 fajna wkładeczka.
EPC-310MC nie słyszałem, ale EPC-300MC znam bardzo dobrze.
Rozumiem Twoje rozterki, ale żeby doradzić konkretny kierunek to będziesz musiał nieco więcej o różnicy brzmieniowej niż "Pickering zagrał lepiej".
Swoją drogą, lepiej Ci się słucha EPC-310MC przez headamp czy przez sekcję MC w Audiolab?
EPC-310MC nie słyszałem, ale EPC-300MC znam bardzo dobrze.
Rozumiem Twoje rozterki, ale żeby doradzić konkretny kierunek to będziesz musiał nieco więcej o różnicy brzmieniowej niż "Pickering zagrał lepiej".
Swoją drogą, lepiej Ci się słucha EPC-310MC przez headamp czy przez sekcję MC w Audiolab?
Tubylcza wredota, tudzież insza kanalia
Wsparcie finansowe forum
Wsparcie finansowe forum
- ŁDŁ
- Posty: 632
- Rejestracja: 21 lis 2013, 09:23
- Lokalizacja: Jaktorów
- Kontakt:
Re: Technics SL-10 jakość wew pre-preamp.
8000A to można by powiedzieć rozwiązanie nudne w swojej poczciwości, bez jakichś wtop i przemyślane ale też bez poszukiwania szczytów możliwości krzemu w zastosowaniu MC. Kaskadowo dwa wzmacniacze różnicowe i wtórnik na wyjściu.
Technics to zupełnie inne podejście, niby prostsze ale może być ciekawsze, kiedyś uznał bym że raczej ciekawie oszczędnościowe ale dziś w związku z różnymi zachwytami nad prepre, który pachnie całkowitym odinżynierowaniem tego ukłądu z technicsa to przysłuchał bym mu się uważniej. Kluczem do sukcesu może być wymiana kondensatorów bo ten układ mocno zależy od ich jakości.
Technics to zupełnie inne podejście, niby prostsze ale może być ciekawsze, kiedyś uznał bym że raczej ciekawie oszczędnościowe ale dziś w związku z różnymi zachwytami nad prepre, który pachnie całkowitym odinżynierowaniem tego ukłądu z technicsa to przysłuchał bym mu się uważniej. Kluczem do sukcesu może być wymiana kondensatorów bo ten układ mocno zależy od ich jakości.
Łukasz Długosz
Serwis i projektowanie elektroniki, także audio https://www.facebook.com/ldlelektronika
Prawo Hofstadtera mówi: skomplikowana czynność zawsze zajmie więcej czasu niż zaplanowano także jeśli planując brano pod uwagę prawo Hofstadtera.
Serwis i projektowanie elektroniki, także audio https://www.facebook.com/ldlelektronika
Prawo Hofstadtera mówi: skomplikowana czynność zawsze zajmie więcej czasu niż zaplanowano także jeśli planując brano pod uwagę prawo Hofstadtera.
-
Laush
- Posty: 119
- Rejestracja: 12 mar 2024, 00:30
- Gramofon: Technics SL-10
- Lokalizacja: Warszawa
Re: Technics SL-10 jakość wew pre-preamp.
W konfiguracji z użyciem MC w Audiolab 8000A dźwięk jest bardziej szczegółowy i troszkę bardziej przestrzenny, na obecną chwilę preferuje to rozwiązanie. Ciekawe czy była by większa poprawa gdyby udało się wlutować dodatkowy rezystor aby otrzymać te 300-500 ohms zamiast 100 ohms na wejściu MC Audiolaba.
Wkładka EPC-310MC ogólnie wyłapuje dużą ilość trzasków (nawet na nowej płycie) - wyśle do Gdańska pod mikroskop to się okaże czy reanimacja igły będzie potrzebna (chyba że ktoś w Warszawie mógłby obejrzeć / ocenić ??)
Przy użyciu Pickering TL-3 trzaski nie występują w takiej ilości, jest głośniej i więcej dołu ale chyba troszkę mniej szczegółowo.
Pozdrawiam.
-
Laush
- Posty: 119
- Rejestracja: 12 mar 2024, 00:30
- Gramofon: Technics SL-10
- Lokalizacja: Warszawa
Re: Technics SL-10 jakość wew pre-preamp.
O którym modelu 8000A piszesz ? Czytałem że były duże zmiany w konstrukcji sekcji phono pomiędzy modelami (ja mam drugą wersje, jeszcze z szarą obudową).
Pozdrawiam.
Pozdrawiam.
- ŁDŁ
- Posty: 632
- Rejestracja: 21 lis 2013, 09:23
- Lokalizacja: Jaktorów
- Kontakt:
Re: Technics SL-10 jakość wew pre-preamp.
Tak to ten schemat. Wtedy widać konstruktor miał objawienie układu kaskady dwóch par różnicowych. Cały ten wzmacniacz jest o ten pomysł oparty od wejścia do wyjścia. Są takie konstrukcje gdzie jest pewien przewodni pomysł na całość, a bywa, że ten pomysł dziedziczą / dzielą między sobą całe serie i powstaje firmowa sygnatura dźwięku - jak np w Luxmanach z epoki 80-90.
Łukasz Długosz
Serwis i projektowanie elektroniki, także audio https://www.facebook.com/ldlelektronika
Prawo Hofstadtera mówi: skomplikowana czynność zawsze zajmie więcej czasu niż zaplanowano także jeśli planując brano pod uwagę prawo Hofstadtera.
Serwis i projektowanie elektroniki, także audio https://www.facebook.com/ldlelektronika
Prawo Hofstadtera mówi: skomplikowana czynność zawsze zajmie więcej czasu niż zaplanowano także jeśli planując brano pod uwagę prawo Hofstadtera.